GM Service Manual Online
For 1990-2009 cars only
Makes
🢒
Buick
🢒
2007
🢒
Lucerne
🢒
Diagnostic Navigation
🢒
Vehicle Diagnostic Information
🢒 Steering Wheel Schematics
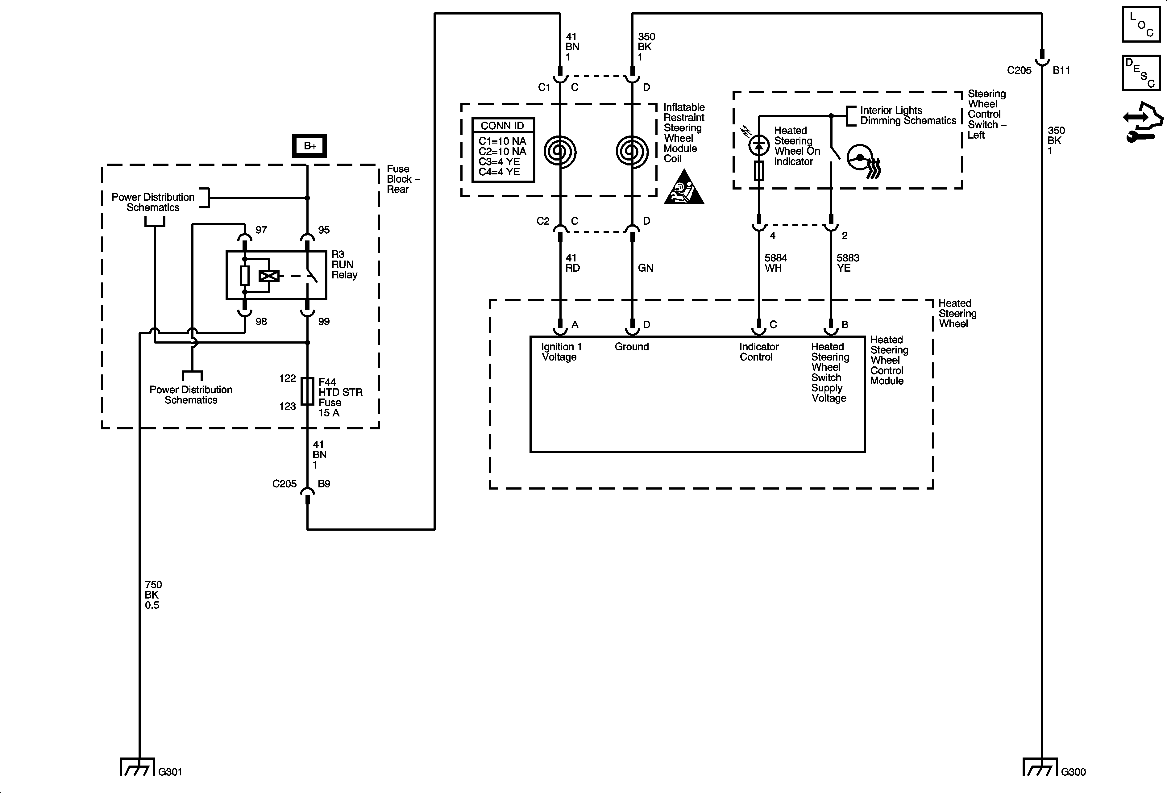
Heated Steering Wheel
Master Electrical Component List
Steering Wheel and Column Description and Operation
Control Module References
Rear Fuse Block B+
RUN Relay, HTD STR, HTD/COOL/IGN3, BCM LOGIC Fuses
Steering Wheel and Column Schematic Icons
HVAC Control Module, Steering Wheel Switches
G301
G300