GM Service Manual Online
For 1990-2009 cars only
Makes
🢒
Buick
🢒
2007
🢒
Lucerne
🢒
Diagnostic Navigation
🢒
Vehicle Diagnostic Information
🢒 Data Communication Schematics
Figure
1:
DLC Power Ground and Low Speed GMLAN
Master Electrical Component List
Data Link Communications Description and Operation
Control Module References
High Speed Serial Data
Rear Fuse Block B+
PRK LAMP, DRL Relays, IP HARN MDL, LT PRK LAMP, RT PRK LAMP, DRL Fuses
PRK LAMP, DRL Relays, IP HARN MDL, LT PRK LAMP, RT PRK LAMP, DRL Fuses
G300
Data Communication Schematic Icons
G300
Figure
2:
DLC High Speed Serial Data
Master Electrical Component List
Data Link Communications Description and Operation
Control Module References
Serial Data Wake Up
Power, Ground, and Low Speed GMLAN
Data Communication Schematic Icons
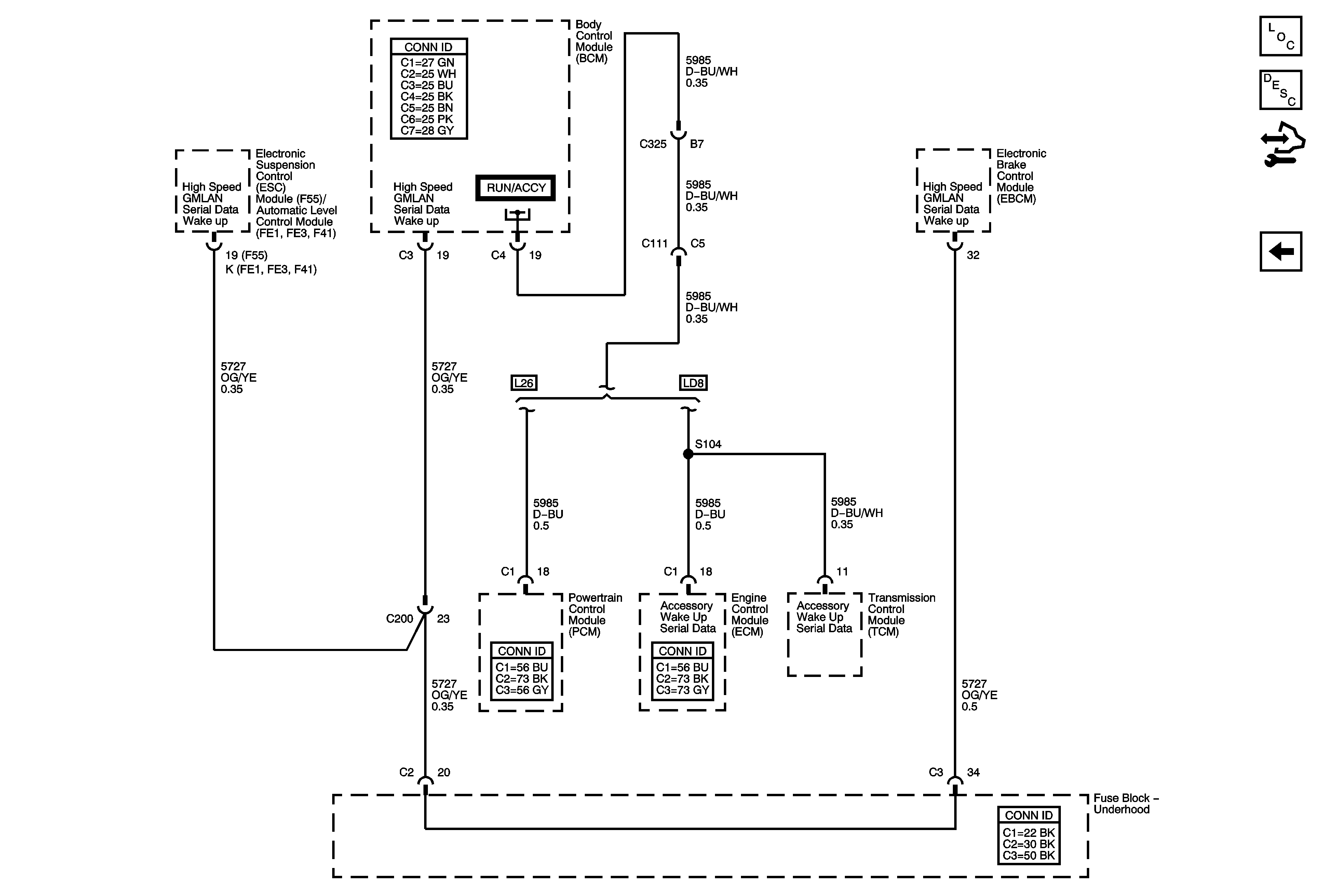
Figure
3:
DLC Serial Data Wake Up
Master Electrical Component List
Data Link Communications Description and Operation
Control Module References
High Speed Serial Data
IGN SWTCH, STR/WHL/ILLUM Fuses