GM Service Manual Online
For 1990-2009 cars only
Makes
🢒
Buick
🢒
2007
🢒
Lucerne
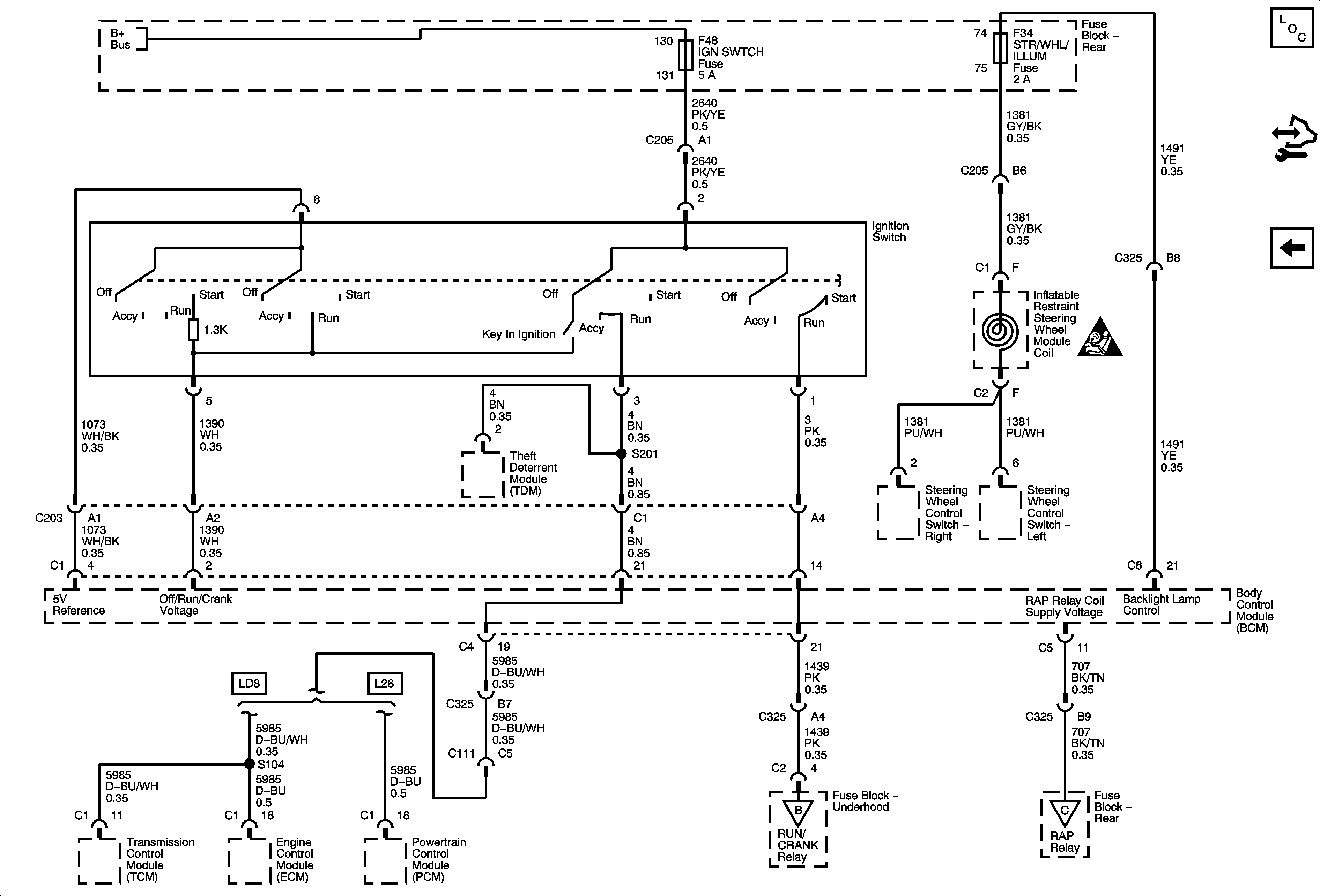
🢒 IGN SWTCH, STR/WHL/ILLUM Fuses
IGN SWTCH, STR/WHL/ILLUM Fuses
Rear Fuse Block - IGN SWITCH, STR/WHL/ILLUM Fuses
Master Electrical Component List
Control Module References
RUN Relay, HTD STR, HTD/COOL/IGN3, BCM LOGIC Fuses
Rear Fuse Block B+
Power and Grounding Schematic Icons
RUN/CRANK Relay, TRANS IGN 3, AIRBAG IGN 3, HVAC/IPC, ECM IGN 3 Fuses
RAP Relay, CTSY/RF TRN, S/ROOF, SHFTR SOL, RAP Fuses