GM Service Manual Online
For 1990-2009 cars only
Makes
🢒
Buick
🢒
2007
🢒
Lucerne
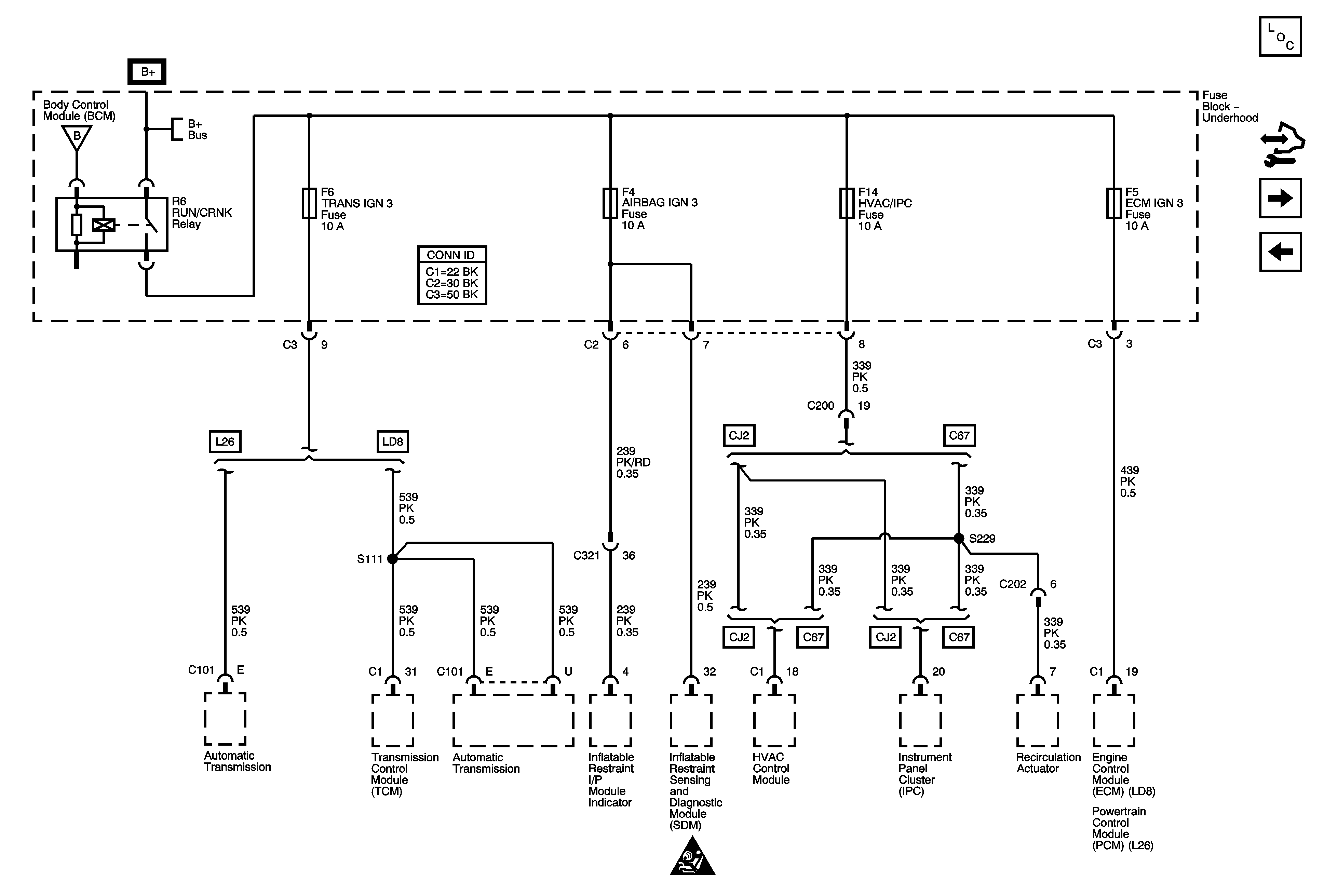
🢒 RUN/CRANK Relay, TRANS IGN 3, AIRBAG IGN 3, HVAC/IPC, ECM IGN 3 Fuses
RUN/CRANK Relay, TRANS IGN 3, AIRBAG IGN 3, HVAC/IPC, ECM IGN 3 Fuses
Underhood Fuse Block - RUN/CRANK Relay, TRANS IGN 3, AIRBAG IGN 3, HVAC/IPC, ECM IGN 3 Fuses
Master Electrical Component List
Control Module References
PWR/TRAIN, AIR PUMP, AIR/SOL Relays, ECM/CRNK, INJ/COIL, PWR TRN, AIR PUMP, AIR/SOL Fuses
TRN/SIG, FOG LAMP, TRN/SIG Relays, LT CRN LAMP, FOG, RT CRN LAMP Fuses
IGN SWTCH, STR/WHL/ILLUM Fuses
Power and Grounding Schematic Icons