GM Service Manual Online
For 1990-2009 cars only
Makes
🢒
Buick
🢒
2007
🢒
Lucerne
🢒
Driver Information and Entertainment
🢒
Displays and Gages
🢒 Audible Warnings Schematics
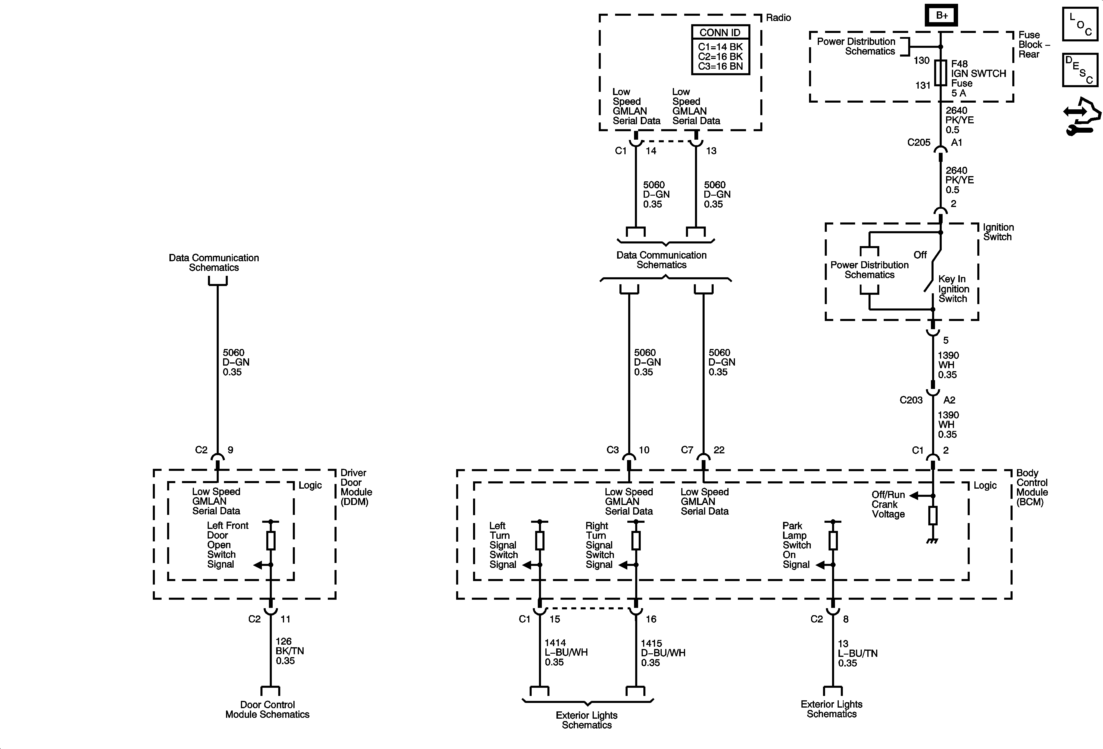
Master Electrical Component List
Audible Warnings Description and Operation
Control Module References
Power, Ground, and Low Speed GMLAN
Power, Ground, and Low Speed GMLAN
Driver Door Module (DDM)
Front Turn Signal/Hazard Lamps
Front Park, Marker Lamps
Rear Fuse Block B+
IGN SWTCH, STR/WHL/ILLUM Fuses