GM Service Manual Online
For 1990-2009 cars only
Makes
🢒
Buick
🢒
2007
🢒
Lucerne
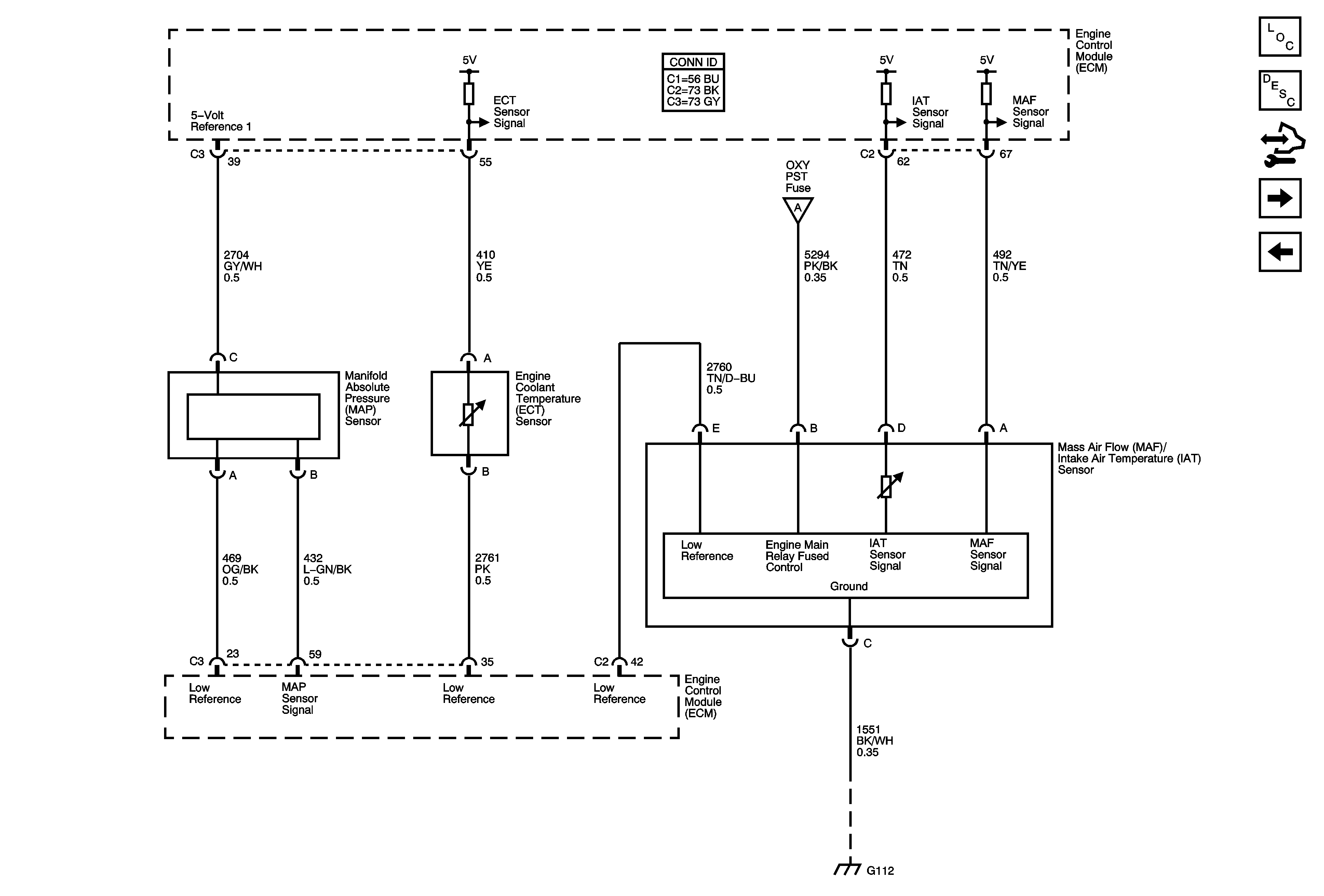
🢒 Engine Data Sensors - Pressure, Temp, and MAF/IAT
Engine Data Sensors - Pressure, Temp, and MAF/IAT
Engine Data Sensors - Pressure, Temp and MAF/IAT
Master Electrical Component List
Engine Control Module Description
Control Module References
Engine Data Sensors - HO2S
Engine Data Sensors - 5V Reference Bussing
Power, Ground, MIL, and DLC
G100, G112 (LD8)