GM Service Manual Online
For 1990-2009 cars only
Makes
🢒
Buick
🢒
2007
🢒
Lucerne
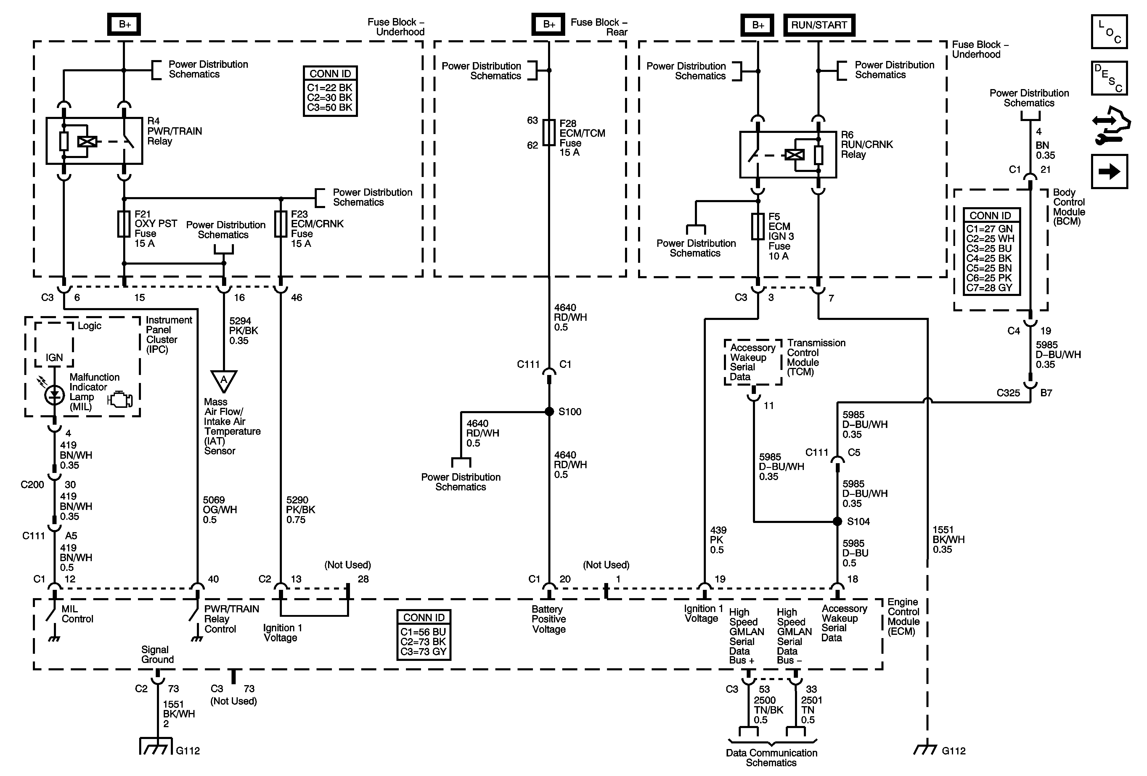
🢒 Power, Ground, MIL, and DLC
Power, Ground, MIL, and DLC
Power, Ground, MIL and DLC
Master Electrical Component List
Engine Control Module Description
Control Module References
Engine Data Sensors - 5V Reference Bussing
Underhood Fuse Block B+
AIR PUMP, AIR/SOL, A/C, COOL/FAN 2, COOL/FAN, COOL/FAN 1 Relays, INJ/COIL, OXY PST Fuses
Underhood Fuse Block B+
Rear Fuse Block B+
Underhood Fuse Block B+
RUN/CRANK Relay, TRANS IGN 3, AIRBAG IGN 3, HVAC/IPC, ECM IGN 3 Fuses
Engine Data Sensors - Pressure, Temp, and MAF/IAT
MSM/RT FRT PWR SEAT, MSM/LT FRT PWR SEAT, MSM Circuit Breakers, ECM/TCM, MSM LOGIC/RF MASSAGE Fuses
G100, G112 (LD8)
High Speed Serial Data
G100, G112 (LD8)