GM Service Manual Online
For 1990-2009 cars only
Makes
🢒
Buick
🢒
2007
🢒
Lucerne
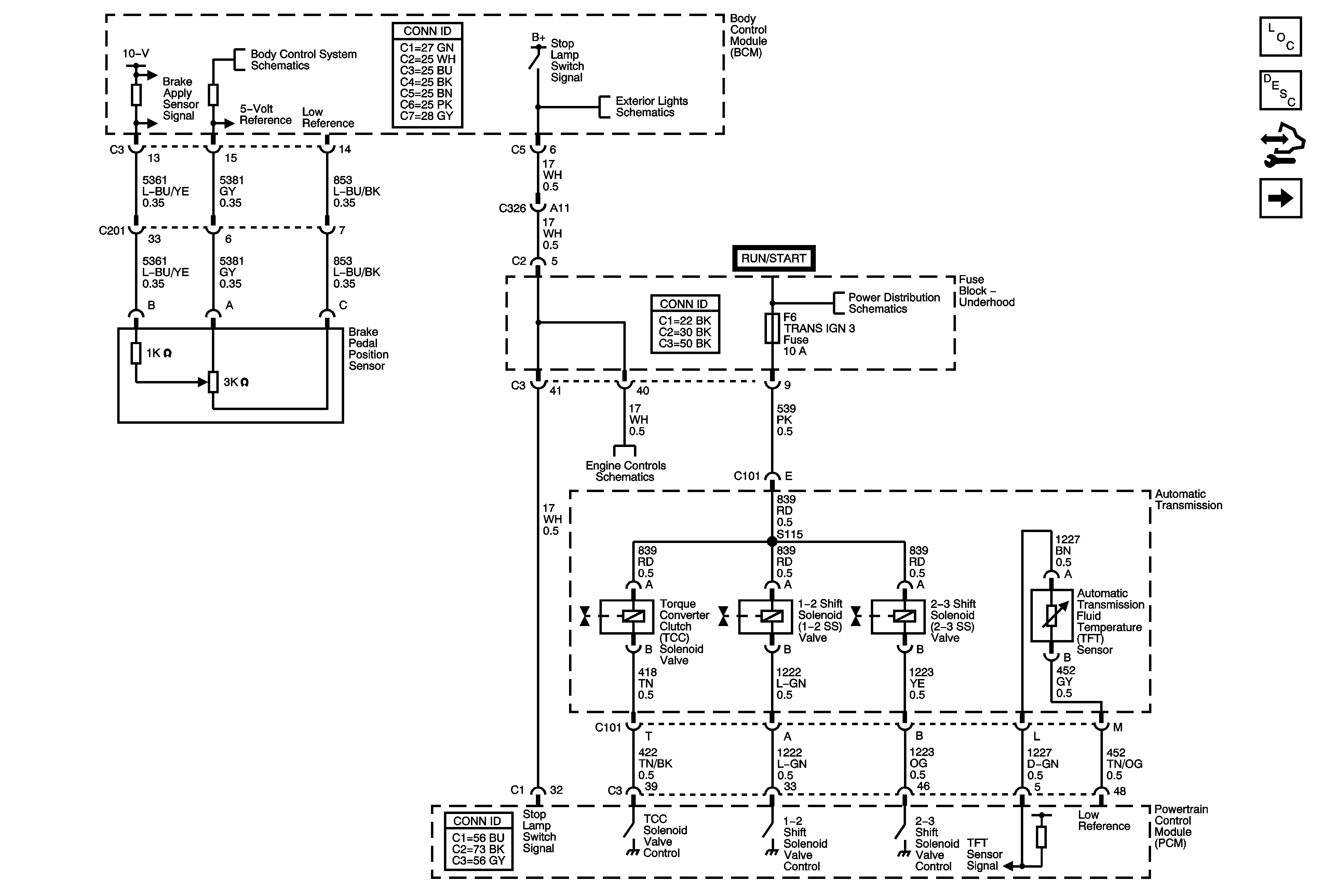
🢒 Stop Lamp Signal, TFT Sensor and TCC, Shift Solenoids
Stop Lamp Signal, TFT Sensor and TCC, Shift Solenoids
Stop Lamp Signal, TFT Sensor and TCC, Shift Solenoids
Master Electrical Component List
Electronic Component Description
Control Module References
VSS and AT ISS Sensors, Pressure Control Solenoid Valve, and TCC Release Switch
BCM Inputs and Outputs, 1 of 4
Rear Stop/Turn Signal Lamps
Engine Data Sensors - APP and TAC
Underhood Fuse Block B+