GM Service Manual Online
For 1990-2009 cars only
Makes
🢒
Buick
🢒
2007
🢒
Lucerne
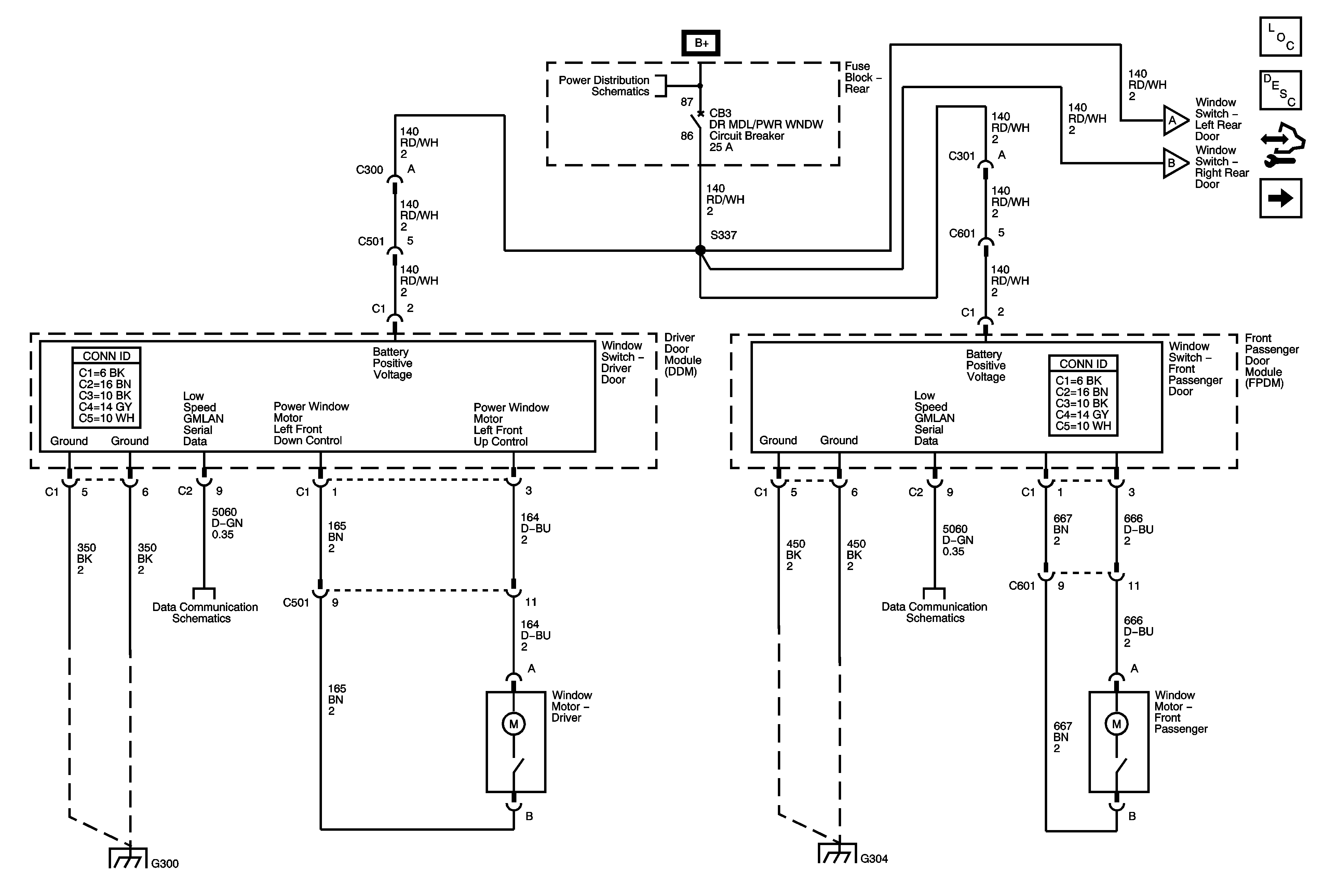
🢒 Front Window Switches and Motors
Front Window Switches and Motors
Front Window Switches and Motors
Master Electrical Component List
Power Windows Description and Operation
Control Module References
Rear Window Switches and Motors
Rear Fuse Block B+
Rear Window Switches and Motors
Rear Window Switches and Motors
Power, Ground, and Low Speed GMLAN
G300
Power, Ground, and Low Speed GMLAN
G304