GM Service Manual Online
For 1990-2009 cars only
Makes
🢒
Buick
🢒
2007
🢒
Lucerne
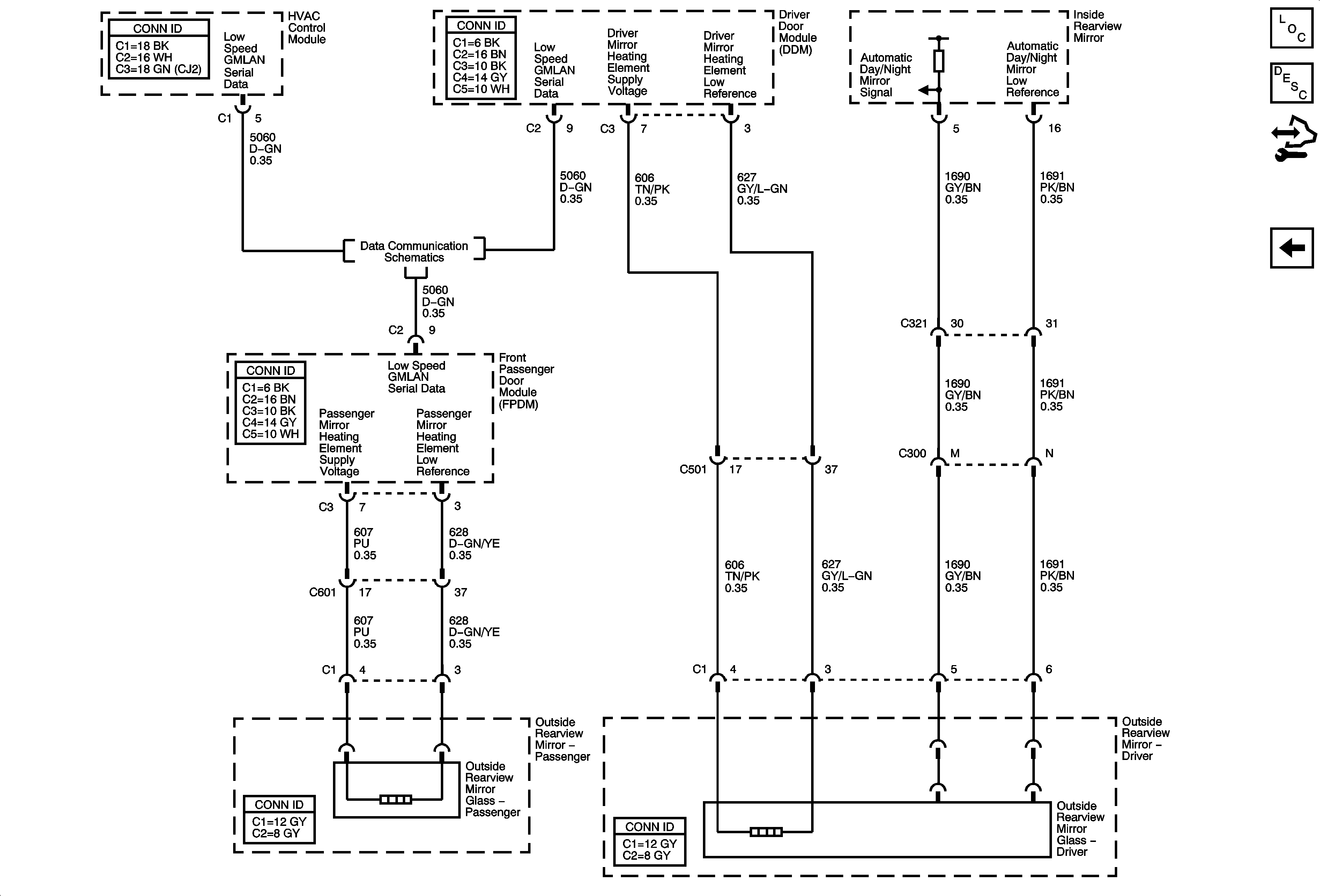
🢒 Heated Mirrors w/ DR2
Heated Mirrors w/ DR2
Heated Mirrors w/DR2
Master Electrical Component List
Outside Mirror Description and Operation
Control Module References
Passenger Outside Rearview Mirror
Power, Ground, and Low Speed GMLAN