GM Service Manual Online
For 1990-2009 cars only
Makes
🢒
Buick
🢒
2007
🢒
Lucerne
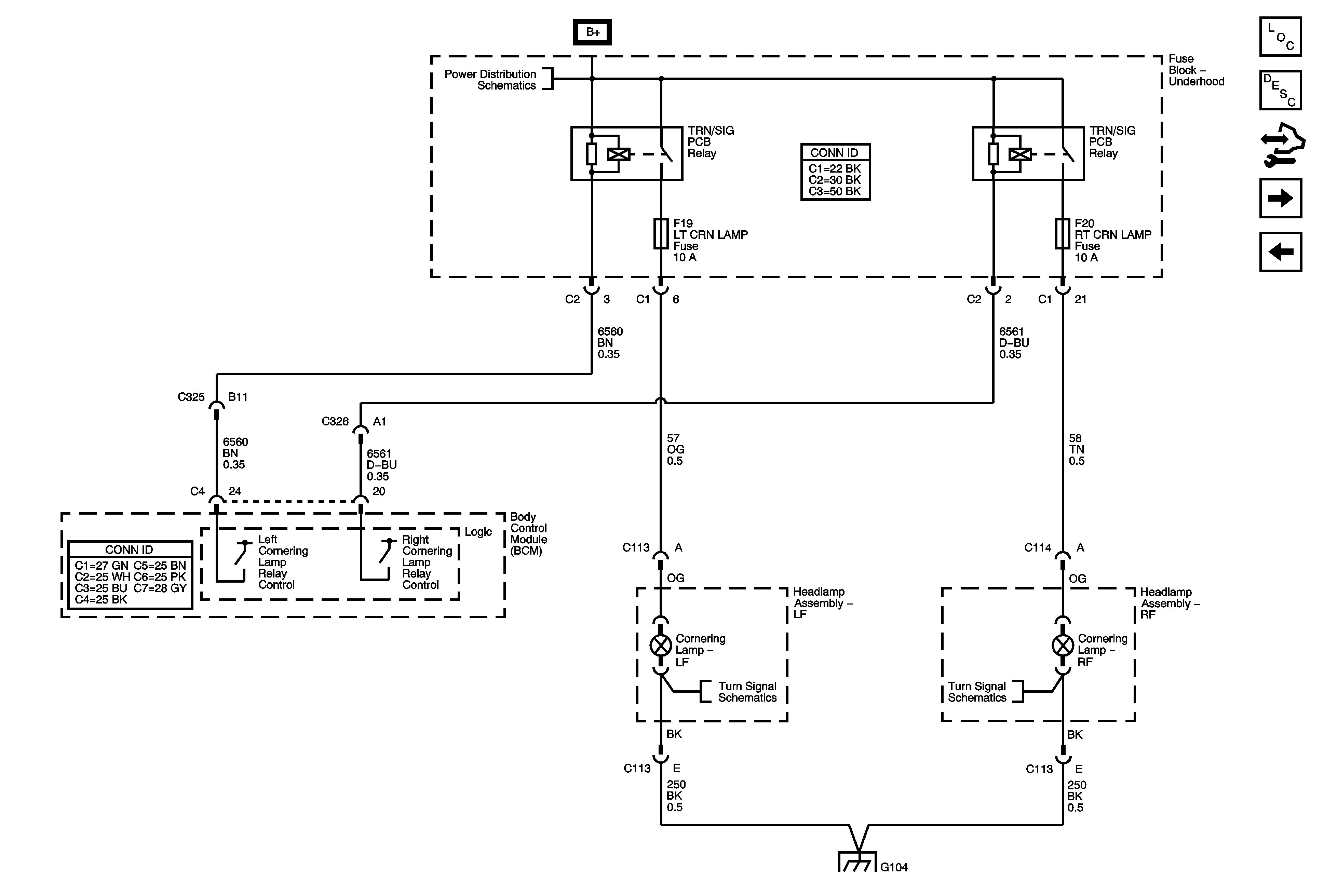
🢒 Cornering Lamps
Cornering Lamps
Cornering Lamps
Master Electrical Component List
Exterior Lighting Systems Description and Operation
Control Module References
Rear Stop/Turn Signal Lamps
Front Turn Signal/Hazard Lamps
Underhood Fuse Block B+
Front Park, Marker Lamps
Front Park, Marker Lamps
G104