GM Service Manual Online
For 1990-2009 cars only
Makes
🢒
Buick
🢒
1998
🢒
Park Avenue
🢒
Body and Accessories
🢒
Seats
🢒 Lumbar Support Schematics
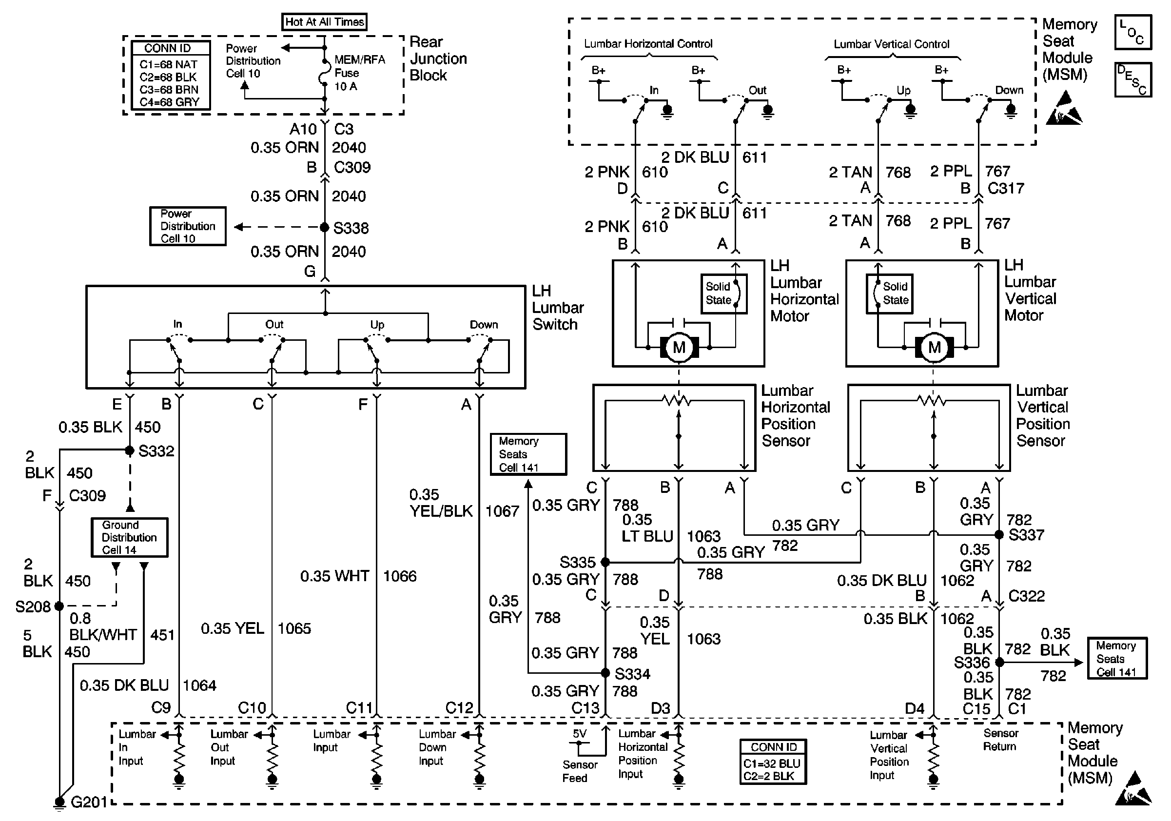
Figure
1:
Cell 142: Memory Lumbar
Power and Grounding Connector End Views
Power Distribution Schematics
Memory Seats Schematics
Power Distribution Schematics
Power Lumbar Circuit Description
Power Seat Systems Components
Handling ESD Sensitive Parts Notice
Power Seat Connector End Views
Memory Seats Schematics
Ground Distribution Schematics
Handling ESD Sensitive Parts Notice
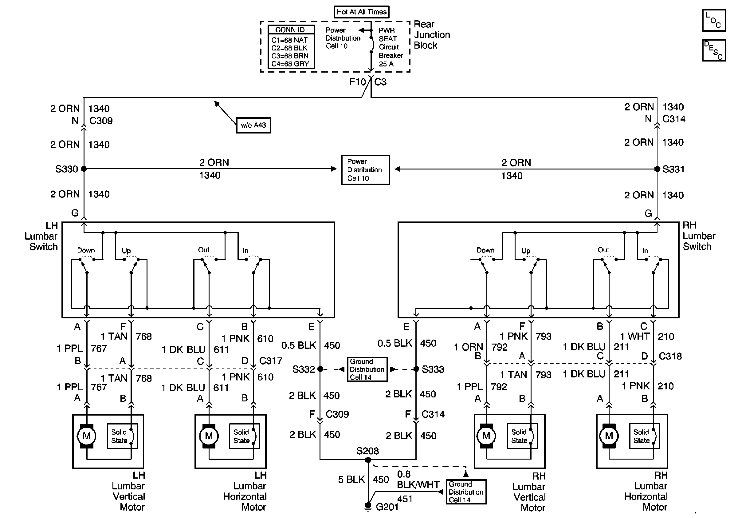
Figure
2:
Cell 142: Power Lumbar
Power and Grounding Connector End Views
Power Distribution Schematics
Ground Distribution Schematics
Ground Distribution Schematics
Power Lumbar Circuit Description
Power Seat Systems Components
Power Distribution Schematics