GM Service Manual Online
For 1990-2009 cars only
Makes
🢒
Buick
🢒
1998
🢒
Park Avenue
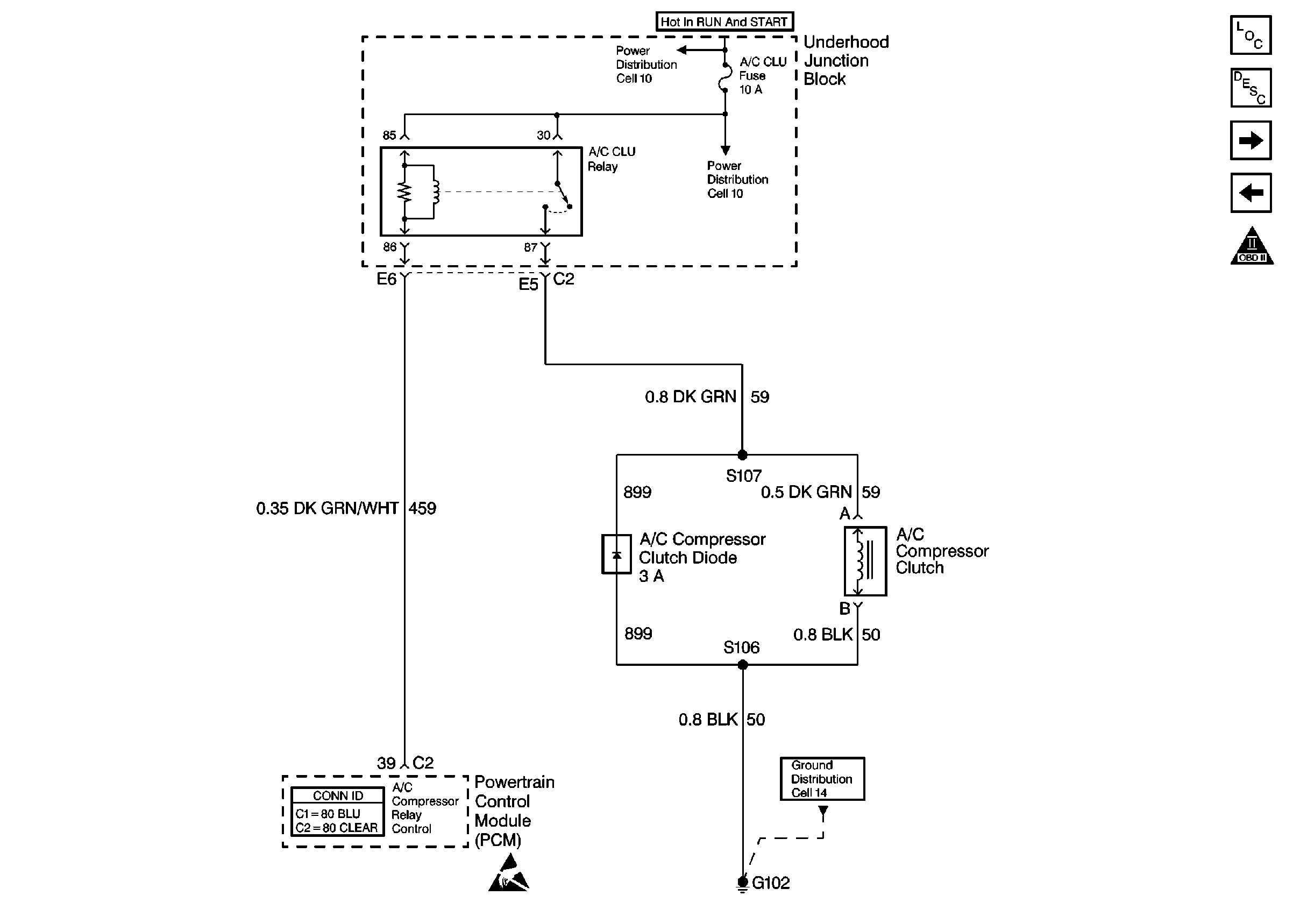
🢒 Cell 20: Engine Controls - PCM A/C Compressor Control
Cell 20: Engine Controls - PCM A/C Compressor Control
Cell 20: Engine Controls -- PCM A/C Compressor Control
Engine Controls Components
Powertrain Control Module Description
Cell 20: Engine Controls - PCM Cooling Fans Control
Cell 20: Engine Controls - PCM ABS/TCC Switch and 4T65-EAutomatic Transaxle Controls (Solenoids)
OBD II Symbol Description Notice
Handling ESD Sensitive Parts Notice
Ground Distribution Schematics
Power Distribution Schematics
Power Distribution Schematics