GM Service Manual Online
For 1990-2009 cars only
Makes
🢒
Buick
🢒
1998
🢒
Park Avenue
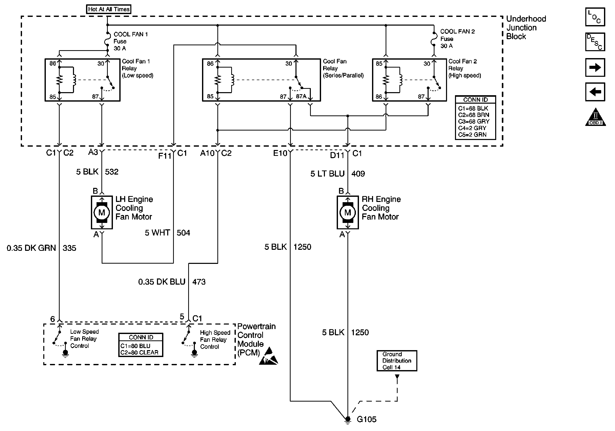
🢒 Cell 20: Engine Controls - PCM Cooling Fans Control
Cell 20: Engine Controls - PCM Cooling Fans Control
Cell 20: Engine Controls -- PCM Cooling Fans Control
Ground Distribution Schematics
Engine Controls Components
Powertrain Control Module Description
Cell 20: Engine Controls - PCM A/C Compressor Control
OBD II Symbol Description Notice
Handling ESD Sensitive Parts Notice