GM Service Manual Online
For 1990-2009 cars only
Makes
🢒
Buick
🢒
1998
🢒
Park Avenue
🢒 Cell 61
Cell 61
Cell 61
Handling ESD Sensitive Parts Notice
Handling ESD Sensitive Parts Notice
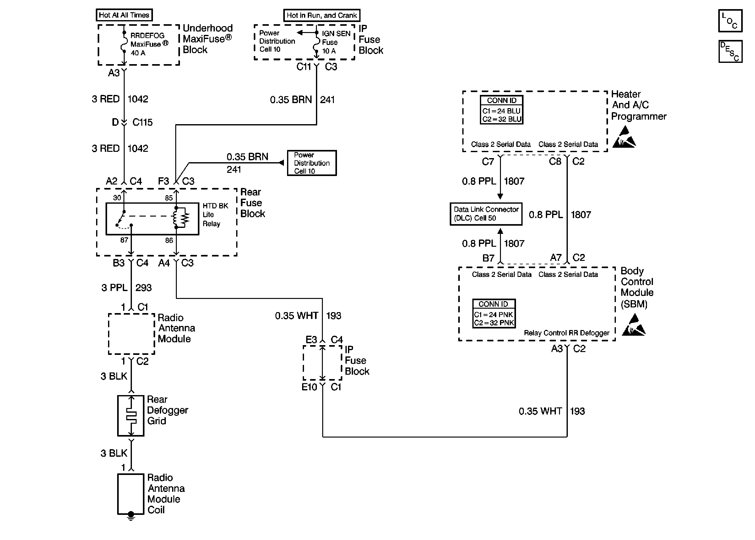
Cell 10: IGN SEN, ABS, RR DEFOG and AUXOT LT Fuses
Cell 10: IGN SEN, ABS, RR DEFOG and AUXOT LT Fuses
Body Control System Connector End Views
HVAC Connector End Views
Stationary Windows Components
Rear Window Defogger Description
Cell 50: Class 2 Serial Data Line