GM Service Manual Online
For 1990-2009 cars only
Makes
🢒
Buick
🢒
1998
🢒
Park Avenue
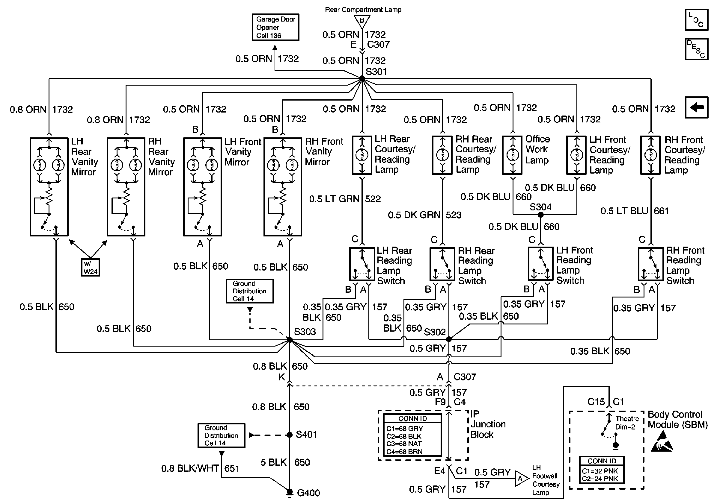
🢒 Cell 114: Vanity Mirrors and Courtesy/Reading Lamps
Cell 114: Vanity Mirrors and Courtesy/Reading Lamps
Cell 114: Vanity Mirrors and Courtesy/Reading Lamps
Cell 136
Ground Distribution Schematics
Cell 114: Auxiliary Lighting Control, RH Door Courtesy Lamps, and Rear COmpartment Lamp
Power and Grounding Connector End Views
Cell 114: courtesy Lamp Switch, Footwell Lamps, LH Door Courtesy Lamps, and IP Compartment Lamp
Body Control System Connector End Views
Handling ESD Sensitive Parts Notice
Ground Distribution Schematics
Interior Lighting System Description
Cell 114: Auxiliary Lighting Control, RH Door Courtesy Lamps, and Rear COmpartment Lamp
Lighting Systems Components