GM Service Manual Online
For 1990-2009 cars only
Makes
🢒
Buick
🢒
1999
🢒
Park Avenue
🢒
Body and Accessories
🢒
Roof
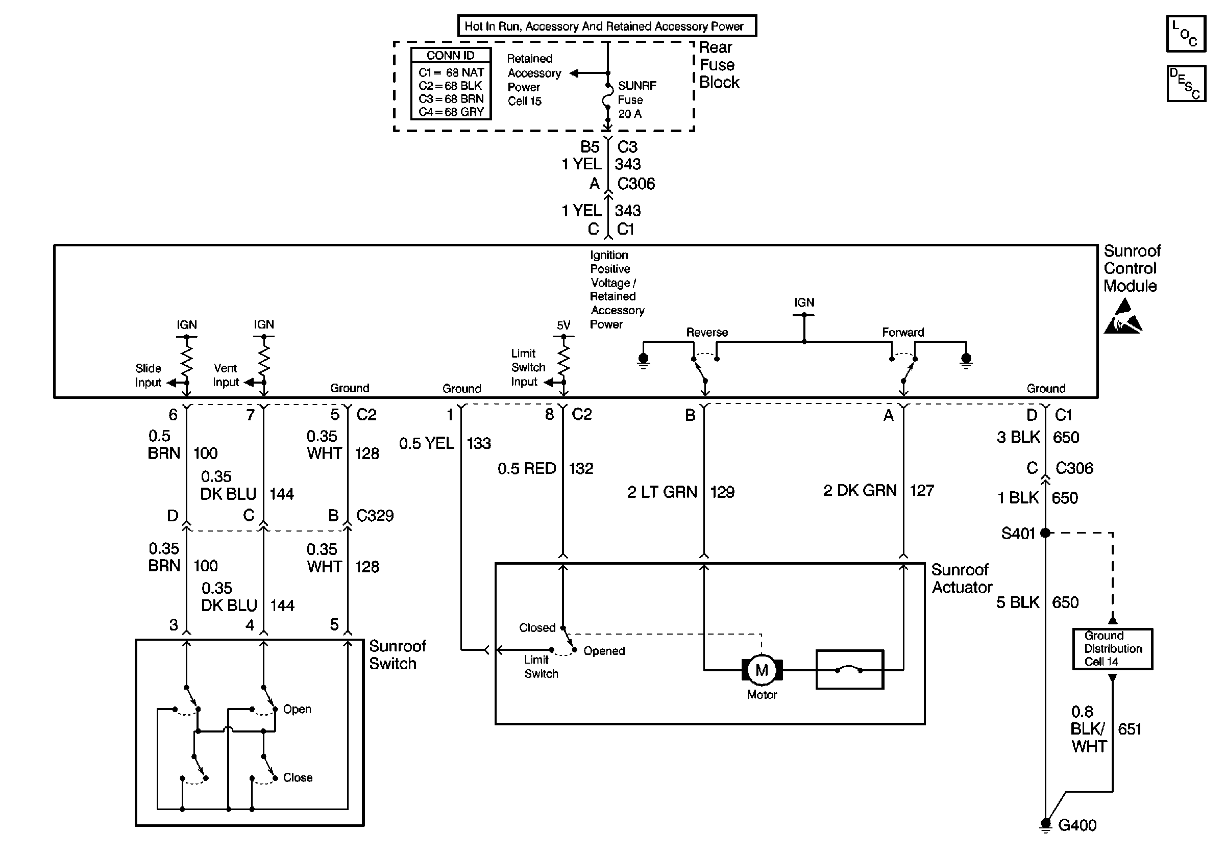
🢒 Sunroof Schematics
Cell 122
Power Roof Systems Components
Power Sunroof Circuit Description
Handling ESD Sensitive Parts Notice
Cell 14: G400 (1 of 2)
Cell 15