GM Service Manual Online
For 1990-2009 cars only
Makes
🢒
Buick
🢒
1999
🢒
Park Avenue
🢒
Body and Accessories
🢒
Seats
🢒 Lumbar Support Schematics
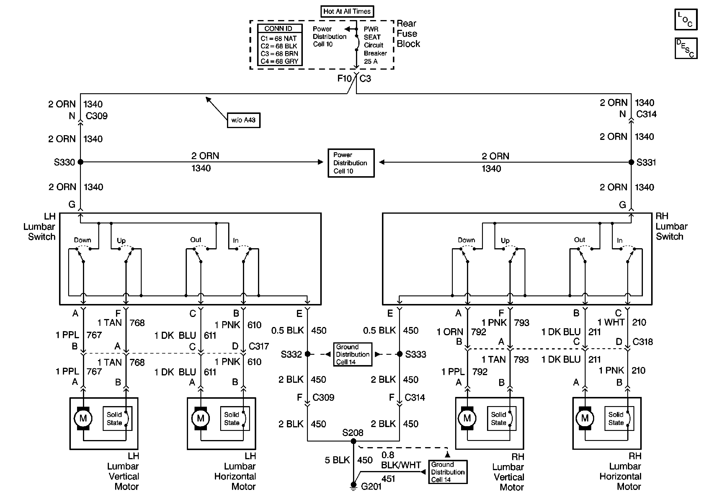
Lumbar Support Schematics W01
Cell 142: Power Lumbar
Power Seat Systems Components
Power Lumbar Circuit Description
Power and Grounding Connector End Views
Power Distribution Schematics
Power Distribution Schematics
Ground Distribution Schematics
Ground Distribution Schematics
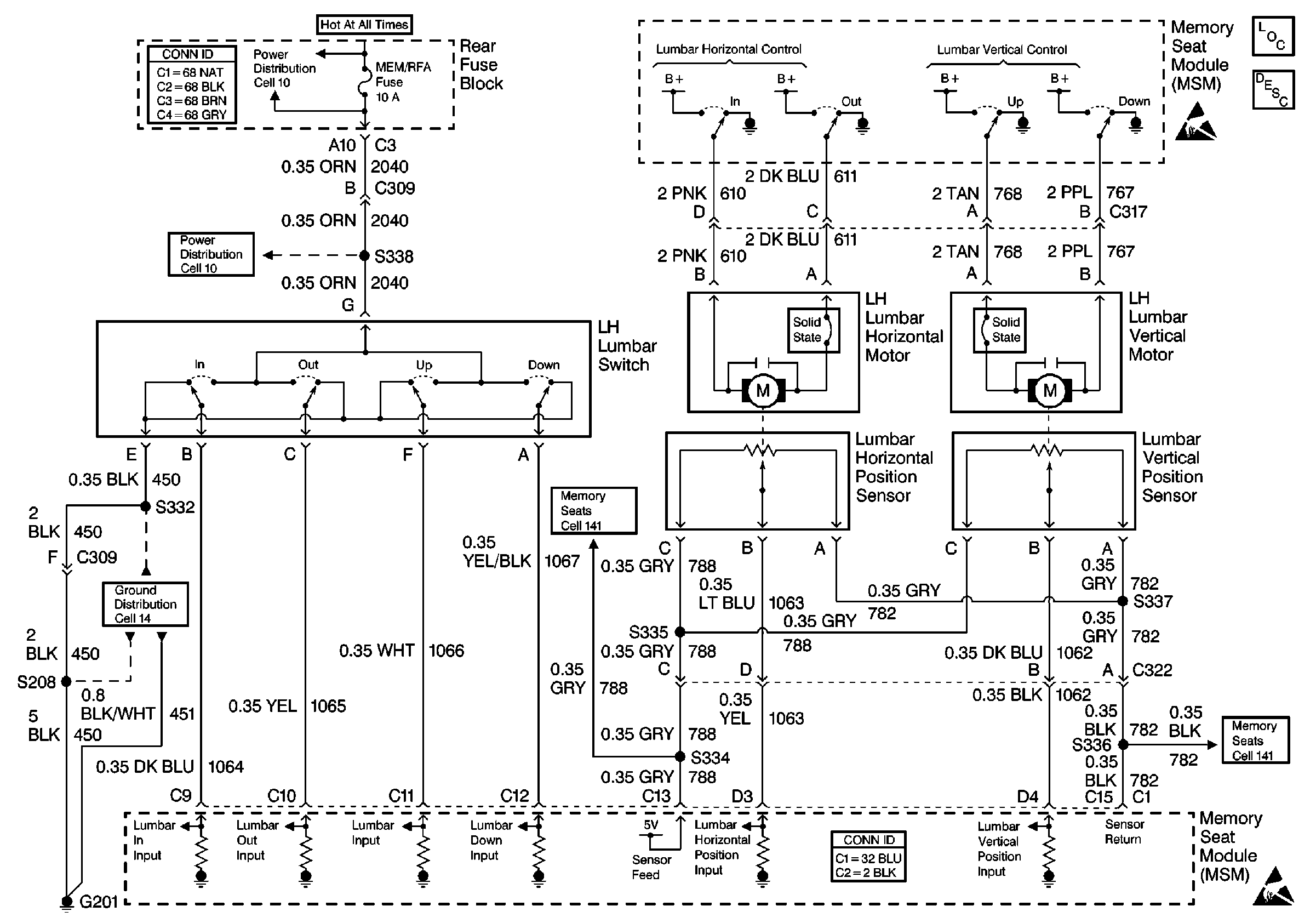
Lumbar Support Schematics A43
Cell 142: Memory Lumbar
Power Seat Systems Components
Power Lumbar Circuit Description
Power and Grounding Connector End Views
Power Distribution Schematics
Ground Distribution Schematics
Memory Seats Schematics
Handling ESD Sensitive Parts Notice
Power Seat Connector End Views
Memory Seats Schematics
Power Distribution Schematics
Handling ESD Sensitive Parts Notice