GM Service Manual Online
For 1990-2009 cars only
Figure 1:

Power and Ground


Object Number: 565041  Size: FS
Body Control Module Components
Body Control System Circuit Description
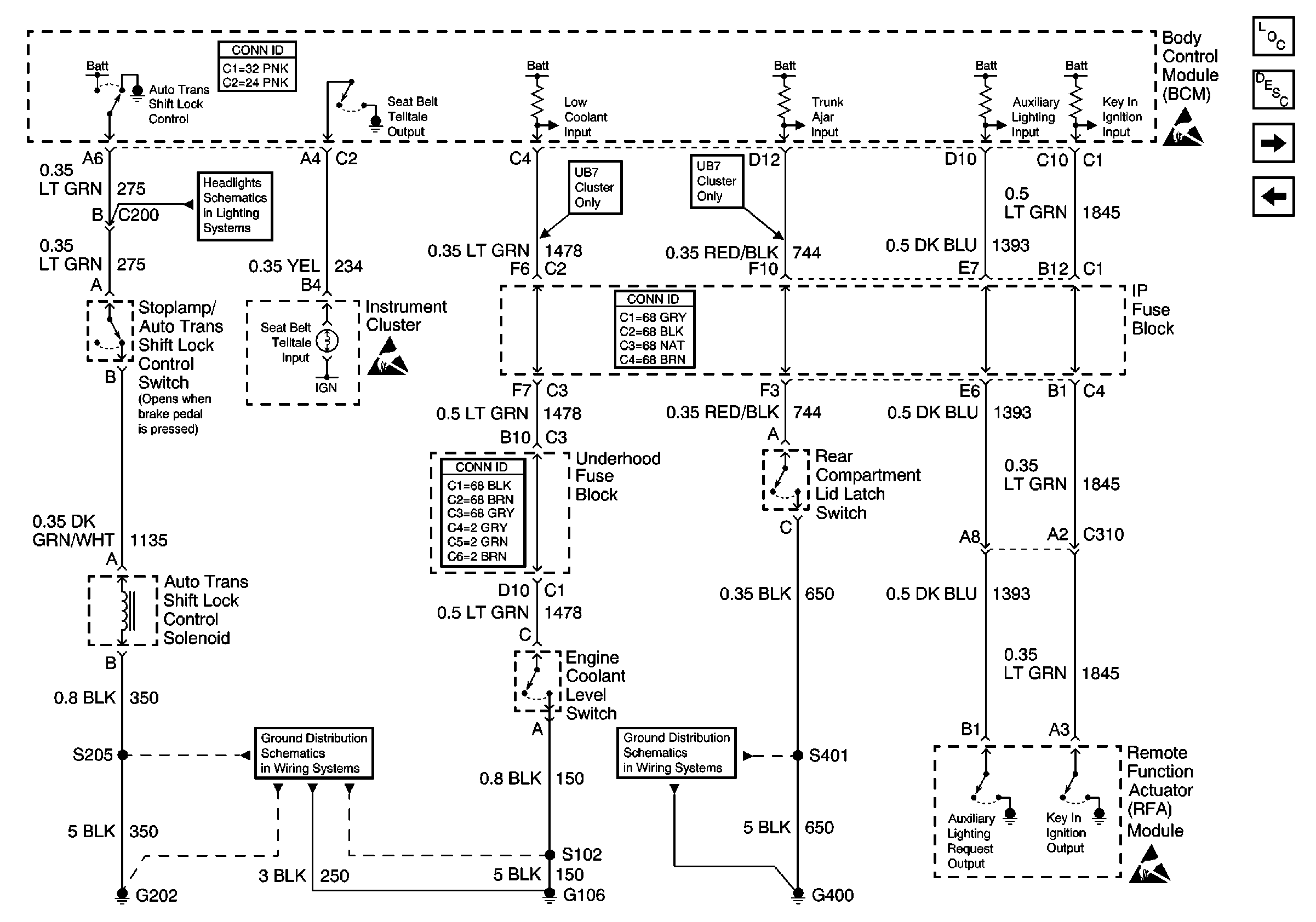
Inputs and Outputs (1 of 3)
Underhood Fuse Block, CRANK, PCM/CRUISE AND SBM Fuses
Underhood Fuse Block, BAT 1 Fuse/Rear Fuse Block, RDM, C/LTR, DDM, HTDST L and TRK REL Fuses/ IP Fuse Block, PDM, SBM and CSTR/SBM Fuses
Underhood Fuse Block, CRANK, PCM/CRUISE AND SBM Fuses
Underhood Fuse Block, OXYGEN SENSOR and IGN-1 Fuses
Underhood Fuse Block, BAT 1 Fuse/Rear Fuse Block, RDM, C/LTR, DDM, HTDST L and TRK REL Fuses/ IP Fuse Block, PDM, SBM and CSTR/SBM Fuses
Underhood Fuse Block, BAT 1 Fuse/Rear Fuse Block, RDM, C/LTR, DDM, HTDST L and TRK REL Fuses/ IP Fuse Block, PDM, SBM and CSTR/SBM Fuses
Underhood Fuse Block, OXYGEN SENSOR and IGN-1 Fuses
Courtesy Lamp Switch, LH Door Courtesy Lamps, and IP Compartment Lamp
Handling ESD Sensitive Parts Notice
G202, 2 of 4
Figure 2:

Inputs and Outputs (1 of 3)


Object Number: 565044  Size: FS
Body Control Module Components
Body Control System Circuit Description
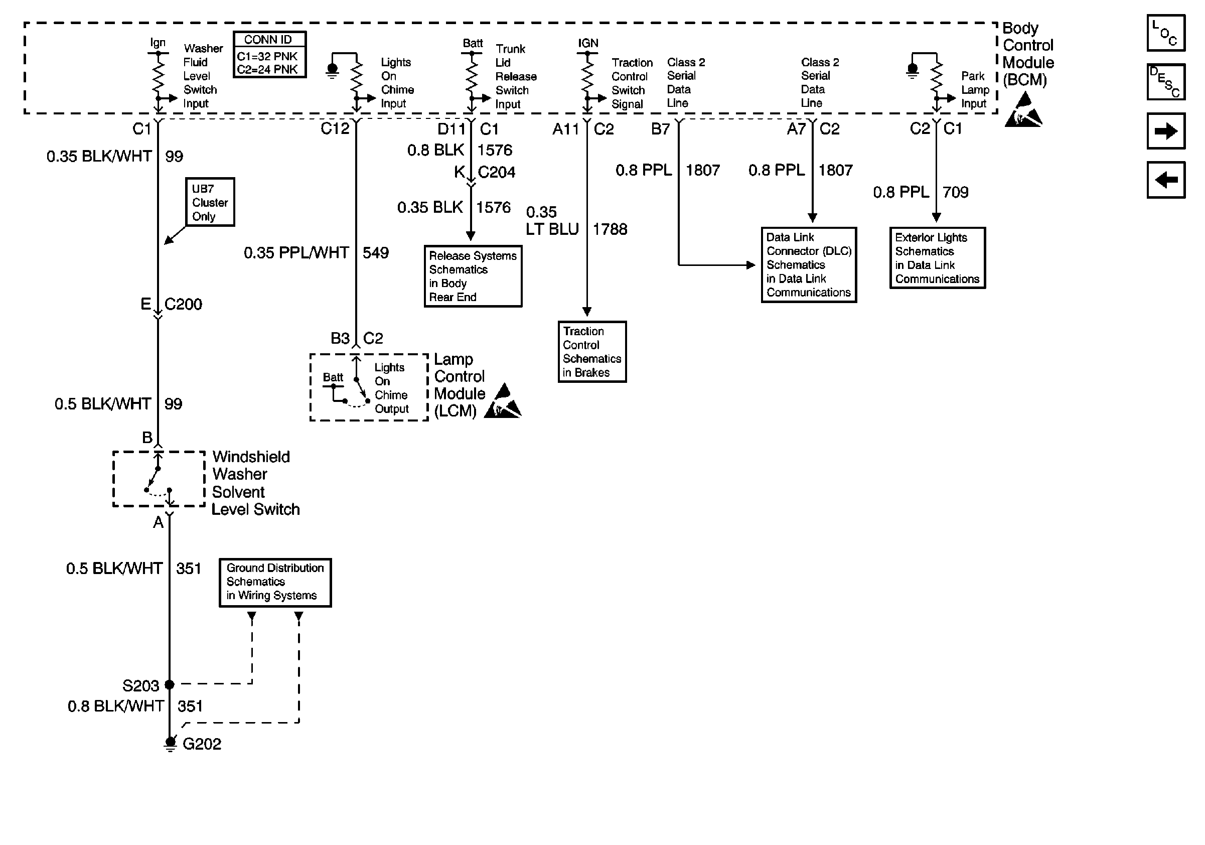
Inputs and Outputs (2 of 3)
Power and Ground
Handling ESD Sensitive Parts Notice
Handling ESD Sensitive Parts Notice
Handling ESD Sensitive Parts Notice
G104 and G106
G400, 1 of 2
Headlamp Dimmer, Park Gear Input, and High Beam Indicator
Figure 3:

Inputs and Outputs (2 of 3)


Object Number: 565048  Size: FS
Body Control Module Components
Body Control System Circuit Description
Inputs and Outputs (3 of 3)
Inputs and Outputs (1 of 3)
Rear Compartment Lid Release
Traction Control (w/NW9) and Variable Effort Steering (w/NV8)
Class 2 Serial Data Line
LH Park Lamps
Handling ESD Sensitive Parts Notice
G202, 1 of 4
Handling ESD Sensitive Parts Notice
Figure 4:

Inputs and Outputs (3 of 3)


Object Number: 565050  Size: FS
Body Control Module Components
Body Control System Circuit Description
Inputs and Outputs (2 of 3)
Handling ESD Sensitive Parts Notice
Heated Seats Schematics: LH Heated Seat
00 C Audible Warning Schematics
Courtesy Lamp Switch, LH Door Courtesy Lamps, and IP Compartment Lamp
00_C Rear Defog Schematic