GM Service Manual Online
For 1990-2009 cars only
Makes
🢒
Buick
🢒
2000
🢒
Park Avenue
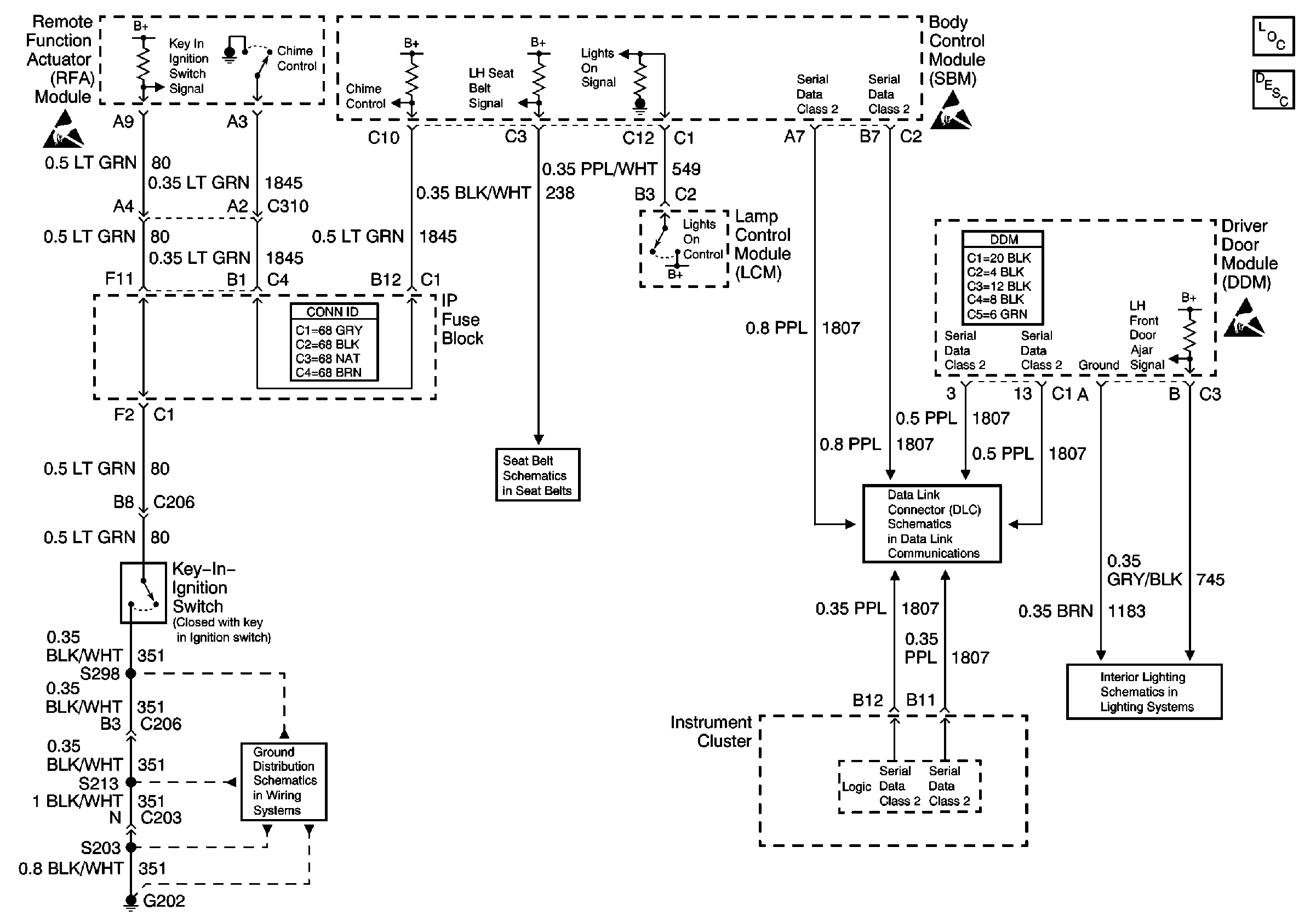
🢒 00 C Audible Warning Schematics
00 C Audible Warning Schematics
Audible Warnings Components
Audible Warnings Description
Handling ESD Sensitive Parts Notice
Handling ESD Sensitive Parts Notice
Handling ESD Sensitive Parts Notice
Seat Belt Schematic
Class 2 Serial Data Line
Door Open Inputs
G202, 2 of 4
G202, 1 of 4