GM Service Manual Online
For 1990-2009 cars only
Makes
🢒
Buick
🢒
2000
🢒
Park Avenue
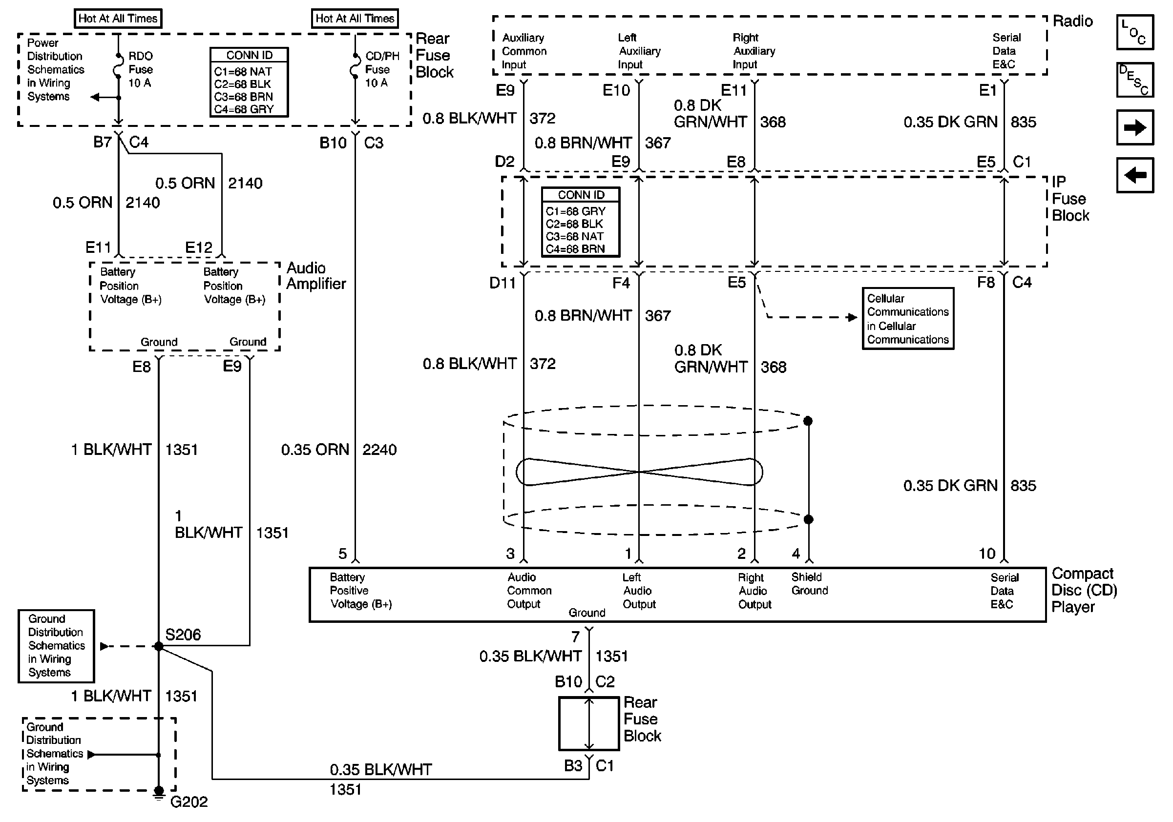
🢒 Amplifier and Remote CD Power and Grounds
Amplifier and Remote CD Power and Grounds
Amplifier and Remote CD Power and Grounds
G202, 3 of 4
G202, 3 of 4
Radio Power and Grounds
Radio/Audio System Circuit Description
Entertainment Components
Radio Speaker Output (UW6)
Figure Cellular Comm Schematic
Rear Fuse Block, RDO, RDO/PH and CD/PH Fuses