GM Service Manual Online
For 1990-2009 cars only
Figure 1:

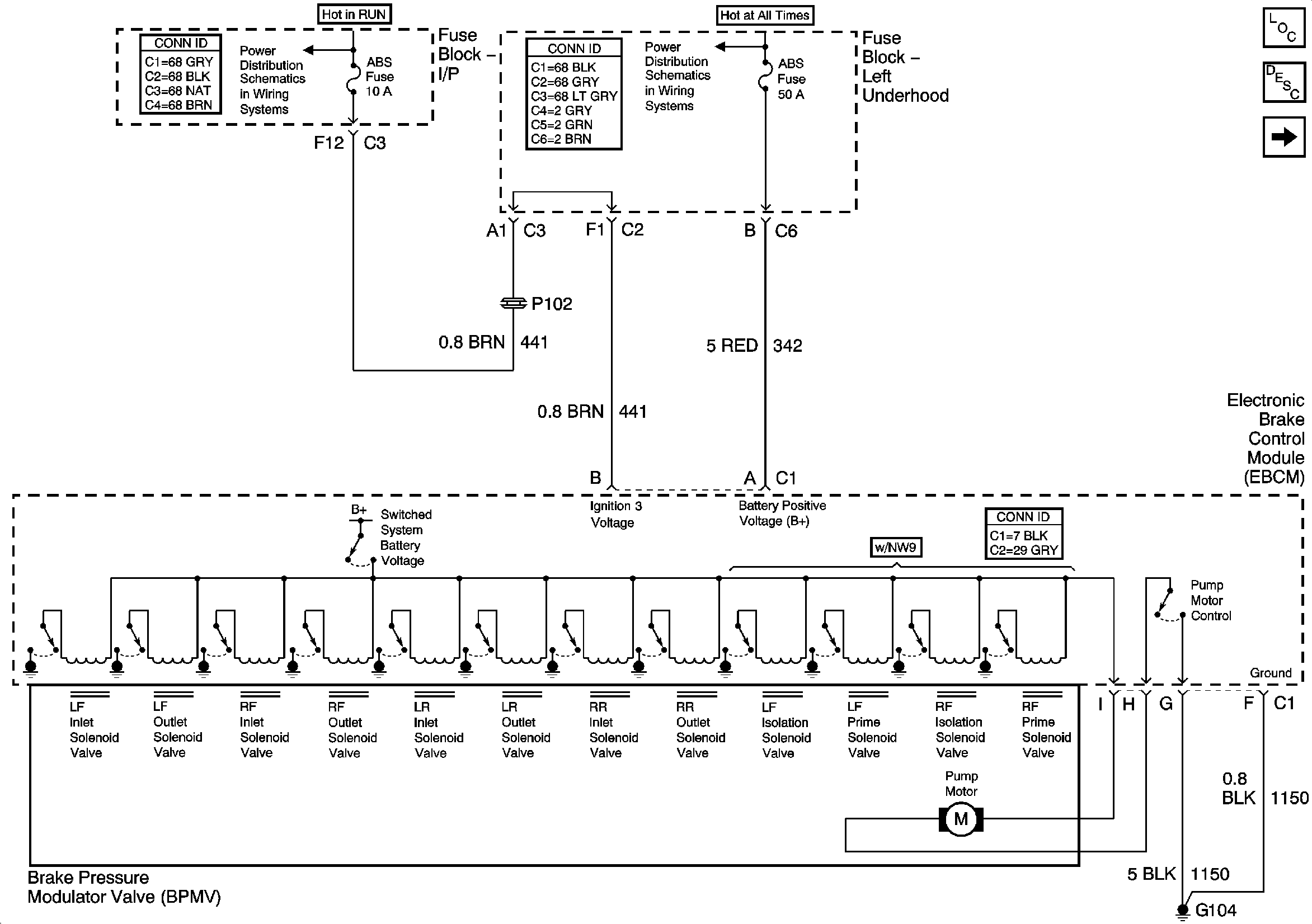
Power, Ground, Solenoid Valves and Pump Motor


Object Number: 660985  Size: FS
Master Electrical Component List
ABS Description and Operation
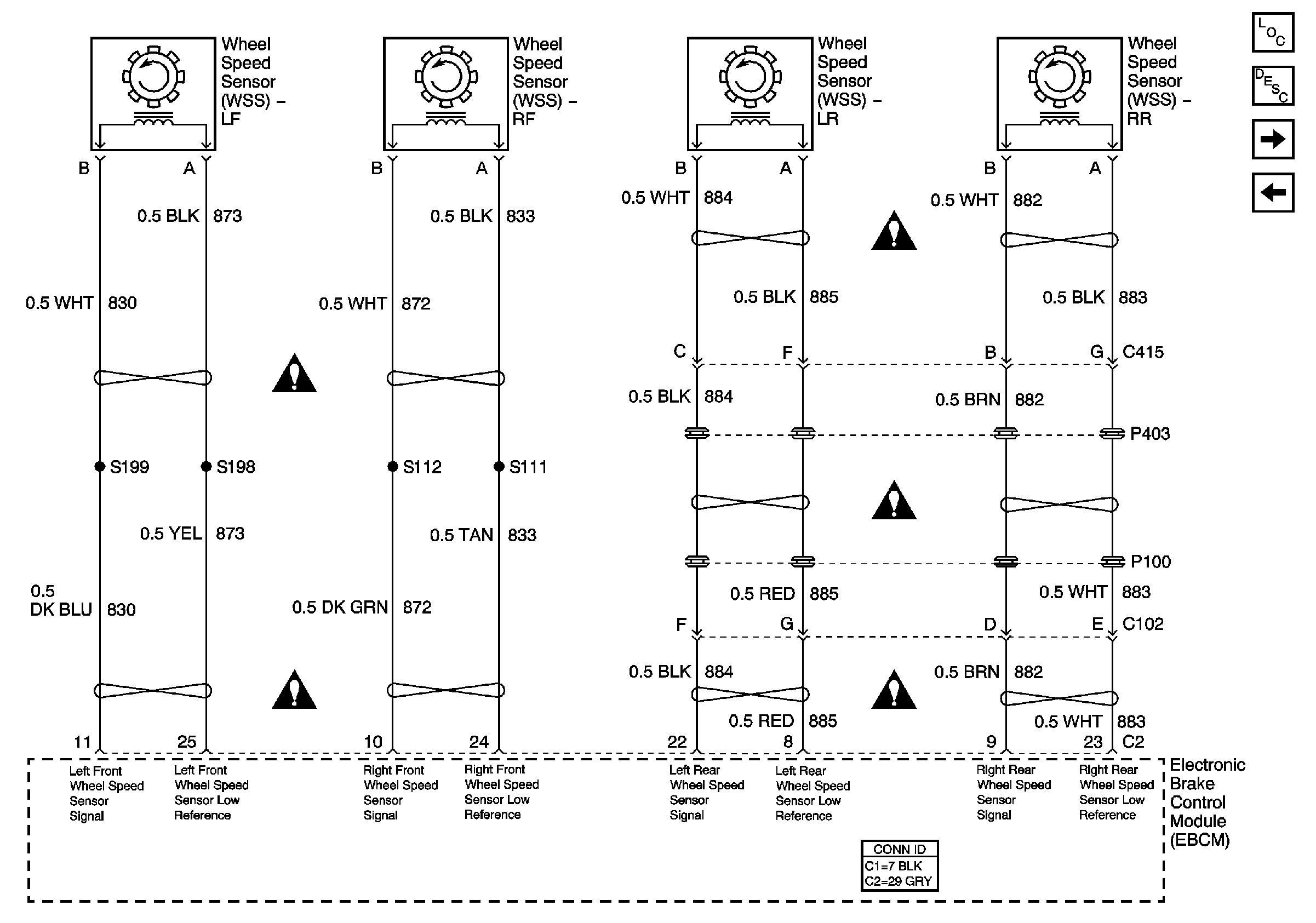
Wheel Speed Sensors
Underhood Fuse Block- IGN Fuse/ IP Fuse Block- RUN Fuse, IGN 3 and ACCY Relay
Underhood Fuse Block and Underhood Maxi-Fuse Block
Figure 2:

Wheel Speed Sensors


Object Number: 660986  Size: FS
Master Electrical Component List
ABS Description and Operation
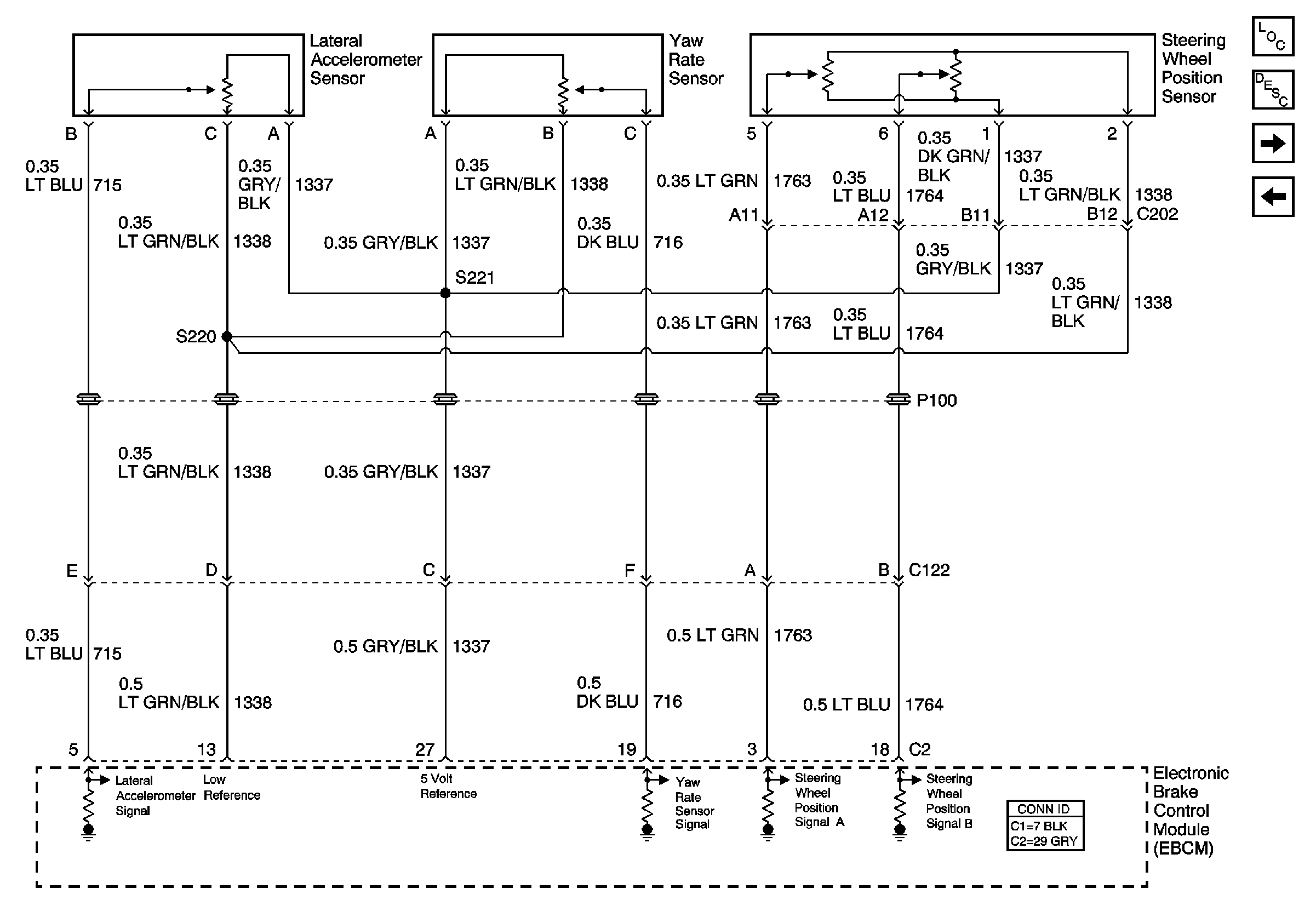
Vehicle Stability Enhancement System (w/JL4)
Power, Ground, Solenoid Valves and Pump Motor
Figure 3:

Vehicle Stability Enhancement System (w/JL4)


Object Number: 660987  Size: FS
Master Electrical Component List
ABS Description and Operation
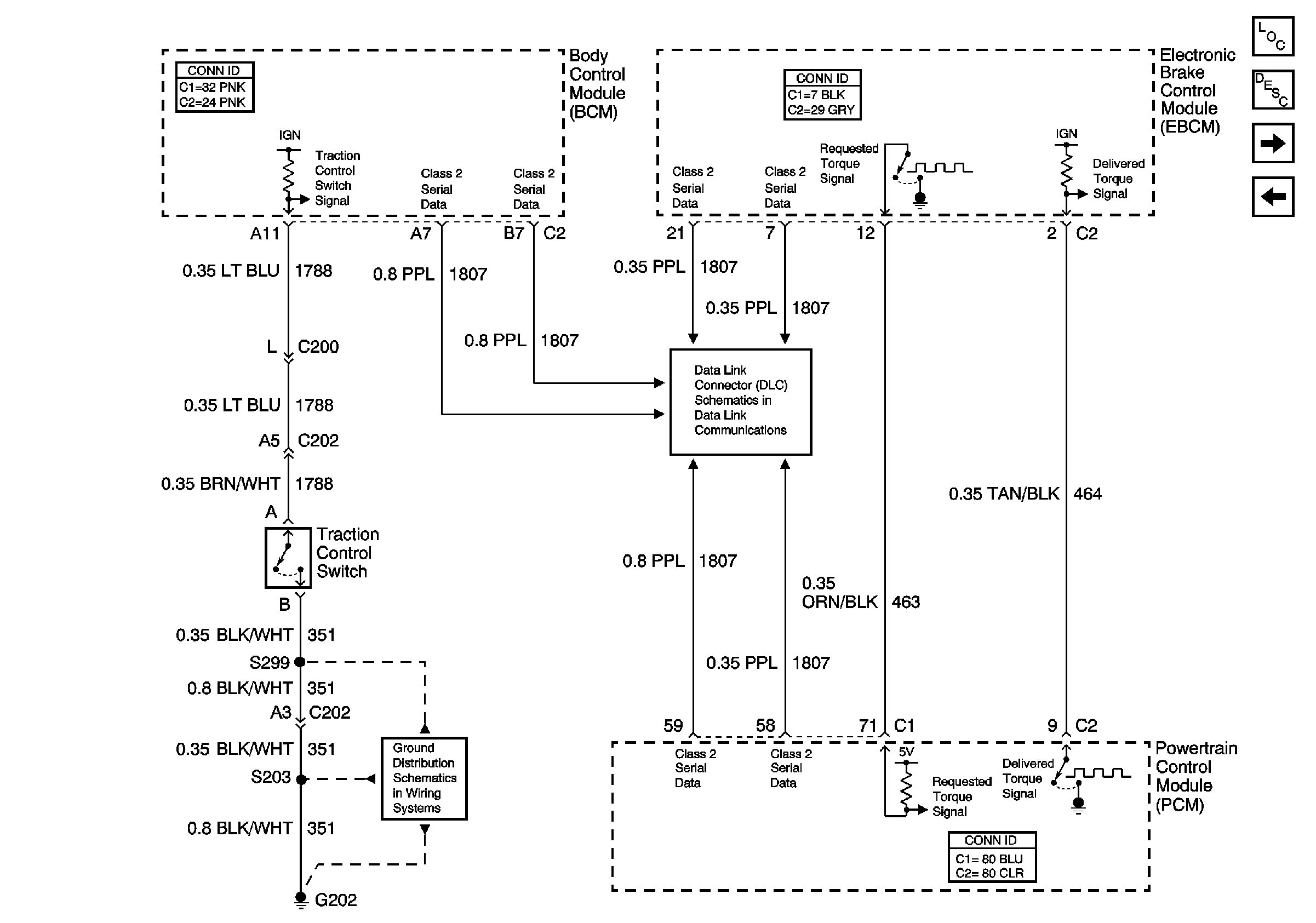
Traction Control (w/NW9) and Variable Effort Steering (w/NV8)
Wheel Speed Sensors
Figure 4:

Traction Control (w/NW9) and Variable Effort Steering (w/NV8)


Object Number: 660989  Size: FS
Master Electrical Component List
ABS Description and Operation
Indicators and Stoplamp Switch
Vehicle Stability Enhancement System (w/JL4)
G202 (1 of 4)
Class 2 Serial Data Line
Figure 5:

Indicators and Stoplamp Switch


Object Number: 660990  Size: FS
Master Electrical Component List
ABS Description and Operation
Traction Control (w/NW9) and Variable Effort Steering (w/NV8)
Class 2 Serial Data Line
Underhood Fuse Block and Underhood Maxi-Fuse Block
Stop Lamps
Stop Lamps
Underhood Fuse Block- BLO MOT, COOL FAN 2, HORN, and STOP Fuses