GM Service Manual Online
For 1990-2009 cars only
Makes
🢒
Buick
🢒
2001
🢒
Park Avenue
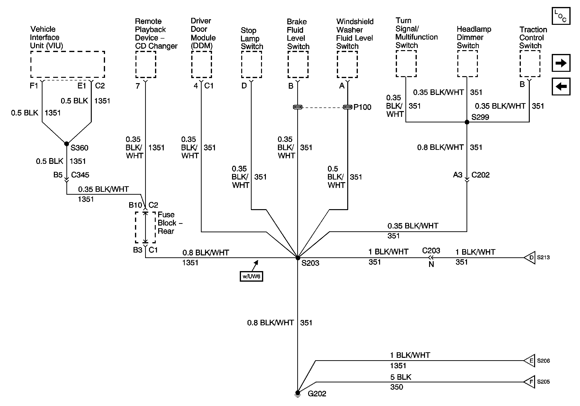
🢒 G202 (1 of 4)
G202 (1 of 4)
G202 (1 of 4)
Master Electrical Component List
G202 (2 of 4)
G201 (2 of 2)
G202 (2 of 4)
G202 (3 of 4)
G202 (4 of 4)