GM Service Manual Online
For 1990-2009 cars only
Makes
🢒
Buick
🢒
2001
🢒
Park Avenue
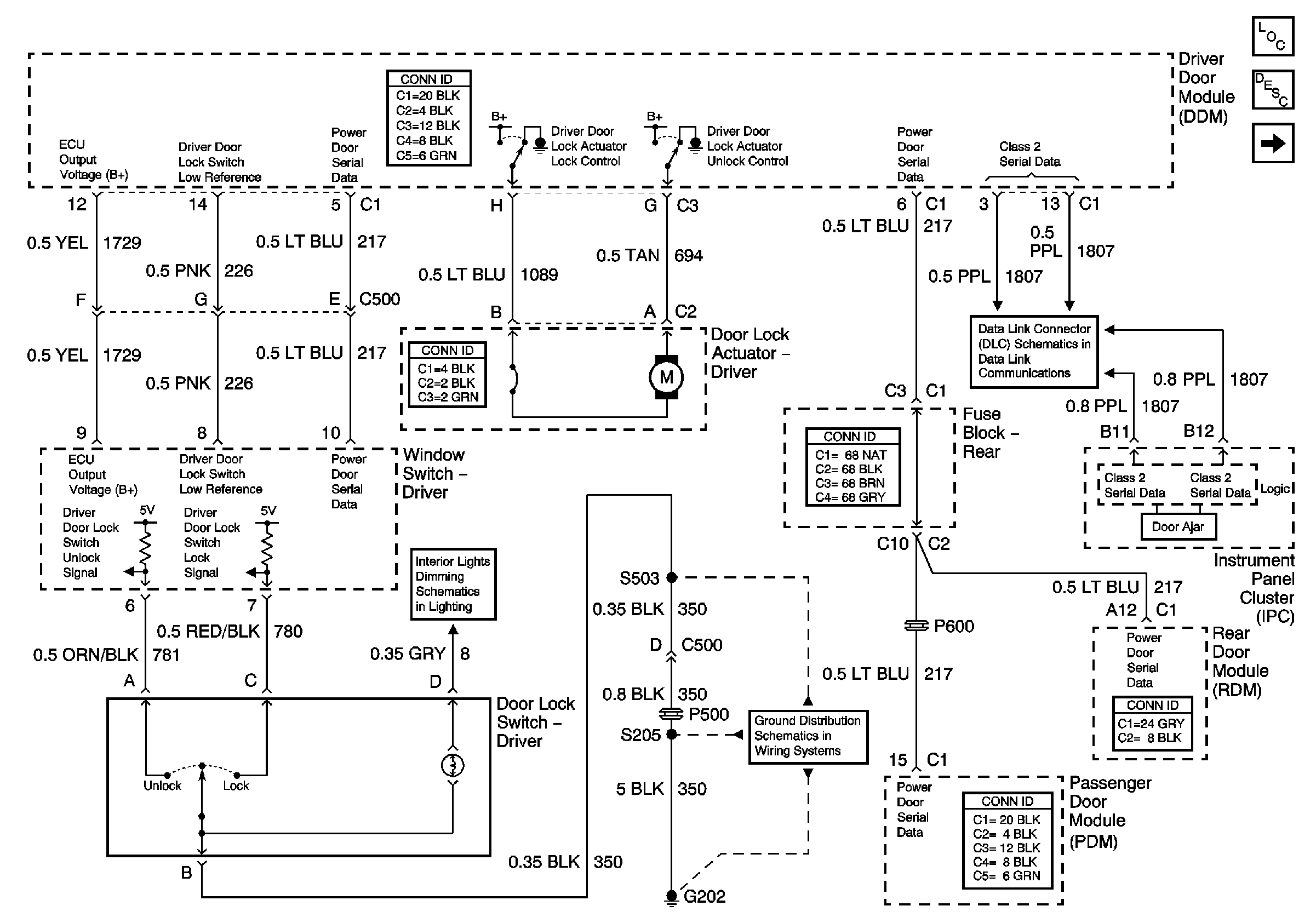
🢒 Left Front Power Door Components
Left Front Power Door Components
Left Front Power Door Components
Master Electrical Component List
Power Door Locks Description and Operation
Right Front Power Door Lock Components
IP and Front Door Backlighting
G202 (4 of 4)