GM Service Manual Online
For 1990-2009 cars only
Makes
🢒
Buick
🢒
2001
🢒
Park Avenue
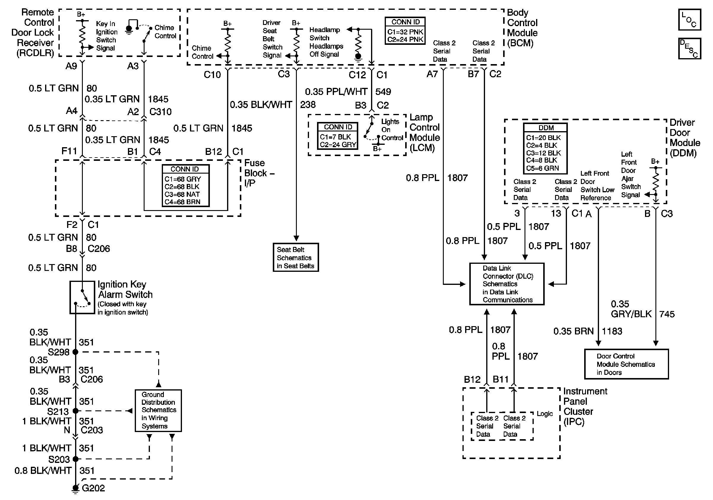
🢒 Audible Warning Schematic
Audible Warning Schematic
Master Electrical Component List
Audible Warnings Description and Operation
G202 (1 of 4)
Seat Belt Schematics
Class 2 Serial Data Line
Driver Door Module Inputs and Outputs