GM Service Manual Online
For 1990-2009 cars only
Makes
🢒
Buick
🢒
2001
🢒
Park Avenue
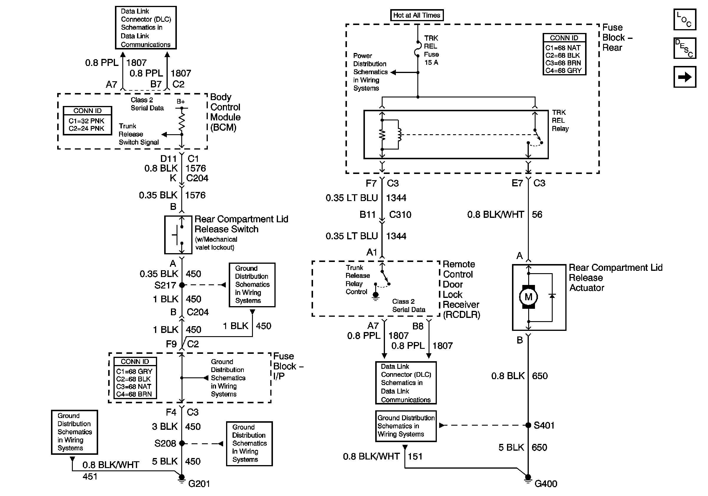
🢒 Rear Compartment Lid Release
Rear Compartment Lid Release
Rear Compartment Lid Release
Master Electrical Component List
Luggage Compartment Description and Operation General
Fuel Door Release
Underhood Fuse Block- BAT 1/ Rear Fuse Block- RDM, C/LTR, DDM, HTDSTL, TRK REL Fuses and Trunk Lid Release Relay/ IP Fuse Block- PDM, SBM, CSTR/SBM Fuses
Class 2 Serial Data Line
Class 2 Serial Data Line
G201 (2 of 2)
G201 (2 of 2)
G201 (1 of 2)
G400 (1 of 2)