GM Service Manual Online
For 1990-2009 cars only
Makes
🢒
Buick
🢒
2002
🢒
Park Avenue
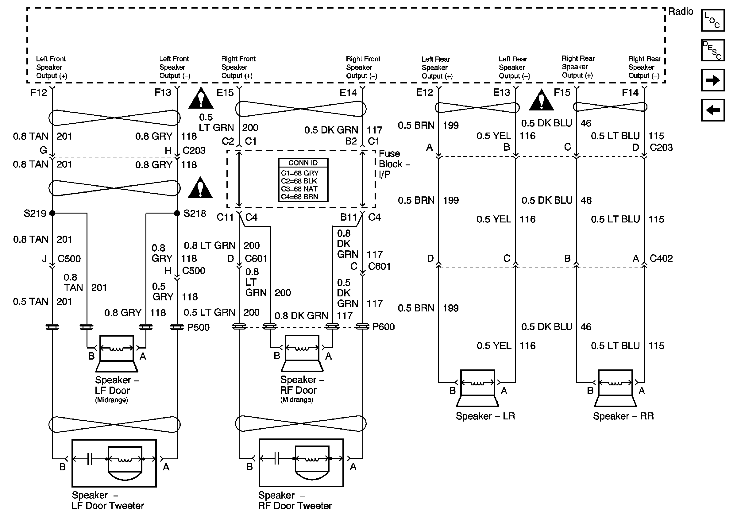
🢒 Radio Speaker Outputs (UW6)
Radio Speaker Outputs (UW6)
Radio Speaker Outputs (UW6)
Master Electrical Component List
Radio/Audio System Description and Operation
Radio Outputs (U99)
Amplifier and Remote CD Changer Power and Grounds
Entertainment Schematic Icons
Entertainment Schematic Icons
Entertainment Schematic Icons