GM Service Manual Online
For 1990-2009 cars only
Makes
🢒
Buick
🢒
2002
🢒
Park Avenue
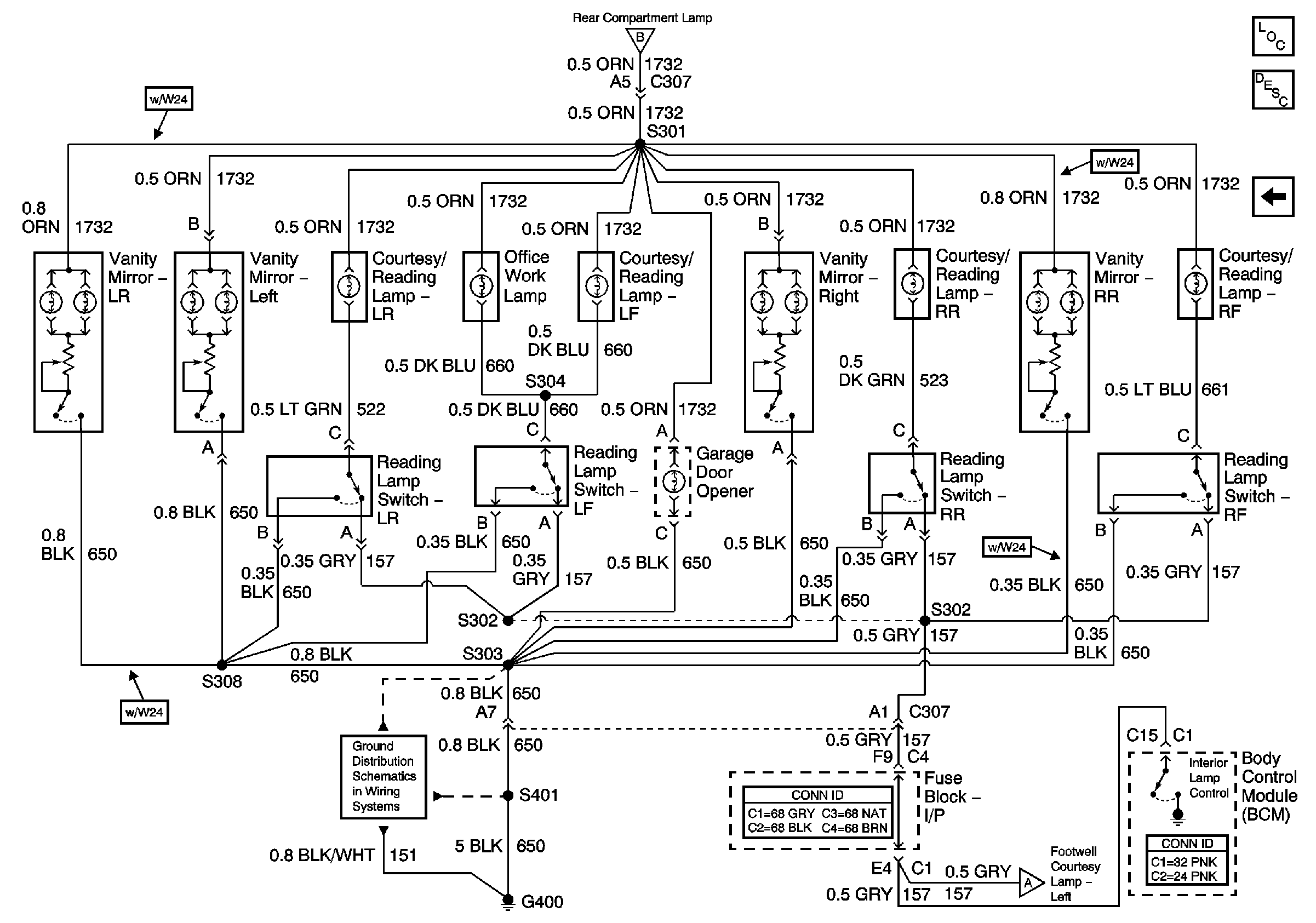
🢒 Vanity Mirrors, Courtesy/Reading Lamps and Office Work Lamps
Vanity Mirrors, Courtesy/Reading Lamps and Office Work Lamps
Vanity Mirrors, Courtesy/Reading Lamps and Office Work Lamps
Master Electrical Component List
Interior Lighting Systems Description and Operation
Rear Window Switches
Auxiliary Lighting Control, Right Door Courtesy Lamps, and Rear Compartment Lamp
Courtesy Lamp Switch, Left Door Courtesy Lamps, and IP Compartment Lamp
G400 (1 of 2)