GM Service Manual Online
For 1990-2009 cars only
Makes
🢒
Buick
🢒
2002
🢒
Park Avenue
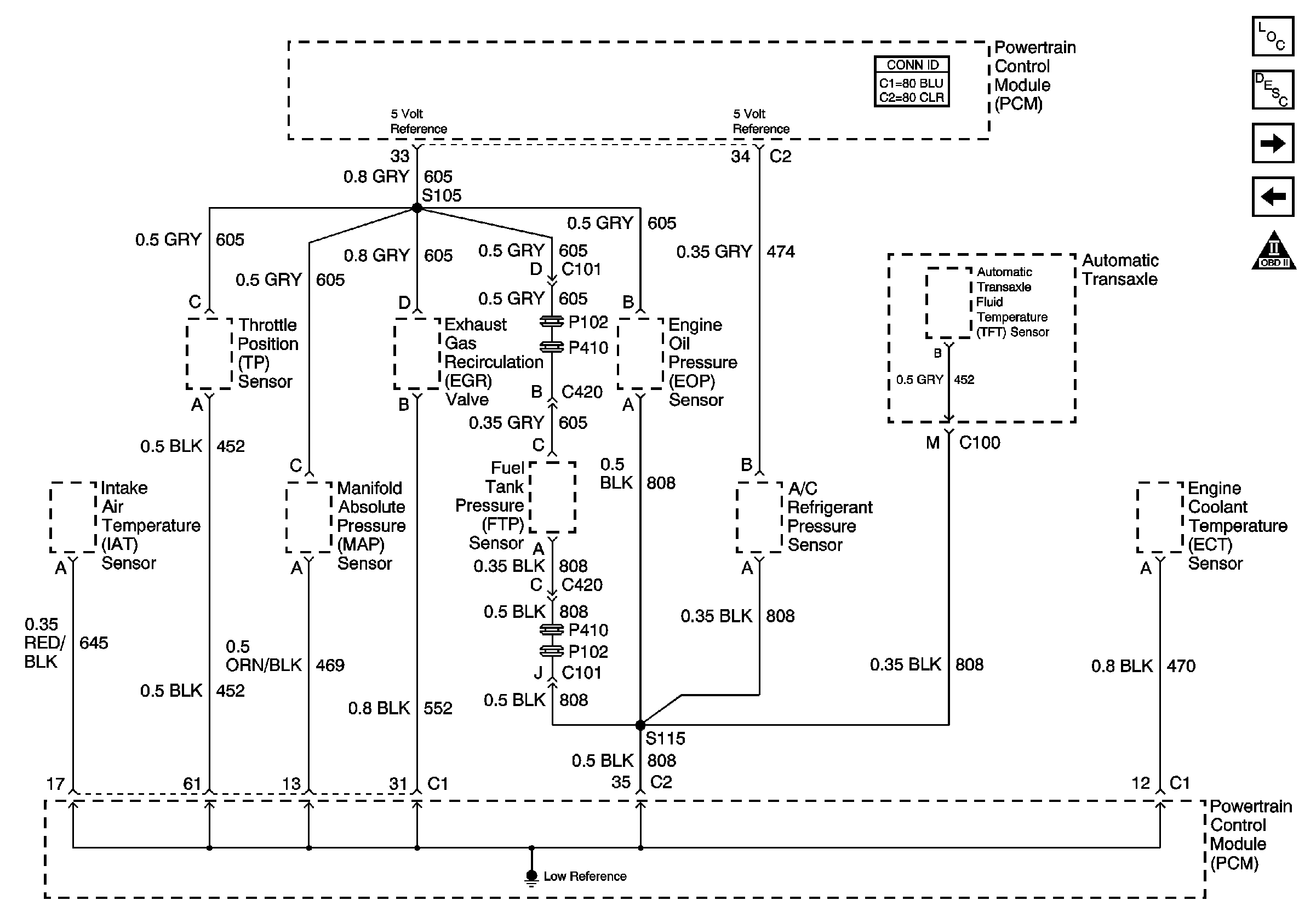
🢒 Engine Data Sensors- 5 Volt and Low Reference
Engine Data Sensors- 5 Volt and Low Reference
Engine Data Sensors- 5 Volt and Low Reference
Master Electrical Component List
Powertrain Control Module Description
Engine Data Sensors
Module Power, Ground, Serial Data, and MIL
OBD II Symbol Description Notice