GM Service Manual Online
For 1990-2009 cars only
Makes
🢒
Buick
🢒
2002
🢒
Park Avenue
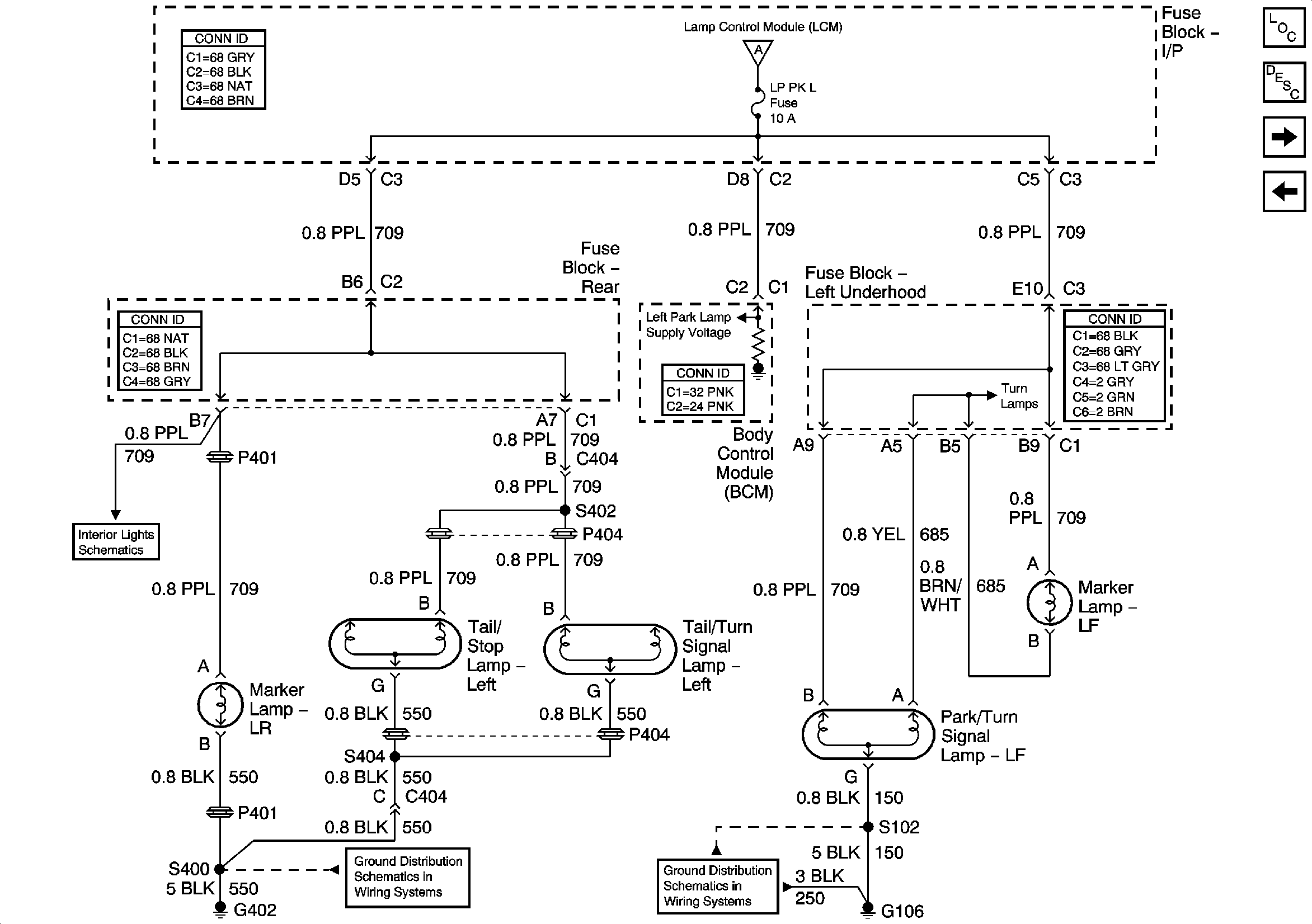
🢒 Left Park Lamps
Left Park Lamps
Left Park Lamps
Master Electrical Component List
Exterior Lighting Systems Description and Operation
Right Park Lamps
Headlamp Switch and Park Lamp Control
Headlamp Switch and Park Lamp Control
Rear Window Switches
Left Turn Lamps
G306 and G402
G104 and G106
G202 (1 of 4)