GM Service Manual Online
For 1990-2009 cars only
Makes
🢒
Buick
🢒
2002
🢒
Park Avenue
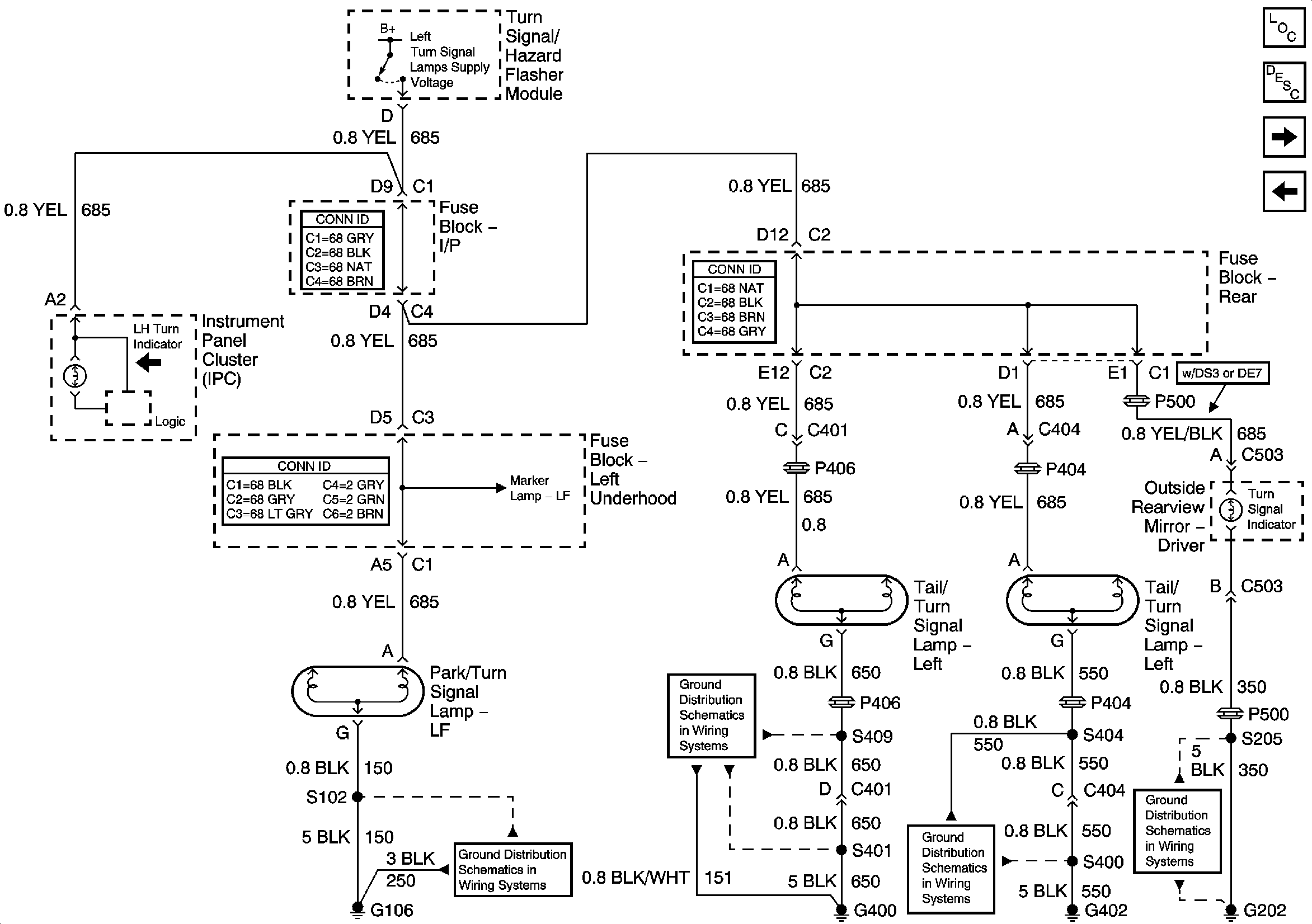
🢒 Left Turn Lamps
Left Turn Lamps
Left Turn Lamps
Master Electrical Component List
Exterior Lighting Systems Description and Operation
Right Turn Lamps
Turn Signal/Multifunction Switch and Cornering Lamps
Left Park Lamps
G104 and G106
G400 (1 of 2)
G306 and G402