GM Service Manual Online
For 1990-2009 cars only
Figure 1:

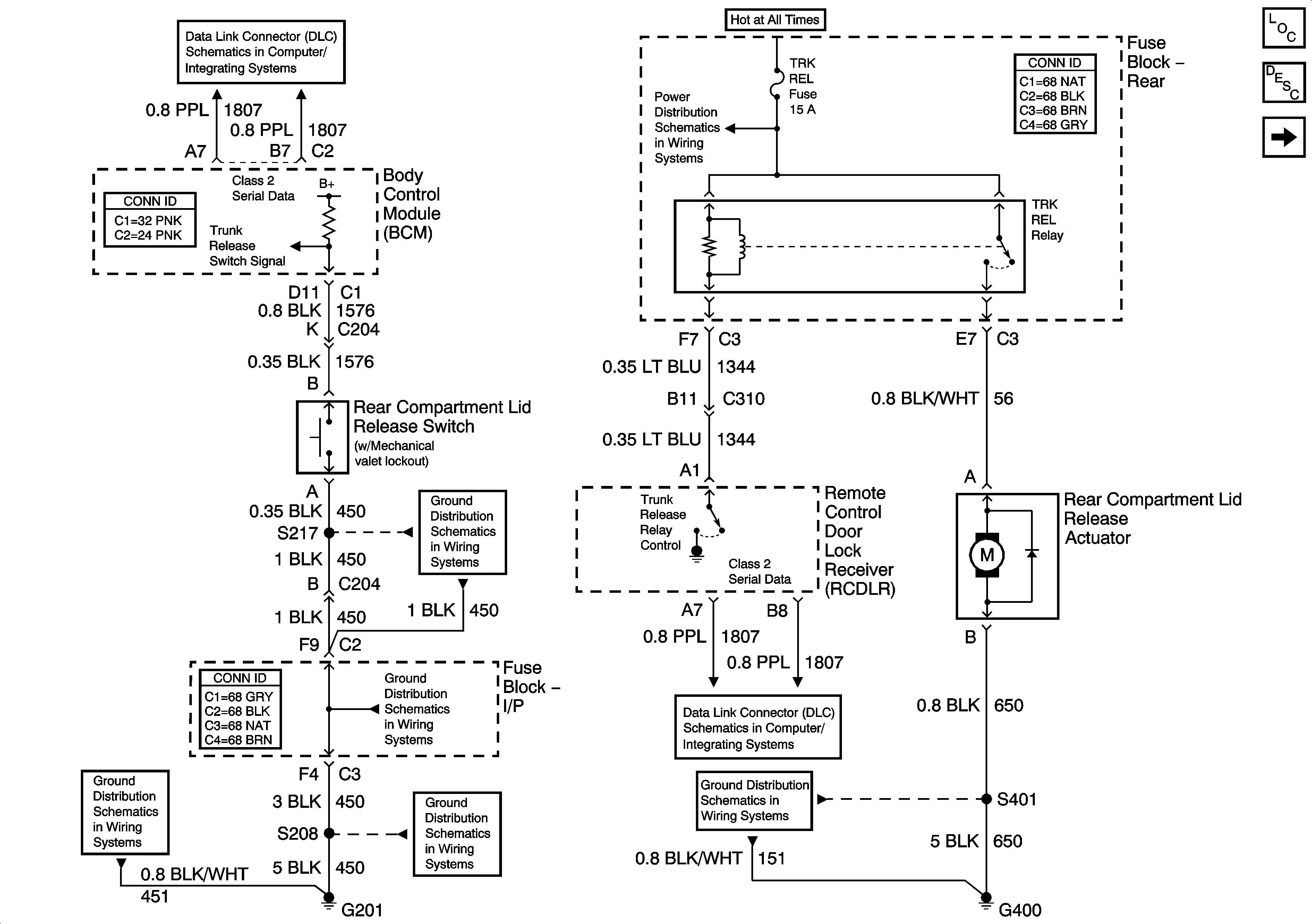
Rear Compartment Lid Release


Object Number: 1441795  Size: FS
Master Electrical Component List
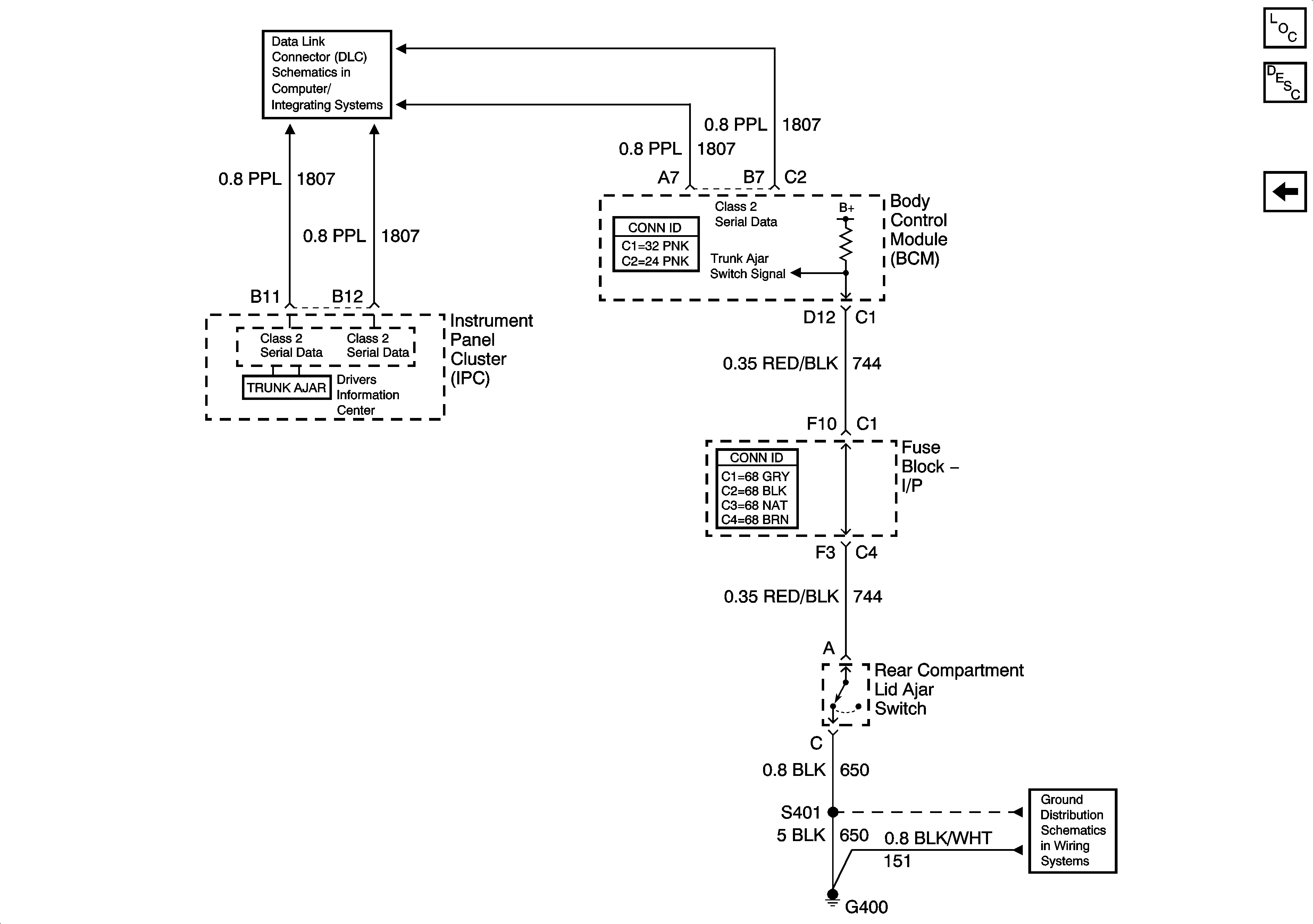
Luggage Compartment Description and Operation General
Fuel Door Release
BAT 1, RRINMDL, C/LTR, DRVMDL, HTDST L, TRK REL, PDM, SBM and CSTR/SBM Fuses
Class 2 Serial Data Lines
Class 2 Serial Data Lines
G201 - 2 of 2
G201 - 2 of 2
G201 - 1 of 2
G201 - 1 of 2
G400 - 1 of 2
Figure 2:

Fuel Door Release


Object Number: 1441798  Size: FS
Master Electrical Component List
Fuel Fill Door Description and Operation
Rear Compartment Lid Ajar Switch
Rear Compartment Lid Release
eft Underhood Fuse Block- BAT 1 Fuse/ Rear Fuse BLock-RDM, C/LTR, DDM, HTDST L, TRK REL Fuses/ I/P Fuse Block- PDM, SBM, and CSTR/SBM Fuses
G201 (1 of 2)
G201 (2 of 2)
G201 (2 of 2)
Figure 3:

Indicator


Object Number: 1441799  Size: FS
Master Electrical Component List
Luggage Compartment Description and Operation General
Fuel Door Release
Class 2 Serial Data Line
G400 (1 of 2)