GM Service Manual Online
For 1990-2009 cars only
Makes
🢒
Buick
🢒
2005
🢒
Park Avenue
🢒
Transmission/Transaxle
🢒
Shift Lock Control
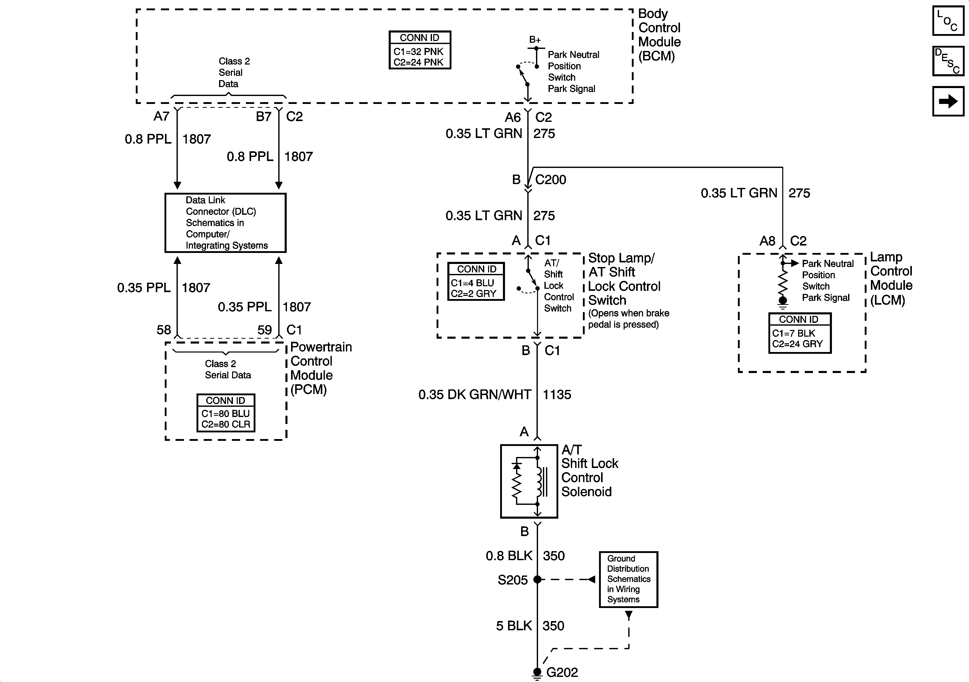
🢒 Shift Lock Control Schematics
Figure
1:
A/T Shift Lock Control Solenoid
Master Electrical Component List
Automatic Transmission Shift Lock Control Description and Operation
IMS
Class 2 Serial Data Lines
G202 - 4 of 4
Figure
2:
IMS
Master Electrical Component List
Automatic Transmission Shift Lock Control Description and Operation
A/T Shift Lock Control Solenoid
Power, Ground, and Serial Data Lines
G100, G101, G102, and G103