GM Service Manual Online
For 1990-2009 cars only
Makes
🢒
Buick
🢒
2005
🢒
Park Avenue
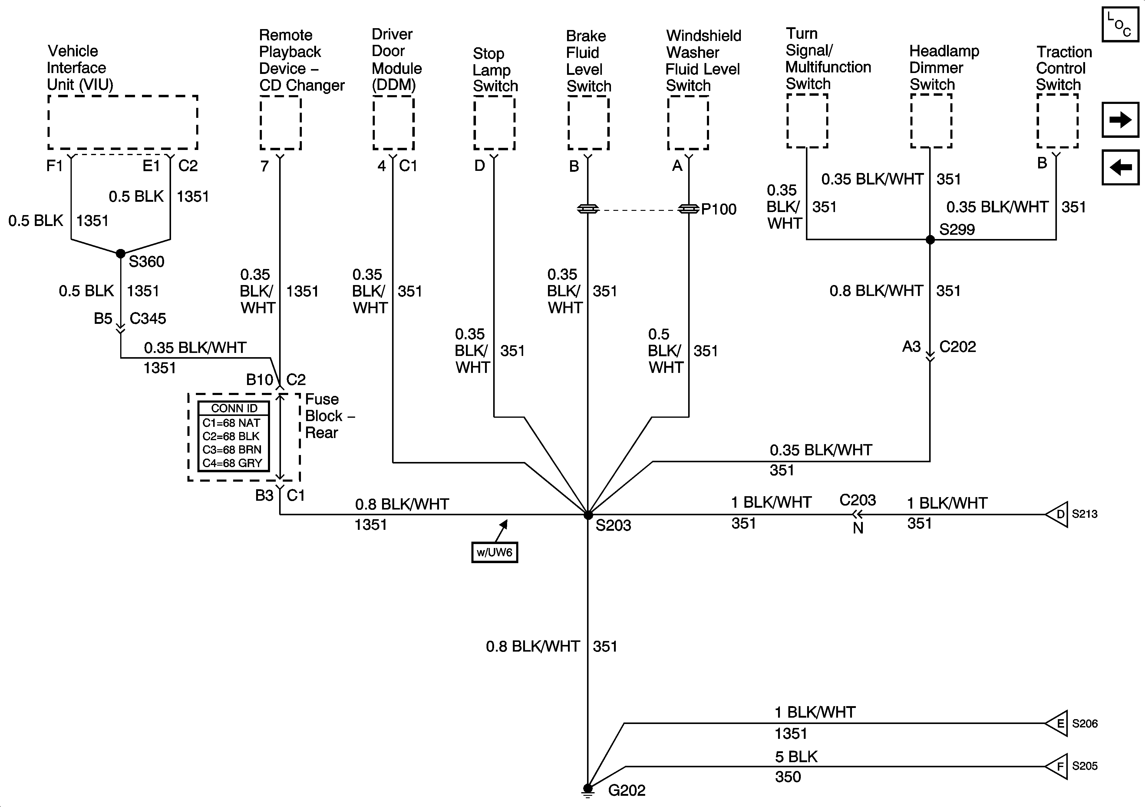
🢒 G202 - 1 of 4
G202 - 1 of 4
G202 - 1 of 4
Master Electrical Component List
G202 - 2 of 4
G201 - 2 of 2
G202 - 2 of 4
G202 - 3 of 4
G202 - 4 of 4