GM Service Manual Online
For 1990-2009 cars only
Makes
🢒
Buick
🢒
2005
🢒
Park Avenue
🢒 G202 - 2 of 4
G202 - 2 of 4
G202 - 2 of 4
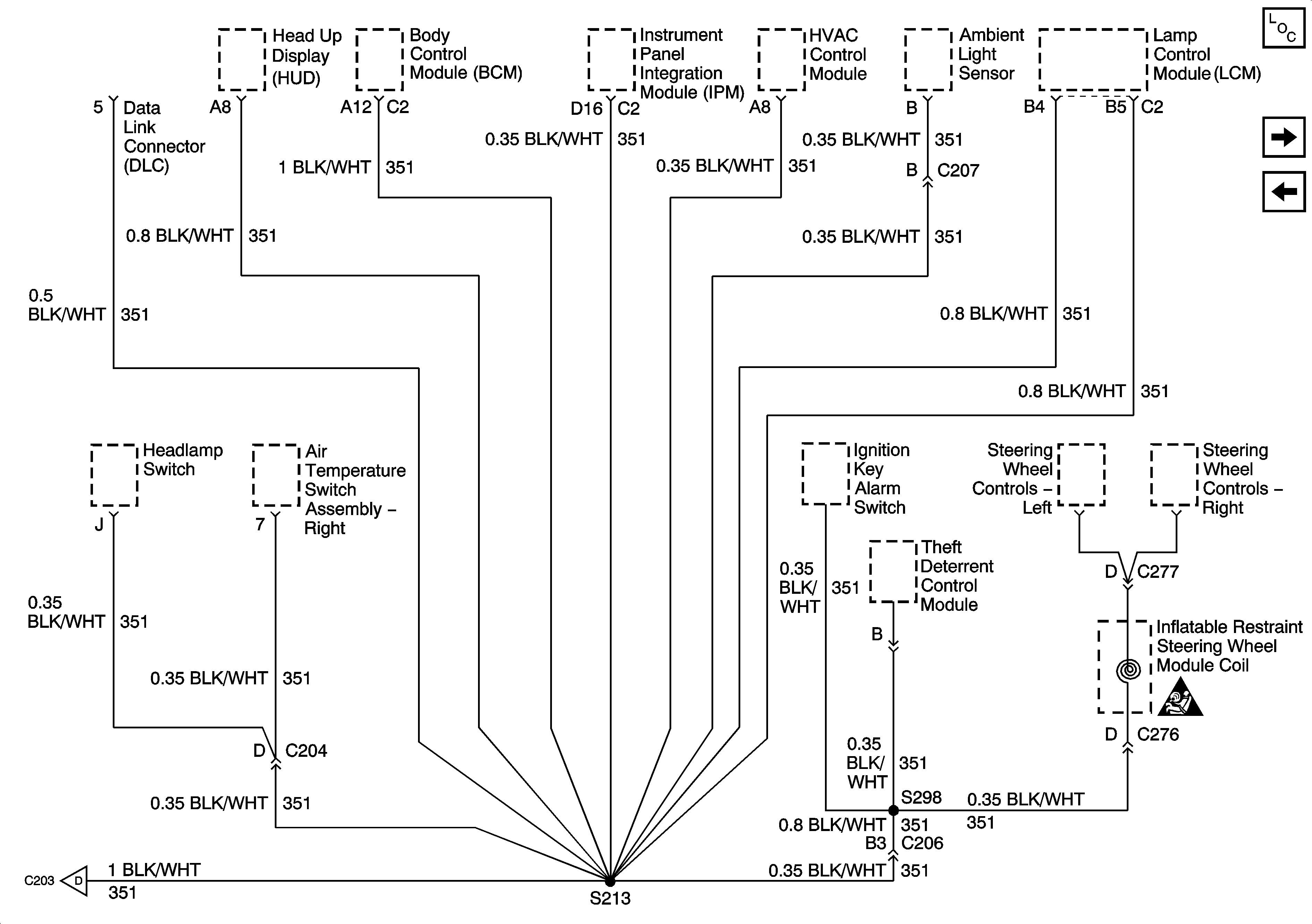
Master Electrical Component List
G202 - 3 of 4
G202 - 1 of 4
SIR Caution for Zoning
G202 - 1 of 4