GM Service Manual Online
For 1990-2009 cars only
Makes
🢒
Buick
🢒
2005
🢒
Park Avenue
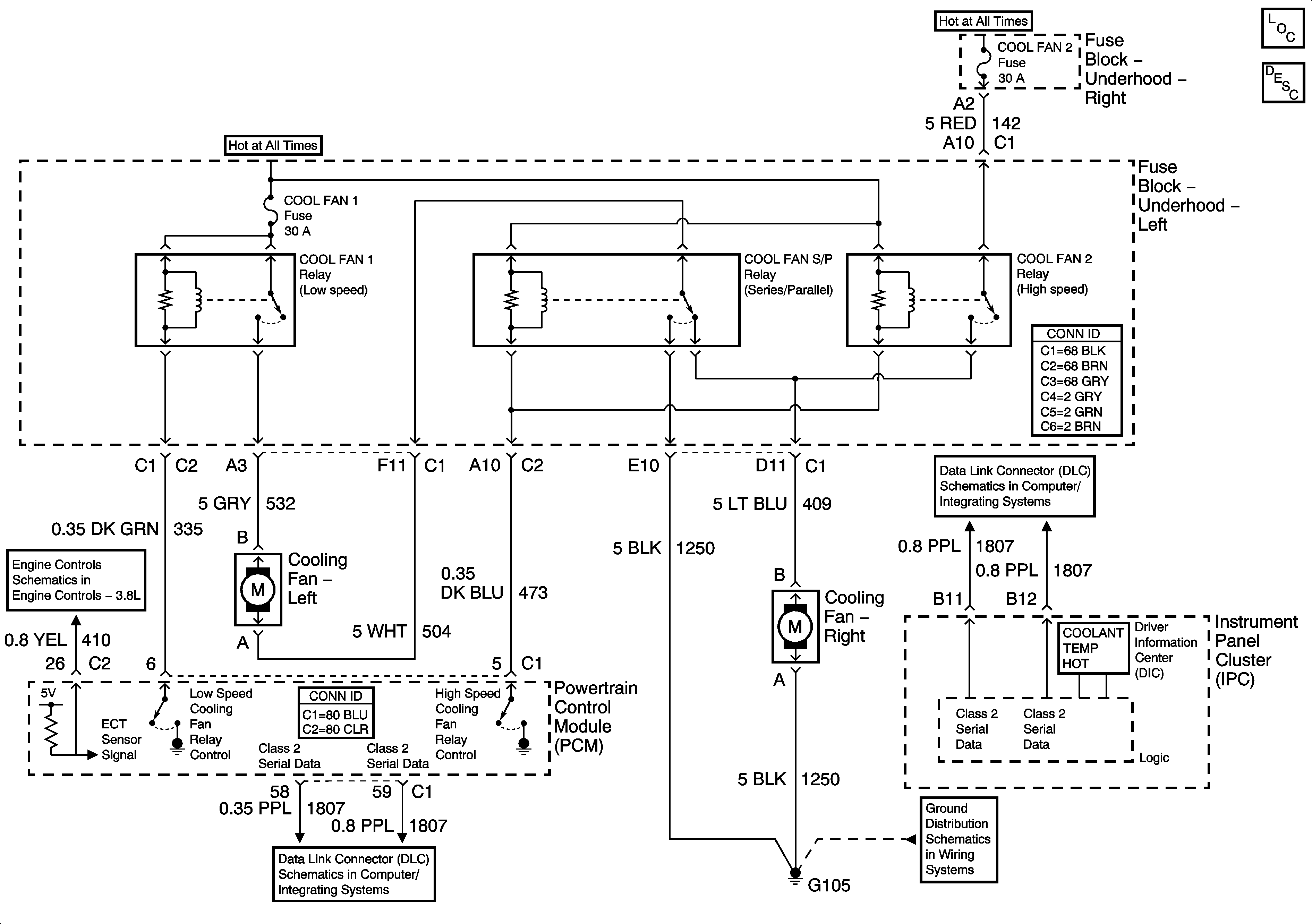
🢒 Engine Cooling Schematics
Engine Cooling Schematics
Master Electrical Component List
Cooling System Description and Operation
Class 2 Serial Data Lines
Class 2 Serial Data Lines
G105