GM Service Manual Online
For 1990-2009 cars only
Makes
🢒
Buick
🢒
2005
🢒
Park Avenue
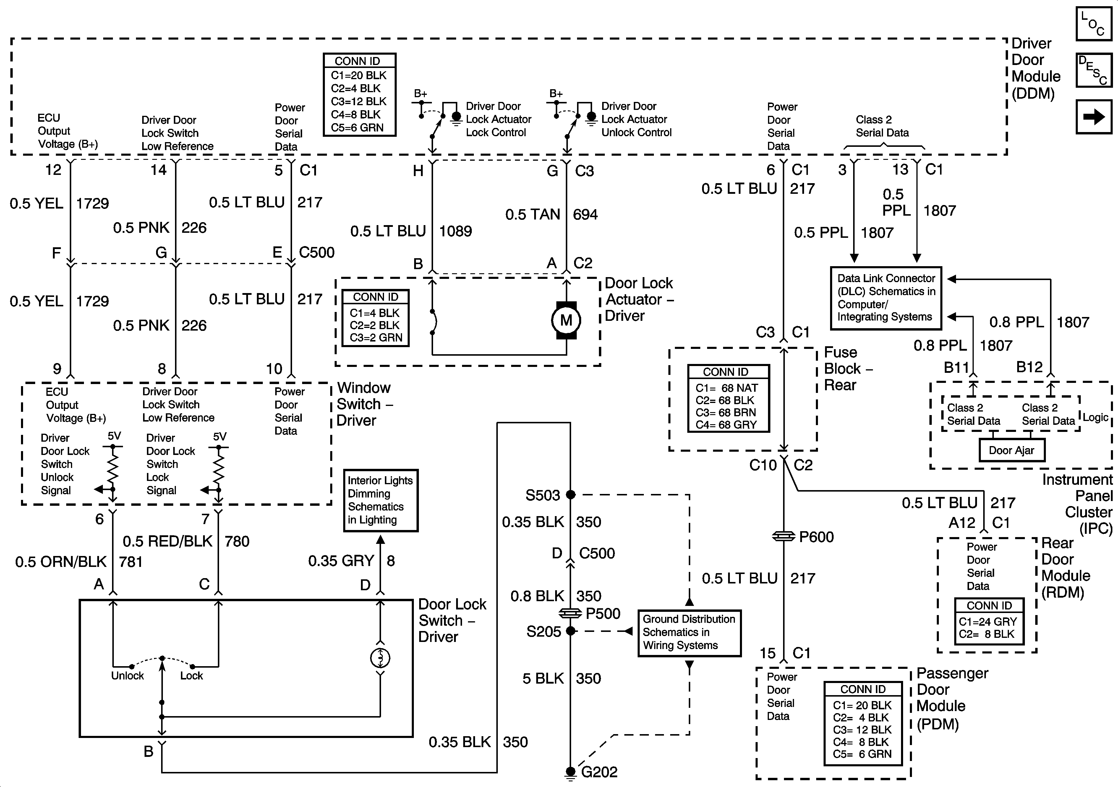
🢒 Driver Door Controls
Driver Door Controls
Driver Door Controls
Master Electrical Component List
Power Door Locks Description and Operation
Front Passenger Door Controls
Class 2 Serial Data Lines
I/P and Front Door Backlighting
G202 - 4 of 4