GM Service Manual Online
For 1990-2009 cars only
Makes
🢒
Buick
🢒
2005
🢒
Park Avenue
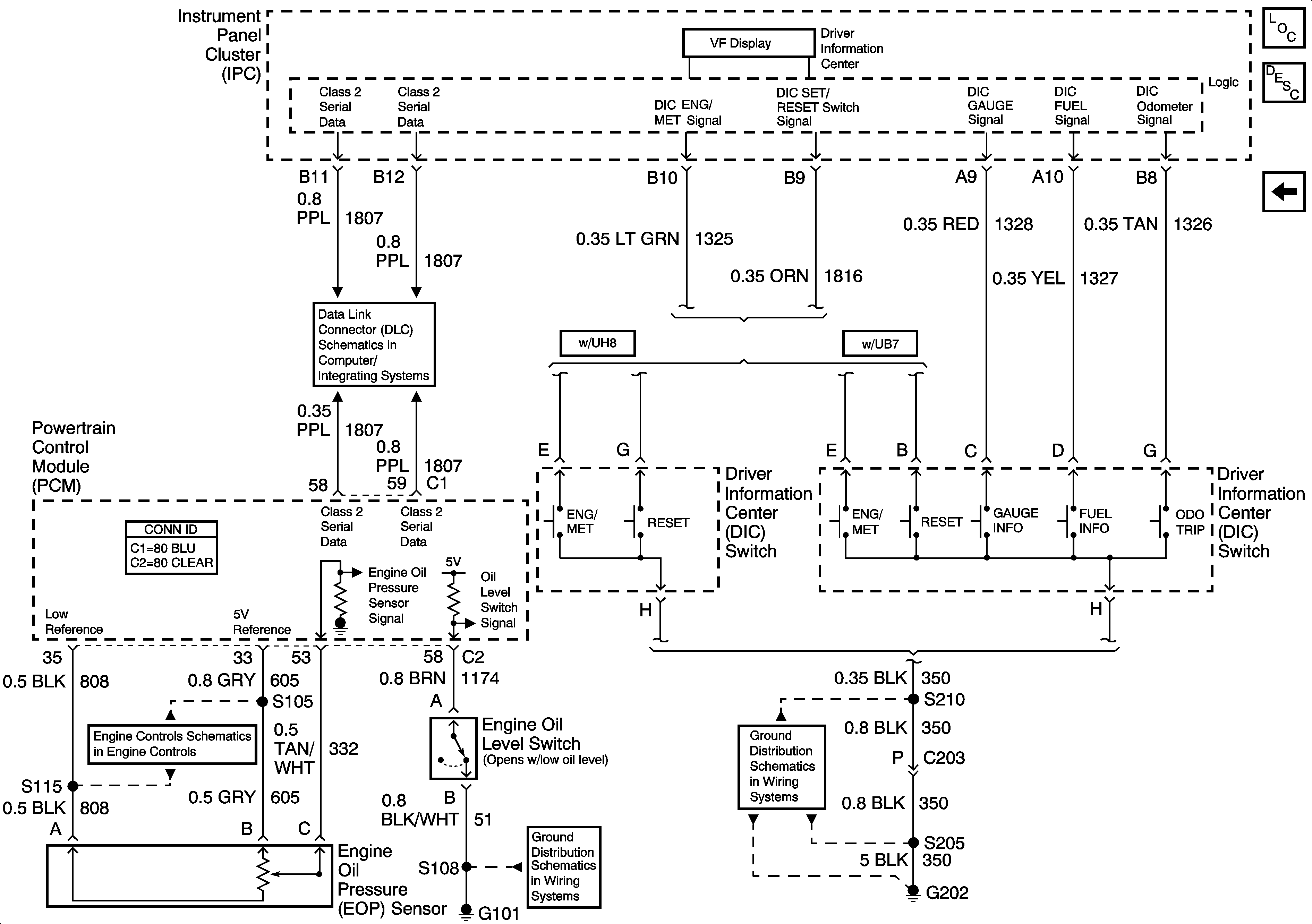
🢒 Driver Information Center
Driver Information Center
Driver Information Center
Master Electrical Component List
Audible Warnings Description and Operation
Indicators
Class 2 Serial Data Lines
Engine Data Sensors - 5-Volt and Low Reference
G100, G101, G102, and G103
G202 - 4 of 4