GM Service Manual Online
For 1990-2009 cars only
Makes
🢒
Buick
🢒
2005
🢒
Park Avenue
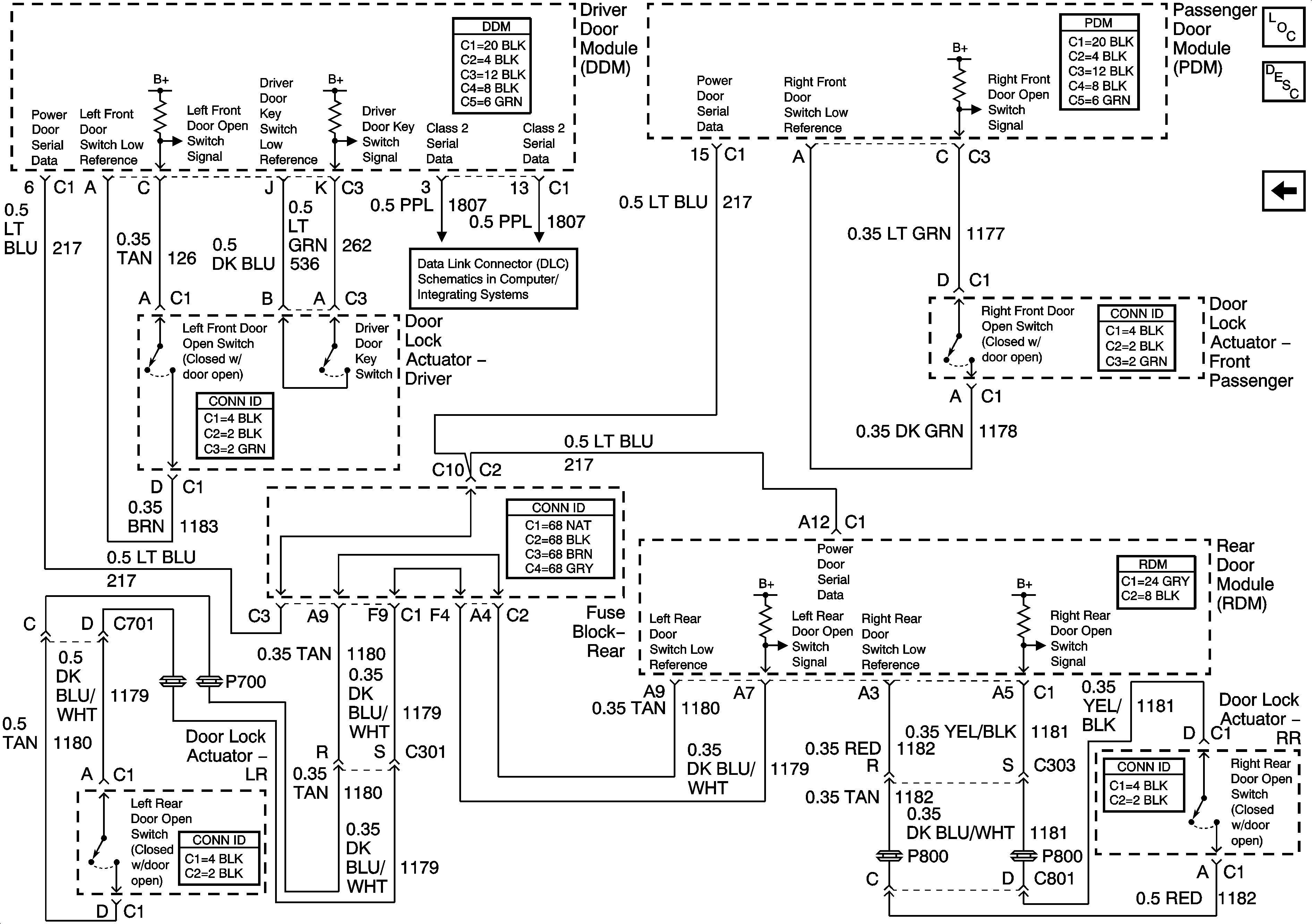
🢒 Door Latch Switches
Door Latch Switches
Door Latch Switches
Master Electrical Component List
Content Theft Deterrent (CTD) Description and Operation
Content Theft Deterrent (CTD) System
Class 2 Serial Data Lines