GM Service Manual Online
For 1990-2009 cars only
Makes
🢒
Buick
🢒
2005
🢒
Park Avenue
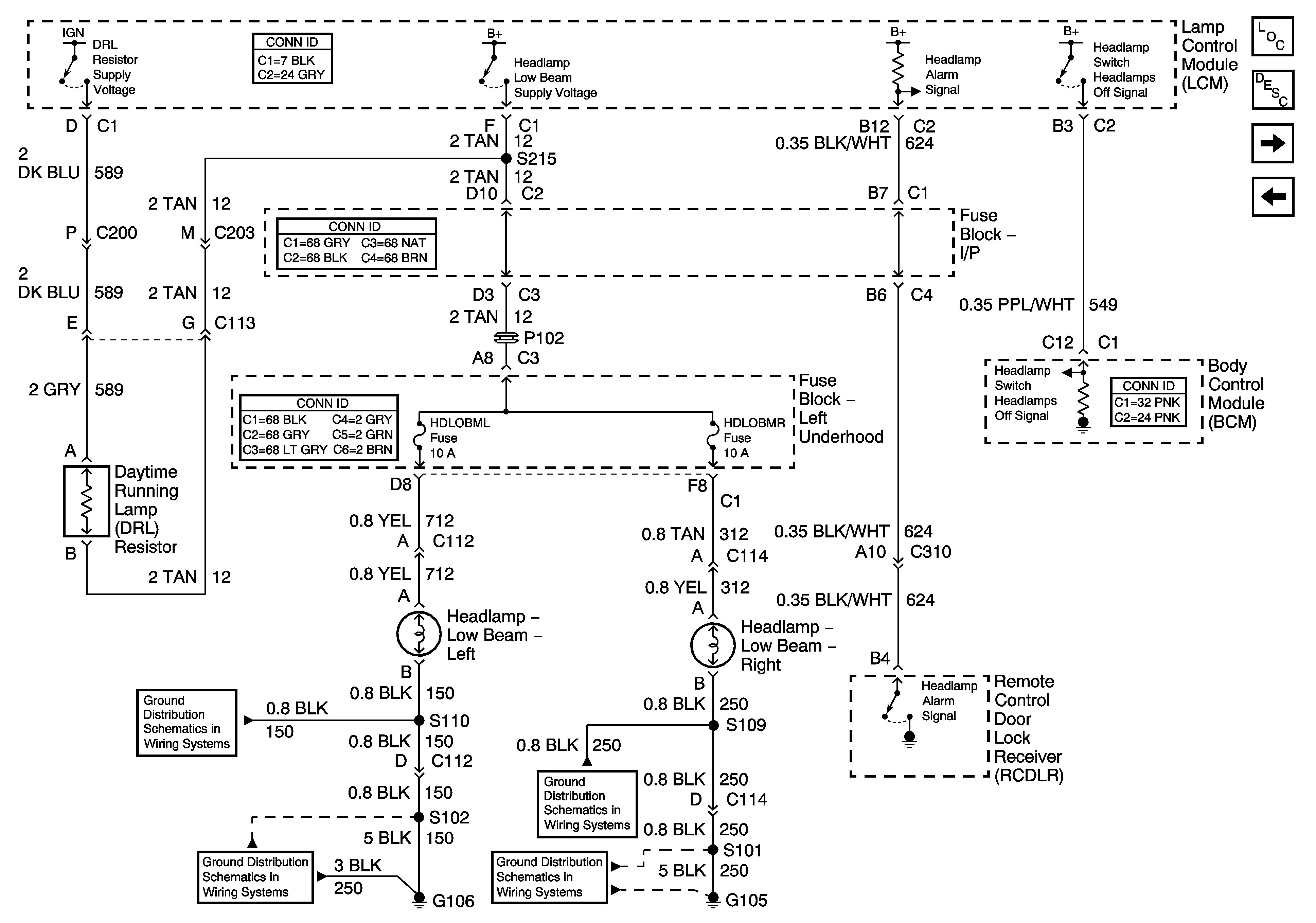
🢒 Low Beam Headlamps
Low Beam Headlamps
Low Beam Headlamps
Master Electrical Component List
Exterior Lighting Systems Description and Operation
High Beam Headlamps and Daytime Running Lamps (DRL)
Headlamp Dimmer, Park Signal, and High Beam Indicator
G104 and G106
G104 and G106
G105
G105