GM Service Manual Online
For 1990-2009 cars only
Makes
🢒
Buick
🢒
2005
🢒
Park Avenue
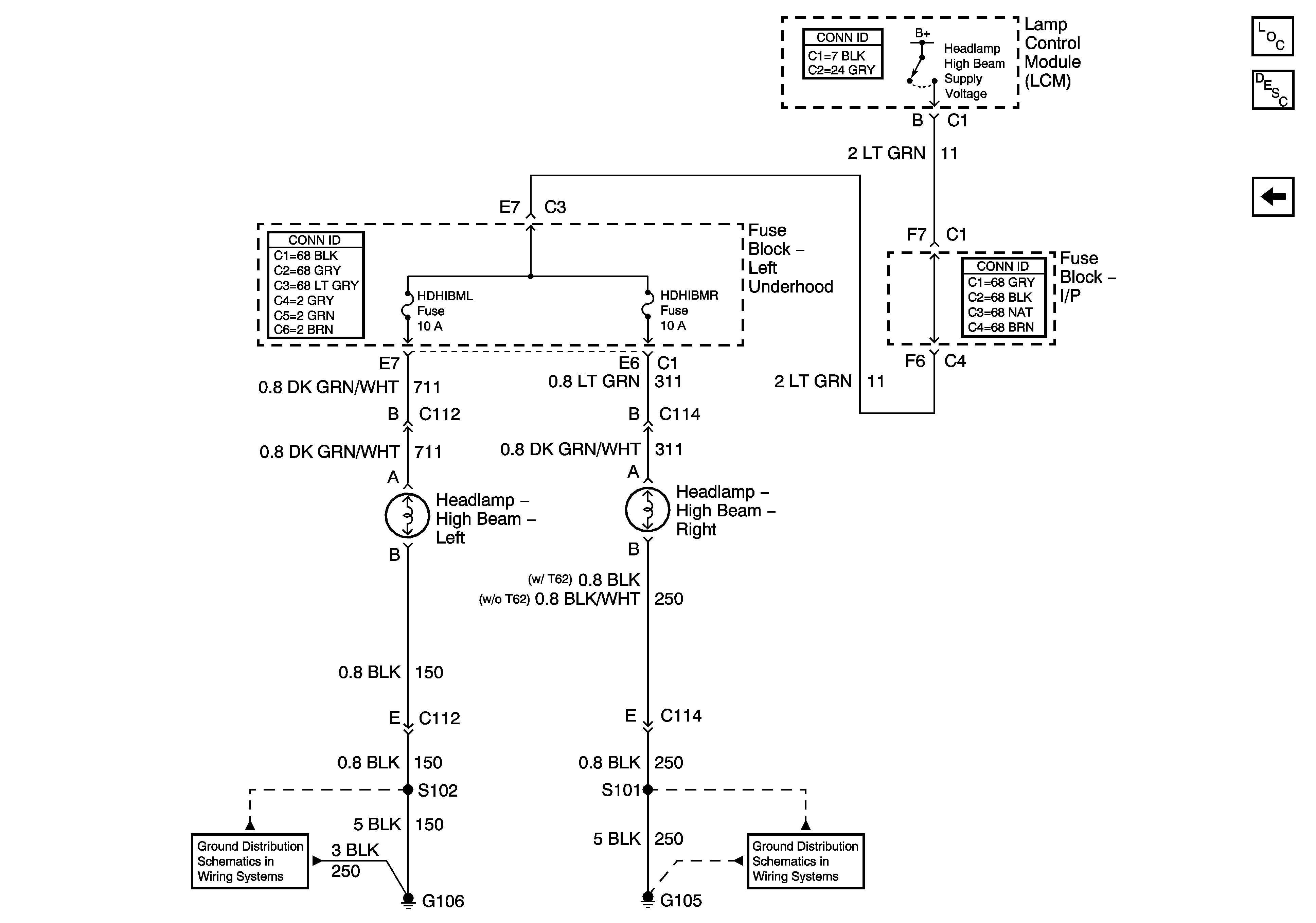
🢒 High Beam Headlamps and Daytime Running Lamps (DRL)
High Beam Headlamps and Daytime Running Lamps (DRL)
High Beam Headlamps and Daytime Running Lamps (DRL)
Master Electrical Component List
Exterior Lighting Systems Description and Operation
Low Beam Headlamps
G104 and G106
G104 and G106