GM Service Manual Online
For 1990-2009 cars only
Figure 1:

Module Power, Ground, Serial Data, and MIL


Object Number: 1747962  Size: FS
Master Electrical Component List
Engine Control Module Description
Control Module References
Underhood Fuse Block - PWR/TRN Relay - 1 of 2
B+ Bus - Underhood Fuse Block
Ignition Switch - ACCY/RUN, RUN/START Bus Bars and IGN B Fuse
BCK/UP, BTSI, IGN E, TBC IGN 1, and TRLR BCK/UP Fuses
BCK/UP, BTSI, IGN E, TBC IGN 1, and TRLR BCK/UP Fuses
Power, Ground, Serial Data, and MIL
Ignition Switch - ACCY/RUN/START, RUN, and START Bus Bars, IGN A and CRNK Fuses
FRT WPR, IGN 0, RAIN, TBC ACC, TBC IG, and TCM Fuses
FRT WPR, IGN 0, RAIN, TBC ACC, TBC IG, and TCM Fuses
G108
SP205
Power, Ground, and Data Link Connector
Figure 2:

Underhood Fuse Block - PWR/TRN Relay - 1 of 2


Object Number: 1747965  Size: FS
Master Electrical Component List
Engine Control Module Description
Control Module References
Underhood Fuse Block - PWR/TRN Relay - 2 of 2
Module Power, Ground, Serial Data, and MIL
ENG 1, ETC, INJA, INJB, O2 SNSR A, O2 SNSR B Fuses - 5.3L/6.0L
B+ Bus - Underhood Fuse Block
Figure 3:

Underhood Fuse Block - PWR/TRN Relay - 2 of 2


Object Number: 1747967  Size: FS
Master Electrical Component List
Engine Control Module Description
Control Module References
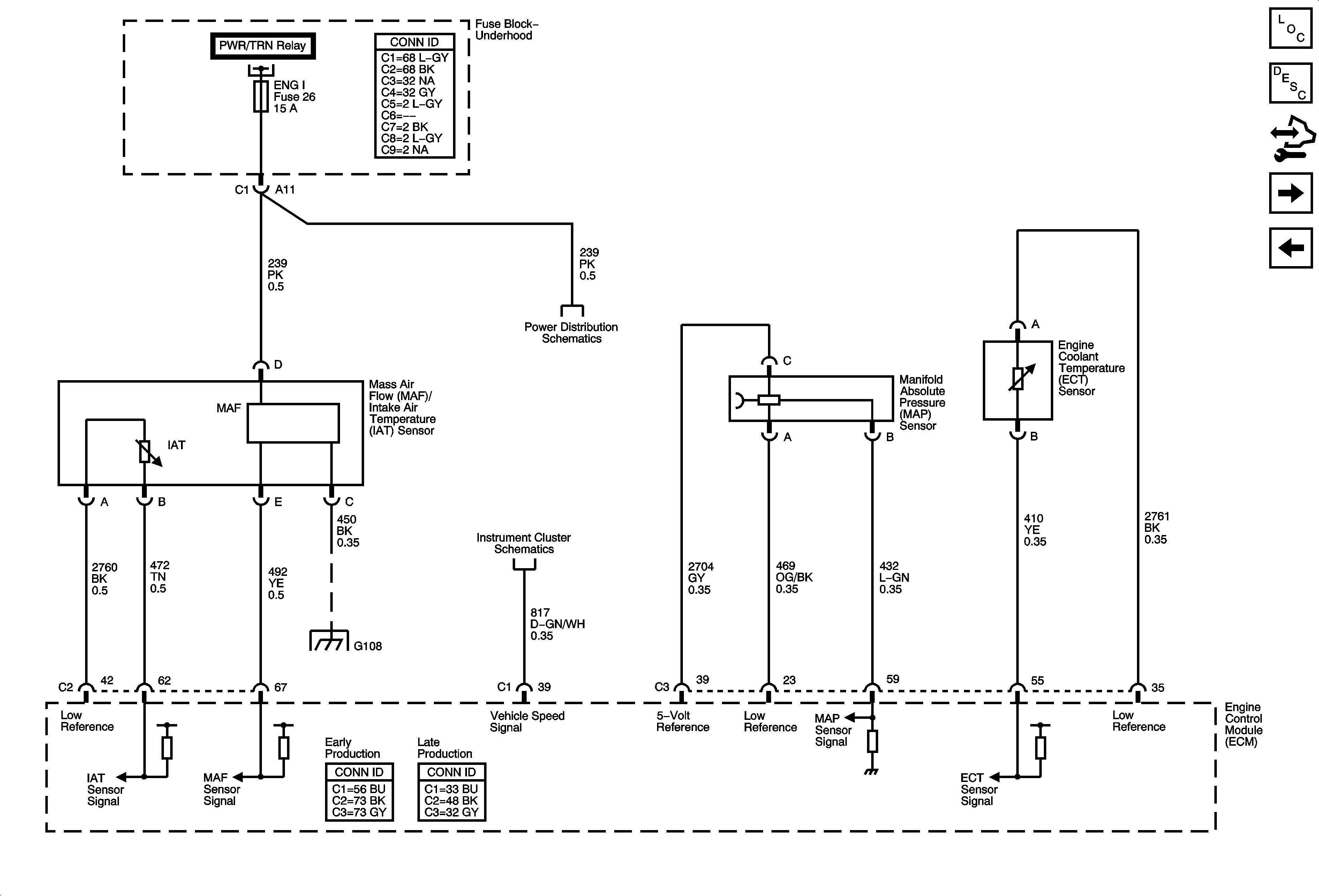
Engine Data Sensors - 5-Volt and Low Reference
Underhood Fuse Block - PWR/TRN Relay - 1 of 2
ENG 1, ETC, INJA, INJB, O2 SNSR A, O2 SNSR B Fuses - 5.3L/6.0L
B+ Bus - Underhood Fuse Block
Figure 4:

Engine Data Sensors - 5-Volt and Low Reference


Object Number: 1747970  Size: FS
Master Electrical Component List
Engine Control Module Description
Control Module References
MAF, Pressure, Temperature, and VSS
Underhood Fuse Block - PWR/TRN Relay - 2 of 2
Figure 5:

Engine Data Sensors - MAF, Pressure, Temperature, and VSS


Object Number: 1747973  Size: FS
Master Electrical Component List
Engine Control Module Description
Control Module References
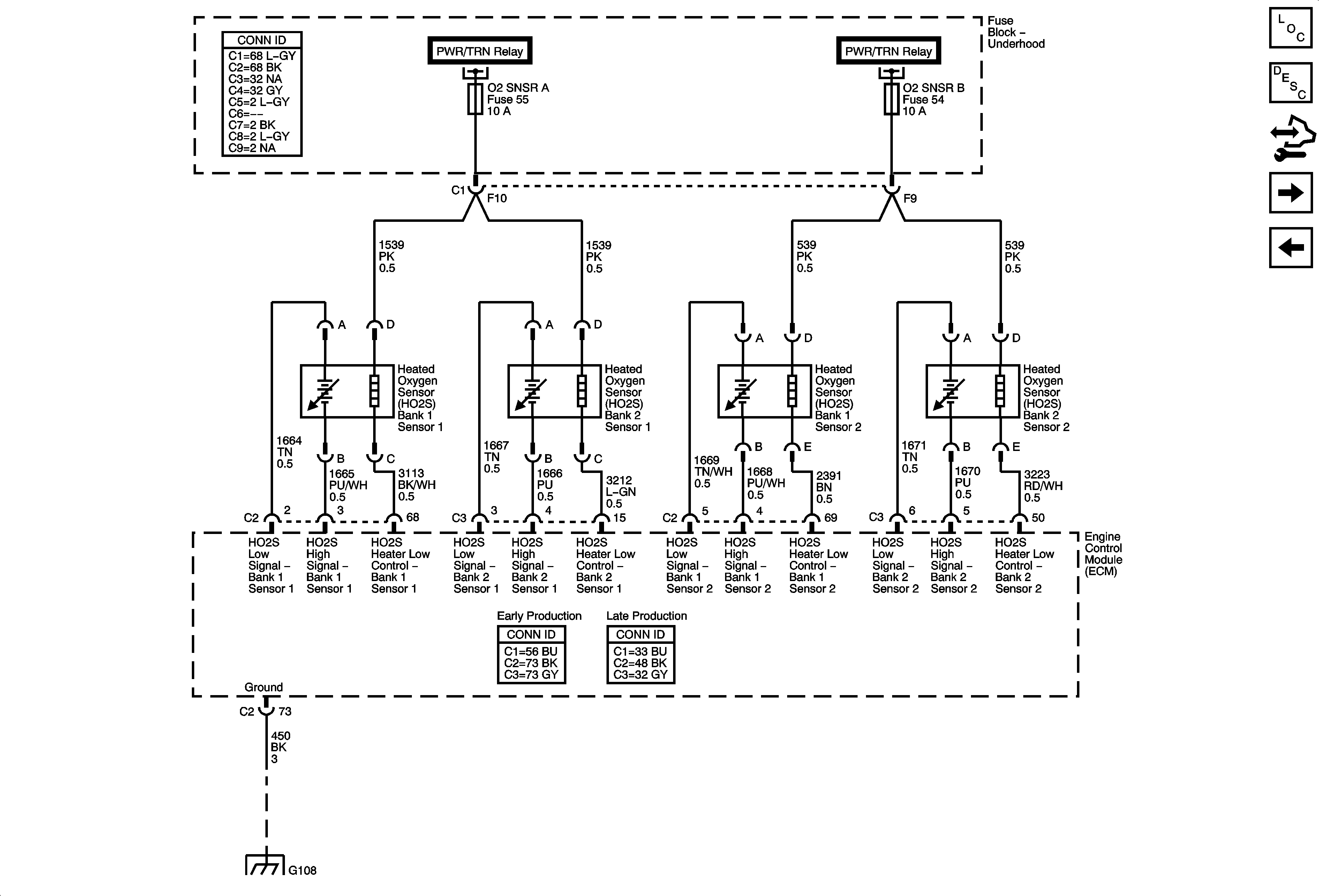
Engine Data Sensors - Oxygen Sensors
Engine Data Sensors - 5-Volt and Low Reference
Underhood Fuse Block - PWR/TRN Relay - 2 of 2
ENG 1, ETC, INJA, INJB, O2 SNSR A, O2 SNSR B Fuses - 5.3L/6.0L
Gages
G108
Figure 6:

Engine Data Sensors - Oxygen Sensors


Object Number: 1747977  Size: FS
Master Electrical Component List
Fuel System Description
Control Module References
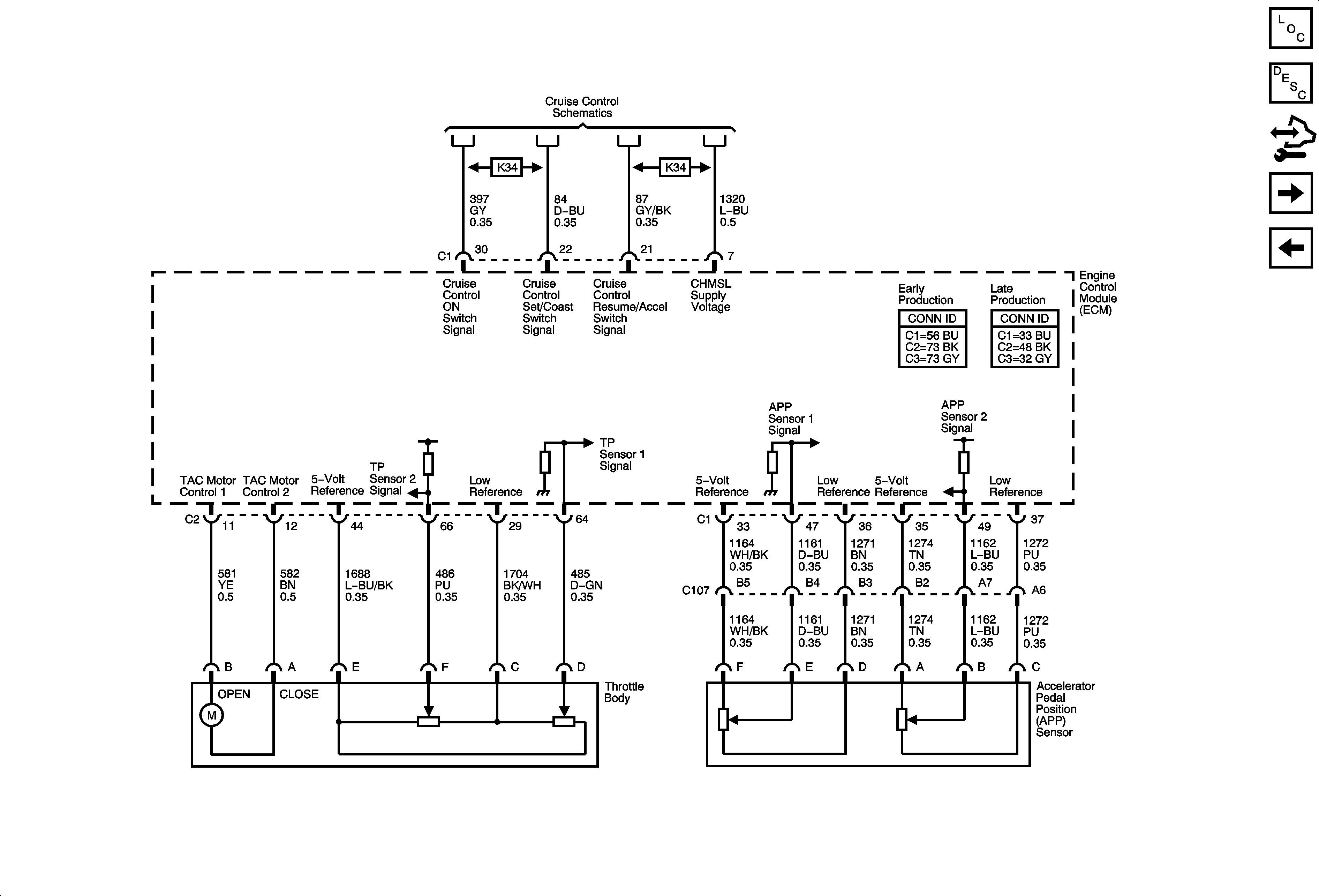
Engine Data Sensors - Throttle Actuator Controls
MAF, Pressure, Temperature, and VSS
Underhood Fuse Block - PWR/TRN Relay - 2 of 2
G108
Figure 7:

Engine Data Sensors - Throttle Actuator Controls


Object Number: 1747979  Size: FS
Master Electrical Component List
Throttle Actuator Control (TAC) System Description
Control Module References
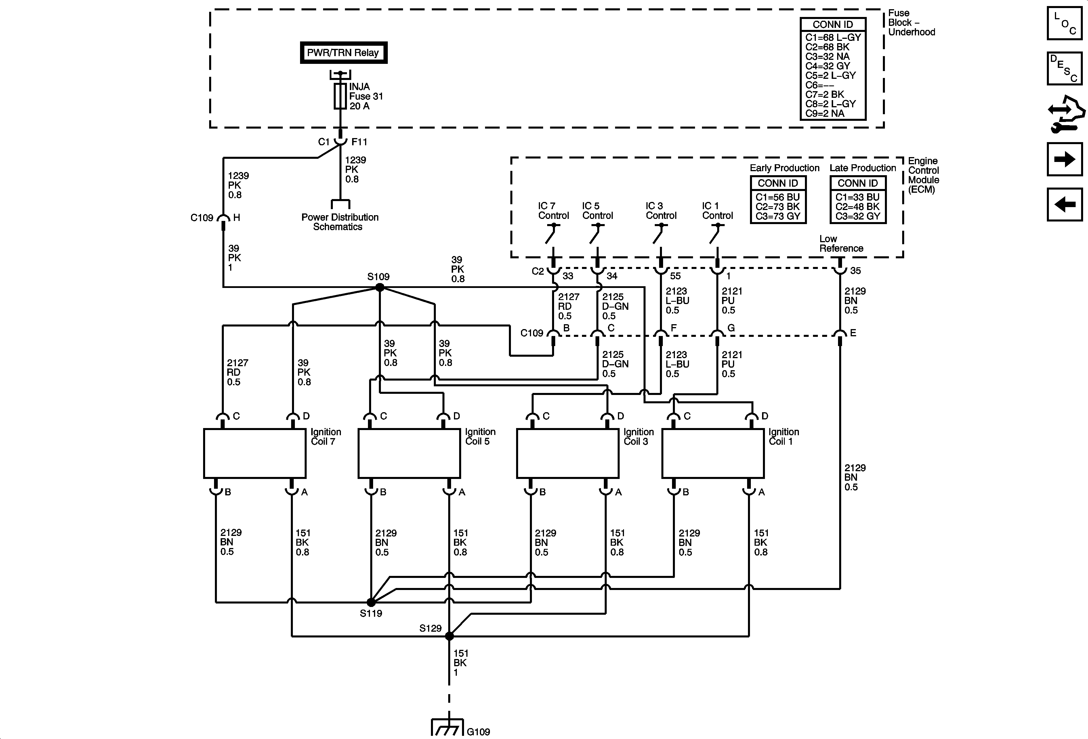
Ignition Controls - Ignition Coils 1, 3, 5, and 7
Engine Data Sensors - Oxygen Sensors
5.3L/6.0L
Figure 8:

Ignition Controls - Ignition Coils 1, 3, 5, and 7


Object Number: 1747983  Size: FS
Master Electrical Component List
Electronic Ignition (EI) System Description
Control Module References
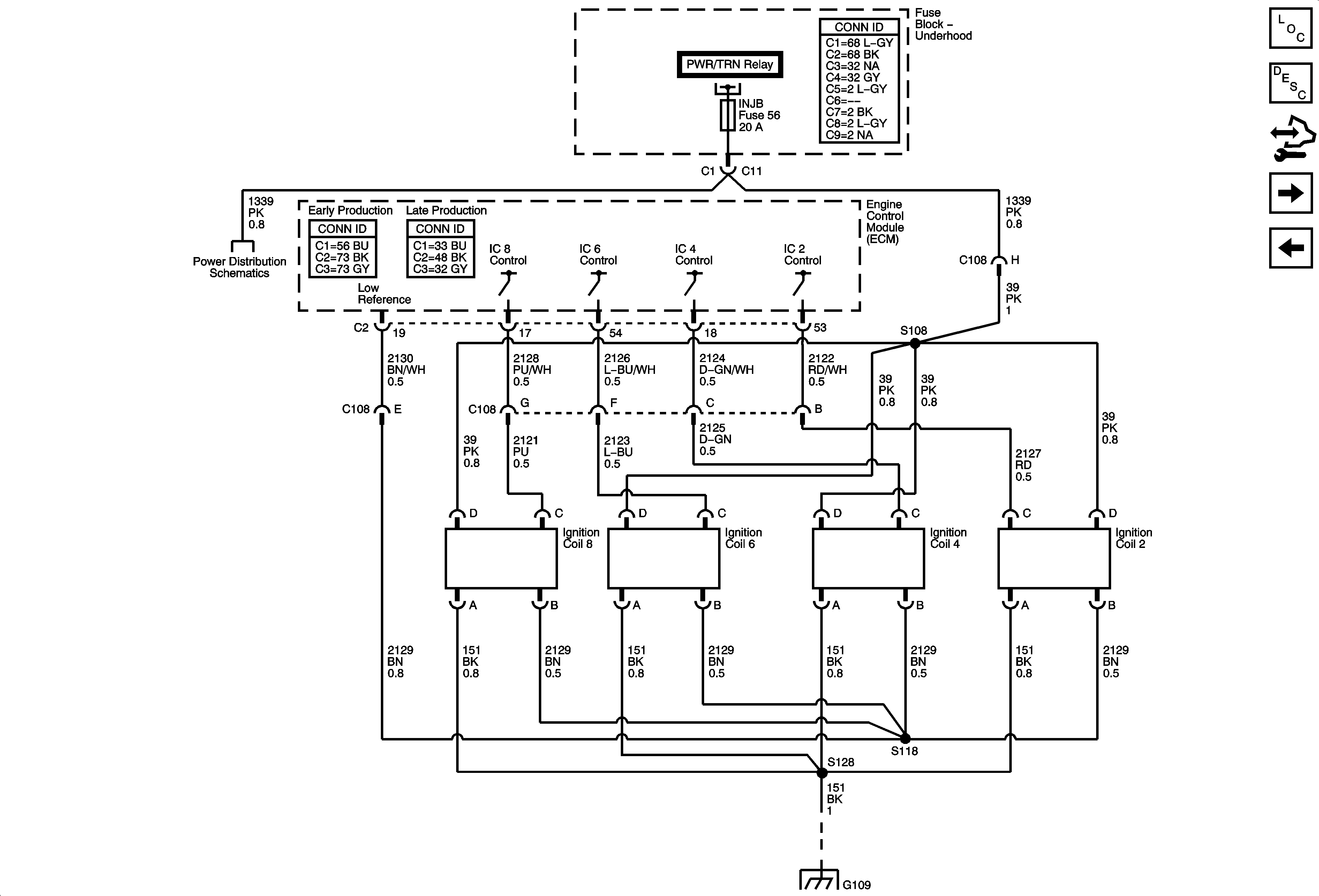
Ignition Controls - Ignition Coils 2, 4, 6, and 8
Engine Data Sensors - Throttle Actuator Controls
Underhood Fuse Block - PWR/TRN Relay - 1 of 2
ENG 1, ETC, INJA, INJB, O2 SNSR A, O2 SNSR B Fuses - 5.3L/6.0L
G109
Figure 9:

Ignition Controls - Ignition Coils 2, 4, 6, and 8


Object Number: 1747985  Size: FS
Master Electrical Component List
Electronic Ignition (EI) System Description
Control Module References
Ignition Controls - Sensors
Ignition Controls - Ignition Coils 1, 3, 5, and 7
Underhood Fuse Block - PWR/TRN Relay - 1 of 2
ENG 1, ETC, INJA, INJB, O2 SNSR A, O2 SNSR B Fuses - 5.3L/6.0L
G109
Figure 10:

Ignition Controls - Sensors


Object Number: 1747987  Size: FS
Master Electrical Component List
Electronic Ignition (EI) System Description
Control Module References
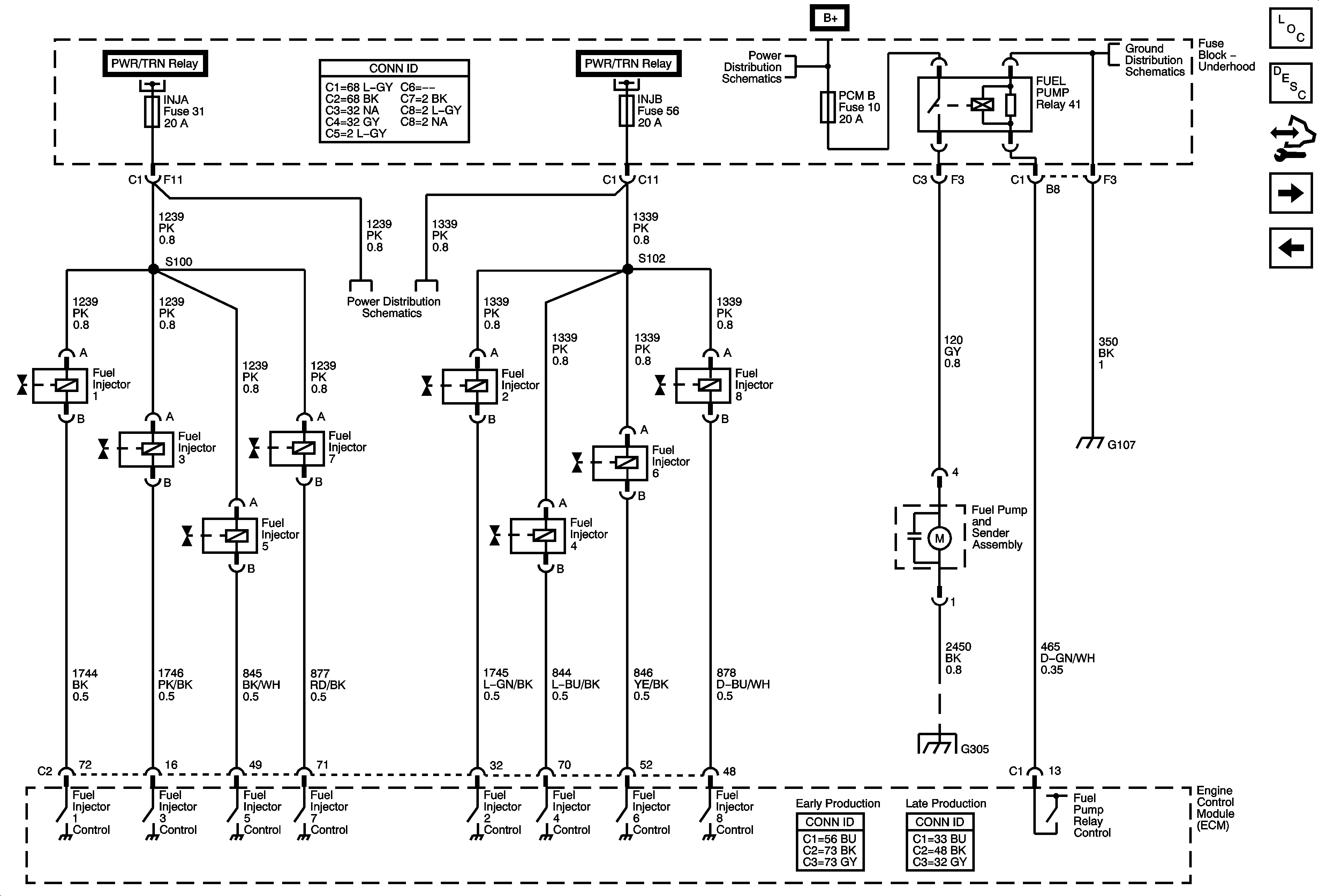
Fuel Controls - Fuel Pump and Fuel Injectors
Ignition Controls - Ignition Coils 2, 4, 6, and 8
Engine Controls Schematic Icons
Figure 11:

Fuel Controls - Fuel Pump and Fuel Injectors


Object Number: 1747989  Size: FS
Master Electrical Component List
Fuel System Description
Control Module References
Fuel Controls - EVAP Controls
Ignition Controls - Sensors
Underhood Fuse Block - PWR/TRN Relay - 1 of 2
Underhood Fuse Block - PWR/TRN Relay - 1 of 2
B+ Bus - Underhood Fuse Block
G104, G105, and G107
G201 - 2 of 2, and G305
Figure 12:

Fuel Controls - EVAP Controls


Object Number: 1747991  Size: FS
Master Electrical Component List
Electronic Ignition (EI) System Description
Control Module References
Controlled/Monitored Subsystem References
Engine Data Sensors - Throttle Actuator Controls
Underhood Fuse Block - PWR/TRN Relay - 2 of 2
B+ Bus - Underhood Fuse Block
AUX PWR 1, RR HVAC, SUNROOF, TBC 2, TBC 3, TBC 4, TBC 5, and TCM CNSTR Fuses
Fuel Gage
ENG 1, ETC, INJA, INJB, O2 SNSR A, O2 SNSR B Fuses - 5.3L/6.0L
Figure 13:

Controlled/Monitored Subsystem References


Object Number: 1747992  Size: FS
Master Electrical Component List
Electronic Ignition (EI) System Description
Control Module References
Fuel Controls - EVAP Controls
Gages
Fuel Gage
Gages
Compressor Controls
Compressor Controls
Charging System
Starting System
EBCM Power, Ground, Serial Data, Indicator, and Signal Circuits
PNP Switch and VSS
Engine Cooling Schematics