GM Service Manual Online
For 1990-2009 cars only
Makes
🢒
Buick
🢒
2007
🢒
Rainier
🢒
Driver Information and Entertainment
🢒
Secondary and Configurable Customer Controls
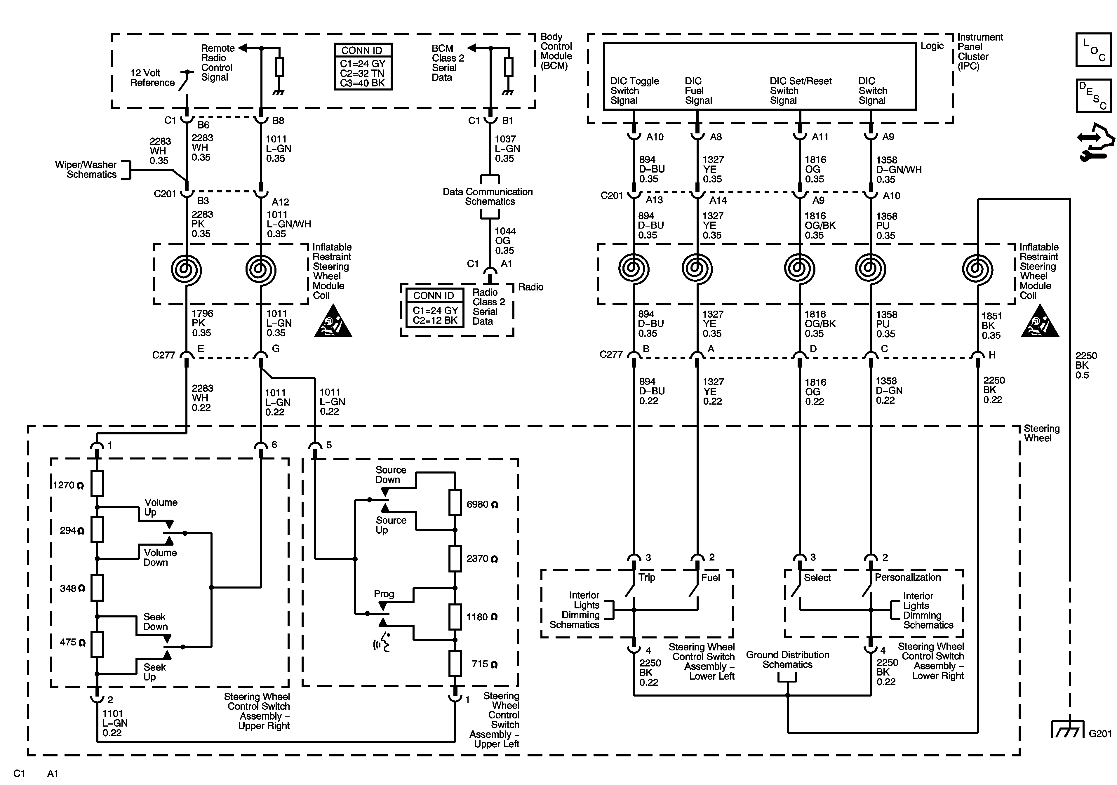
🢒 Steering Wheel Secondary/Configurable Control Schematics
Master Electrical Component List
Steering Wheel Controls Description and Operation
Control Module References
Rear Wiper/Washer Controls
Secondary/Configurable Control Schematic Icons
SP205
Secondary/Configurable Control Schematic Icons
I/P Dimming Supply - 2 of 2
I/P Dimming Supply - 2 of 2
G201 - 1 of 2