GM Service Manual Online
For 1990-2009 cars only
Makes
🢒
Buick
🢒
2007
🢒
Rainier
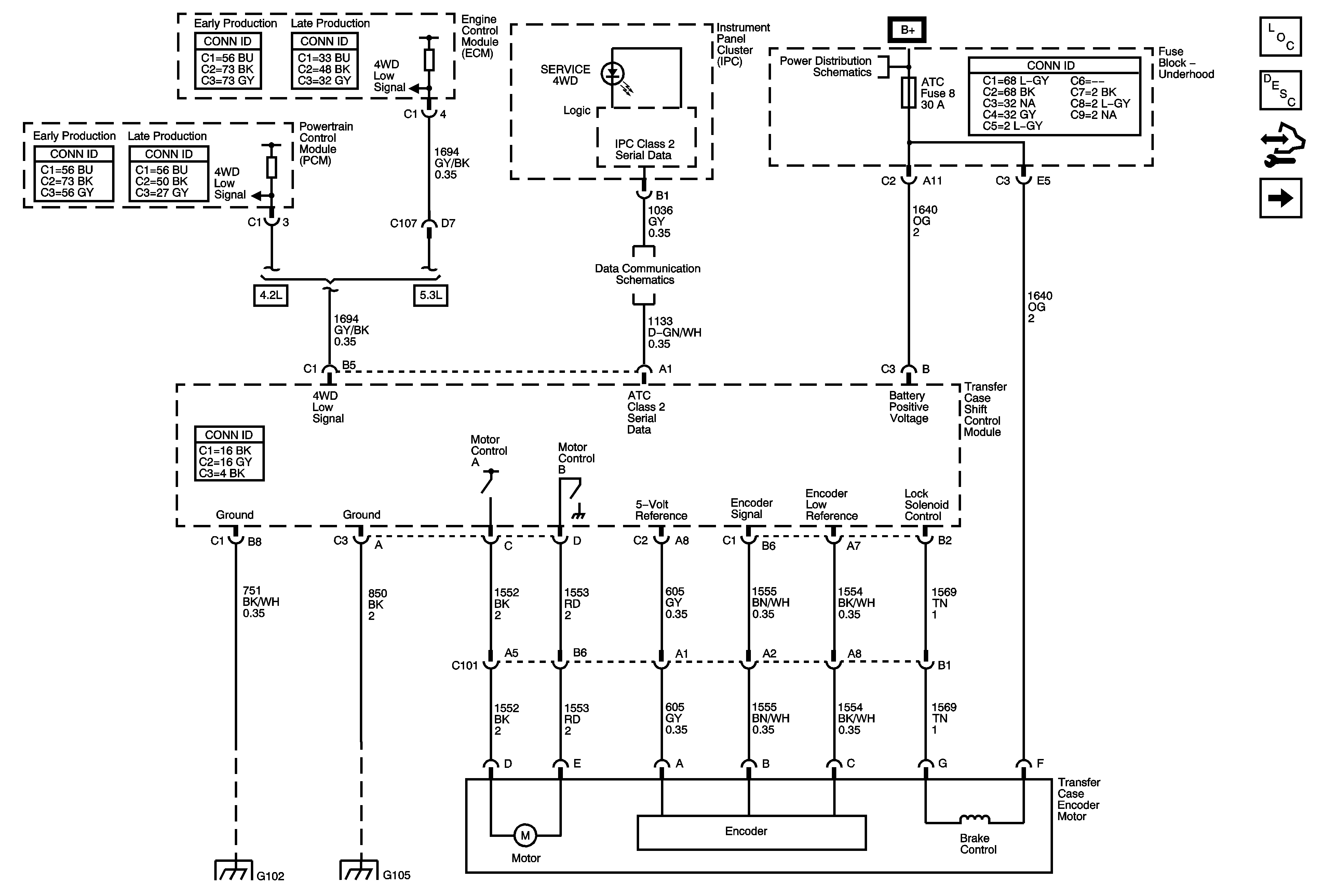
🢒 Power, Ground, Serial Data, and Transfer Case Encoder Motor
Power, Ground, Serial Data, and Transfer Case Encoder Motor
Power, Ground, Serial Data, and Transfer Case Encoder Motor
Master Electrical Component List
Control Module References
Speed Signal, Front Axle Actuator and Indicators
B+ Bus - Underhood Fuse Block
SP205
G102
G104, G105, and G107