GM Service Manual Online
For 1990-2009 cars only
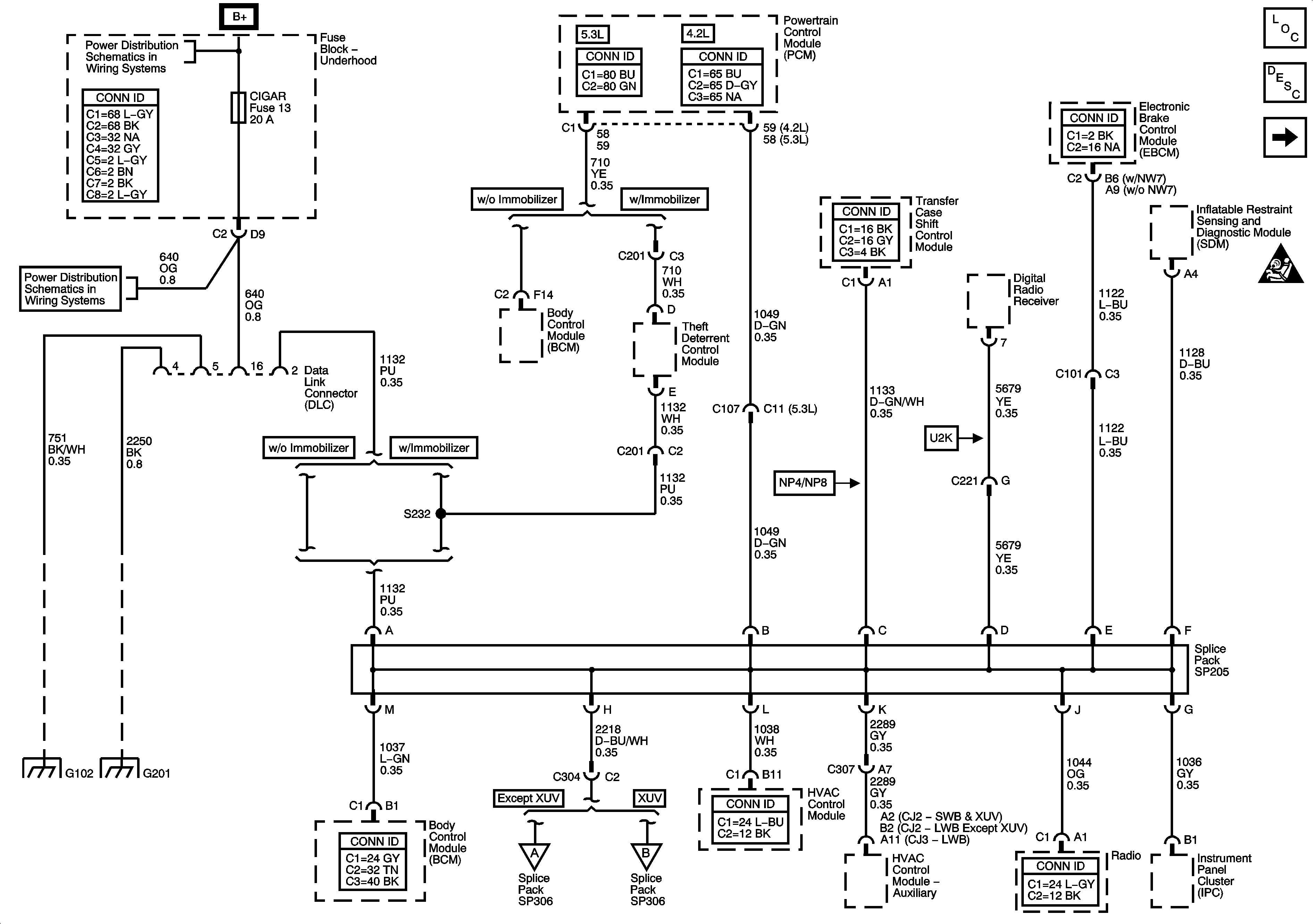
Figure 1:

Power, Ground, Data Link Connector, and SP205


Object Number: 1306438  Size: FS
Master Electrical Component List
Data Link Communications Description and Operation
SP306 - Except XUV
SIR Caution for Zoning
B+ Bus - Underhood Fuse Block
CIGAR, ABS, ATC, BLOWER, ECAS, IPC/DIC, FLASH, ST/LP, ELEK BRK, and TRAILER Fuses
G102
G201 - 1 of 2
SP306 - Except XUV
SP306 - XUV
Figure 2:

SP306 - Except XUV


Object Number: 1306440  Size: FS
Master Electrical Component List
Data Link Communications Description and Operation
SP306 - XUV
Power, Ground, Data Link Connector, and SP205
Power, Ground, Data Link Connector, and SP205
Figure 3:

SP306 - XUV


Object Number: 1306441  Size: FS
Master Electrical Component List
Data Link Communications Description and Operation
SP306 - Except XUV
Power, Ground, Data Link Connector, and SP205