GM Service Manual Online
For 1990-2009 cars only
Makes
🢒
Buick
🢒
2004
🢒
Rainier - 2WD
🢒 Except XUV
Except XUV
Except XUV
Master Electrical Component List
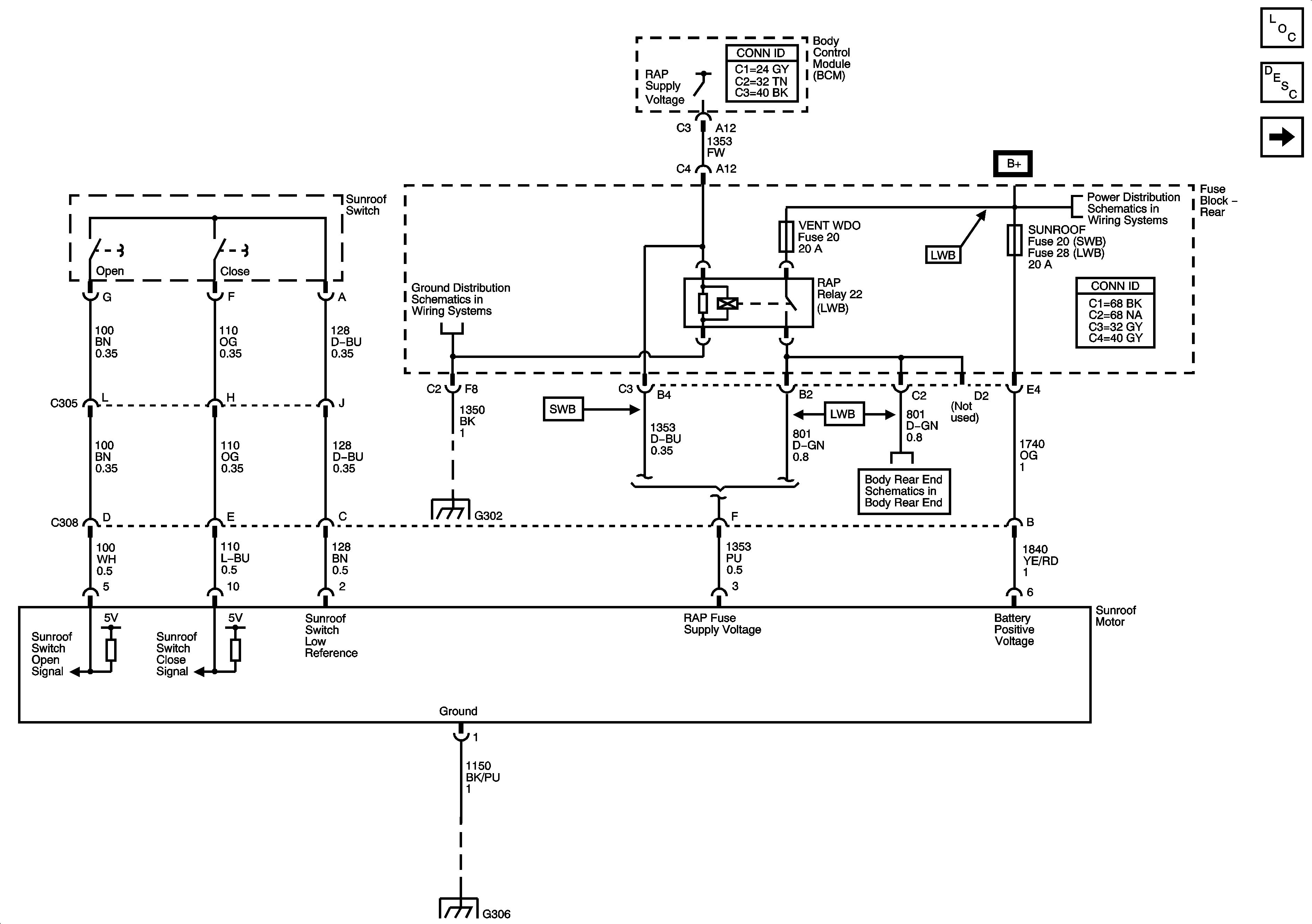
Sunroof Description and Operation Before VIN 209984
XUV
B+ Bus - Rear Fuse Block
G302 - 1 of 2, G303, and G304
G302 - 2 of 2
Quarter Glass Windows - Long Wheelbase (LWB) Except XUV
G306