GM Service Manual Online
For 1990-2009 cars only
Makes
🢒
Buick
🢒
2004
🢒
Rainier - 2WD
🢒 XUV
XUV
XUV
Master Electrical Component List
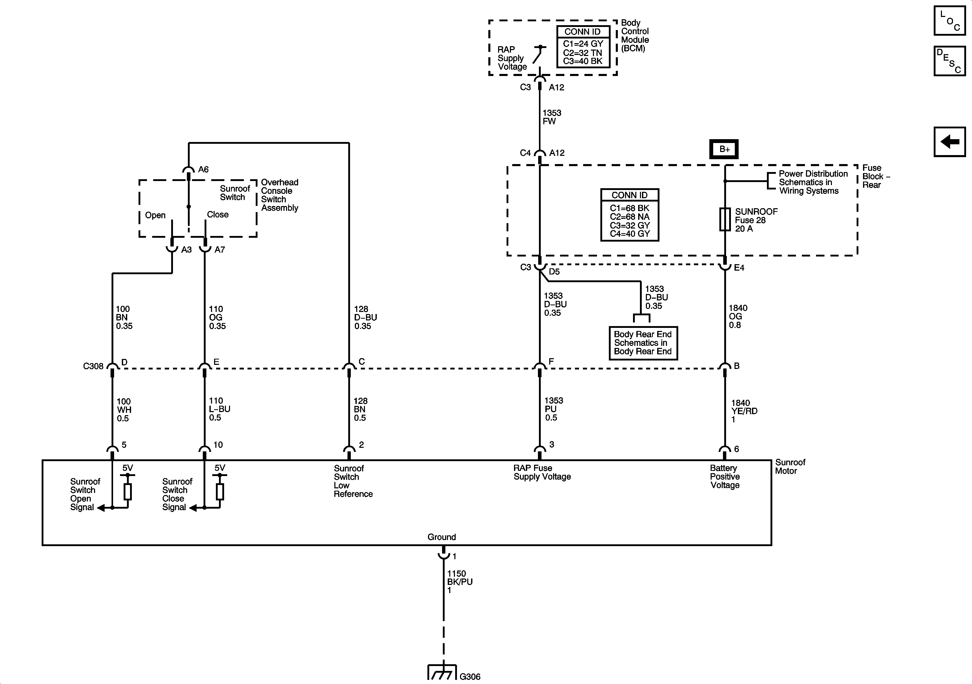
Sunroof Description and Operation
Except XUV
B+ Bus - Rear Fuse Block
Midgate - XUV Only
G306