GM Service Manual Online
For 1990-2009 cars only

PCM 80-Way Blue Connector C1 Details


Object Number: 15026  Size: CF

Connector Part Information

Blue PCM Connector C1

    • Body - 12160549
    • TPA - 12160569
    • Terminals - 12084913
    • Shield - 12160921

Pin

Wire Color

Circuit No.

Function

Component Connector Cavity

DTC(s) Affected

Possible Symptoms From a Faulty Circuit

1

--

--

--

--

--

--

2

--

--

--

--

--

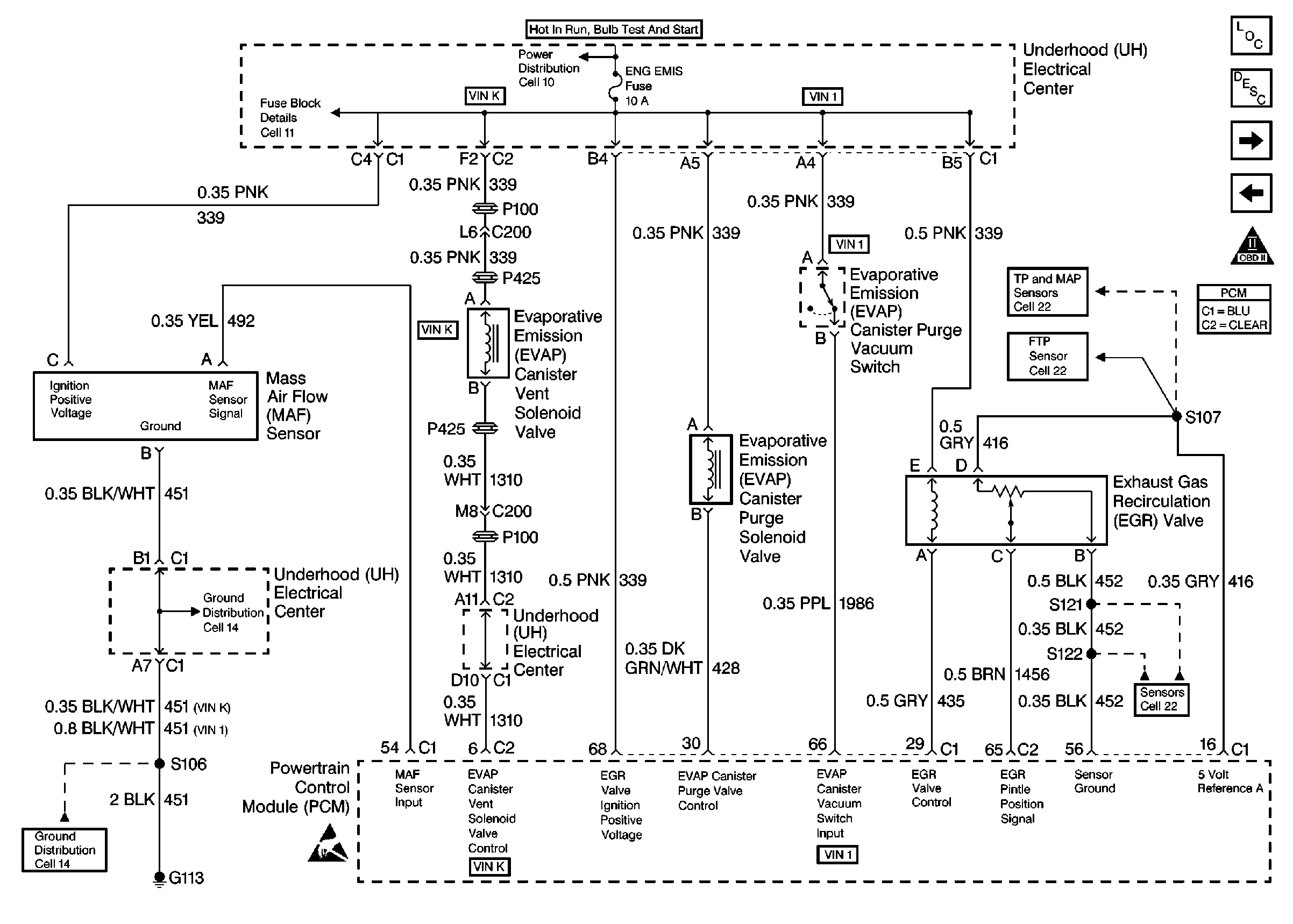
--

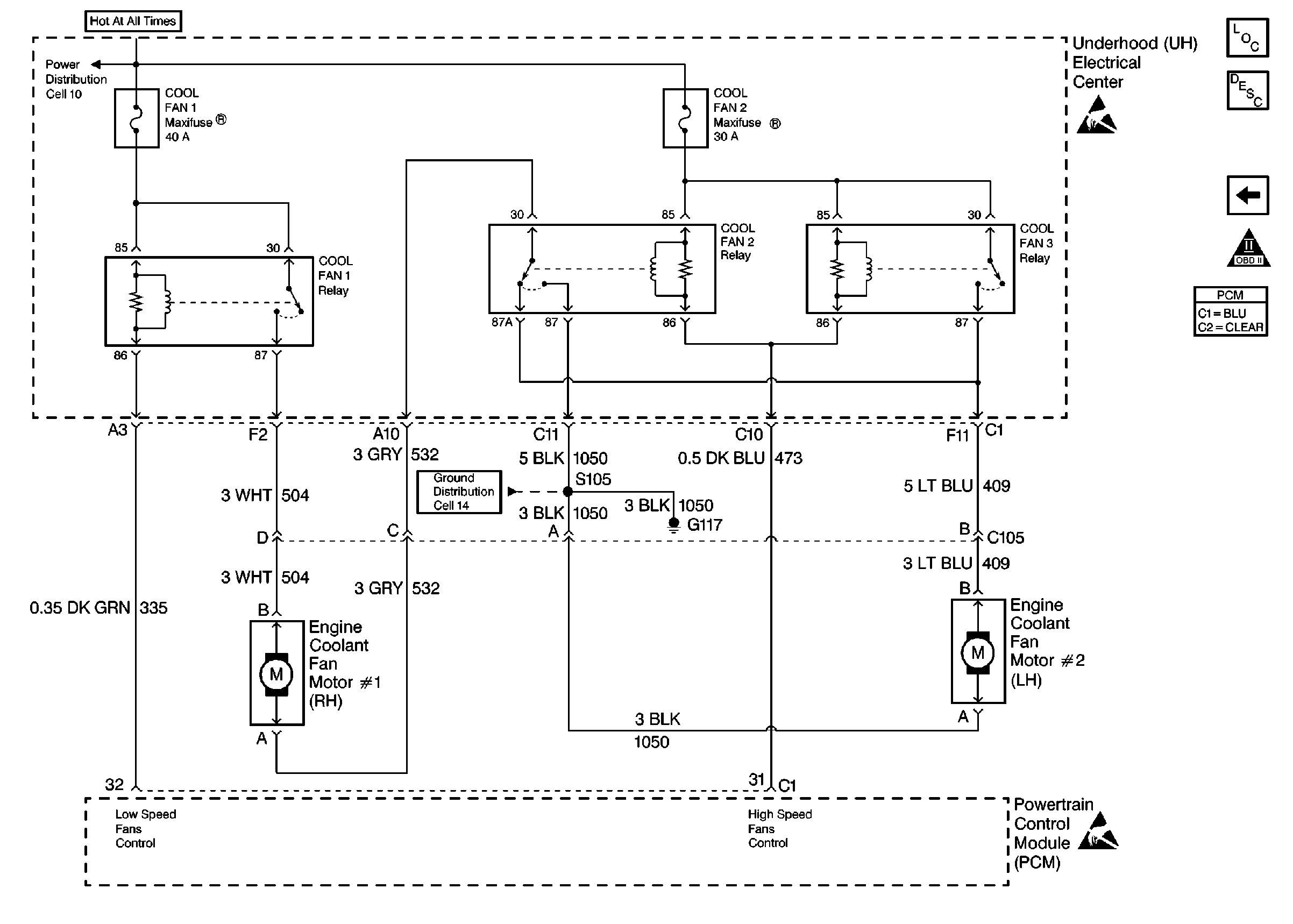
3

--

--

--

--

--

--

4

Lt Blu/Blk

647

18X Reference

ICM C

P0336

Intermittent fault will cause engine miss/cut-out, Inoperative Tachometer

5

Blk

630

Camshaft Position PCM Input

ICM F

P0341

Intermittent fault will cause engine miss/cut-out

6

Yel

400

VSS High

VSS B

P0502

Speedometer inoperative, late/harsh shifting, chuggle

Cruise Control Disabled

7

Red/ Blk

1230

Automatic Transmission Input (Shaft) Speed Sensor (AT ISS Sensor) (VIN 1 Only)

Transmission Connector S

P0716/P0717

Refer to 4T65-E Automatic Transaxle Diagnosis

8

Dk Grn/Wht

465

Fuel Pump Relay

Fuel Pump Relay 85

None

Stall/no start

9

Lt Blu/Wht

1747

IAC A High

IAC C

P0506/P0507

High or low idle, stalling

10

Lt Grn/Blk

444

IAC B Low

IAC B

P0506/P0507

High or low idle, stalling

11

Lt Blu/Blk

1748

IAC A Low

IAC D

P0506/P0507

High or low idle, stalling

12

Lt Grn/Wht

1749

IAC B High

IAC A

P0506/P0507

High or low idle, stalling

13

Dk Grn/Wht

817

4K/Mi Speed

Go to

VSS, Cruise


Object Number: 82207  Size: FS
Engine Controls Components Component Locations
Information Sensors
Transaxle Range Switch
IAC, Engine Oil Level, Engine Oil Pressure
OBD II Symbol Description Notice
Handling ESD Sensitive Parts Notice
Handling ESD Sensitive Parts Notice
Handling ESD Sensitive Parts Notice

None

Speedometer inoperative, Cruise Control inoperative

14

Orn/Blk

463

Traction Control Desired Torque (With Traction Control System RPO NW9 Only)

EBTCM Connector C3 Cavity B

P1571

Traction Control disabled, Traction OFF Lamp illuminated

15

--

--

--

--

--

--

16

Gry

416

5 Volt Reference A

TP Sensor C, MAP Sensor C, and EGR Valve D

P1635, P0101, P0122, P1107, P1122, P1406

Late shifting, incorrect/rough idle, stalling, surging

17

Gry

474

5 Volt Reference B

A/C Refrigerant Pressure Sensor B, Fuel Tank Pressure Sensor C

P1639, P0530

A/C compressor inoperative

18

--

--

--

--

--

--

19

Ppl

1500

Ignition Feed

Go to

Power, Ground, MIL, DLC


Object Number: 82259  Size: FS
Engine Controls Components Component Locations
Information Sensors
Ignition System, Knock Sensors
OBD II Symbol Description Notice
Handling ESD Sensitive Parts Notice
Handling ESD Sensitive Parts Notice

P0560

No start

20

Orn

540

Battery Feed

Go to

Power, Ground, MIL, DLC


Object Number: 82259  Size: FS
Engine Controls Components Component Locations
Information Sensors
Ignition System, Knock Sensors
OBD II Symbol Description Notice
Handling ESD Sensitive Parts Notice
Handling ESD Sensitive Parts Notice

P0560

No start

21

Blk/Wht

451

PCM Ground

Go to

Power, Ground, MIL, DLC


Object Number: 82259  Size: FS
Engine Controls Components Component Locations
Information Sensors
Ignition System, Knock Sensors
OBD II Symbol Description Notice
Handling ESD Sensitive Parts Notice
Handling ESD Sensitive Parts Notice

None

Intermittent symptoms

22

Brn

418

TCC PWM Solenoid Driver

Transaxle Connector C (VIN K), T (VIN 1)

P1860

Incorrect/Rough Idle, Cuts-out/Misses

23

Gry

1724

Boost Control Solenoid (ODM A Output 5) (VIN 1 Only)

Boost Control Solenoid B

P1645, P1257

Rough Idle, Reduced Performance

24

--

--

--

--

--

--

25

Brn/Wht

419

MIL Driver

Go to

Power, Ground, MIL, DLC


Object Number: 82259  Size: FS
Engine Controls Components Component Locations
Information Sensors
Ignition System, Knock Sensors
OBD II Symbol Description Notice
Handling ESD Sensitive Parts Notice
Handling ESD Sensitive Parts Notice

P1641

No MIL, MIL ON Steady

26

--

--

--

--

--

--

27

Lt Grn

497

Fuel Pump Speed Control (VIN 1 Only)

Fuel Pump Speed Control Relay 85

P1643

Noisy fuel pump (Pump operates in high speed only), Lean condition during high load conditions (Pump operates in normal speed only )

28

Tan/Blk

422

TCC Enable Solenoid Driver (VIN K Only )

Transaxle Connector D

P1864

Refer to 4T60-E AutomaticTransaxle Diagnosis

29

Gry

435

EGR Control

EGR Valve A

P1406, P1635

Incorrect/rough idle, lack of power, chuggle

30

Dk Grn/Wht

428

EVAP Canister Purge Driver

EVAP Canister Purge Solenoid B

P1655, P0441, P1441

Rough idle

31

Dk Blu

473

Fan 2 Driver (High Speed)

Go to

Coolant Fans


Object Number: 82292  Size: FS
Engine Controls Components Component Locations
Information Sensors
A/C Compressor Controls
OBD II Symbol Description Notice
Handling ESD Sensitive Parts Notice

P1652

High Speed Fans inoperative, High Speed Secondary Fan ON all the time, incorrect idle, possible overheating condition

32

Dk Grn

335

Fan 1 Driver (Low Speed)

Go to

Coolant Fans


Object Number: 82292  Size: FS
Engine Controls Components Component Locations
Information Sensors
A/C Compressor Controls
OBD II Symbol Description Notice
Handling ESD Sensitive Parts Notice

P1651

Low Speed Fans inoperative, Low Speed Fans ON all the time, incorrect idle, possible overheating condition

33

Tan/Blk

464

Traction Control Delivered Torque Driver (ODM B Output 3) (With Traction Control System RPO NW9 Only)

EBTCM Connector 3 Cavity A

P1653

Traction Control Disabled, Traction OFF Lamp illuminated

34

--

--

--

--

--

--

35

Dk Grn/Wht

459

A/C Compressor Clutch Relay Driver

A/C Compressor Relay F8/86

P1654

Incorrect/rough idle A/C compressor inoperative

36

Yel/Blk

625

Starter Enable Relay Driver

Transmission Range Connector E

--

Engine will not crank, Engine cranks in RUN or BULB Test, Starter and/or Flexplate ring gear damage

37

--

--

--

--

--

--

38

--

--

--

--

--

--

39

--

--

--

--

--

--

40

--

--

--

--

--

--

41

--

--

--

--

--

--

42

--

--

--

--

--

--

43

--

--

--

--

--

--

44

Ppl/wht

430

3X Reference

ICM D

P1374

Stalls, sets DTC on restart

45

Red/Blk

453

Reference Low

ICM G

--

Intermittent Symptoms

46

Dk Blu

1231

Automatic Transmission Input (Shaft) Speed Sensor (A/T ISS Sensor) (VIN 1 Only)

Transmission Connector V

P0716/P0717

Refer to 4T65-E Automatic Transaxle Diagnosis

47

Ppl

401

VSS Low

VSS / TOSS A

P0503F

Speedometer inoperative, late/harsh shifting, chuggle, Cruise Control Disabled

48

--

--

--

--

--

--

49

--

--

--

--

--

--

50

--

--

--

--

--

--

51

--

--

--

--

--

--

52

Tan/Blk

424

Bypass

ICM B

P1361

Incorrect/rough idle, lack of power

53

Wht

423

Ignition Control (IC)

ICM A

P1350, P1361

Incorrect/rough idle, lack of power

54

Yel

492

MAF Signal

MAF Sensor A

P0101, P0102, P0103

Reduced performance

55

--

--

--

--

--

--

56

Blk

452

Sensor Ground

ECT Sensor A, TP Sensor A, MAP Sensor A, IAT Sensor A, A/C Refrigerant Pressure Sensor A, EGR Valve B, Fuel Level Sensor D, Fuel Tank Pressure Sensor A, Transmission Connector G (VIN K) M (VIN 1)

P0108, P0118, P0123, P0530, P0713, P1106, P1115, P1121, P1406

Incorrect/rough idle, lack of power late/harsh shifting, chuggle, A/C compressor inoperative, Fuel gauge inoperative

57

--

--

--

--

--

--

58

--

--

--

--

--

--

59

Dk Grn

1049

Class 2 Data

DLC 2

None

No scan tool data

60

Blk/Wht

451

PCM Ground

Go to

Power, Ground, MIL, DLC


Object Number: 82259  Size: FS
Engine Controls Components Component Locations
Information Sensors
Ignition System, Knock Sensors
OBD II Symbol Description Notice
Handling ESD Sensitive Parts Notice
Handling ESD Sensitive Parts Notice

None

Intermittent symptoms

61

--

--

--

--

--

--

62

Dk Grn/Wht

762

A/C Request

A/C Controller Connector C2 Cavity B

P0530

A/C Compressor inoperative

63

Ppl

806

Crank

Go to

Transaxle Range Switch


Object Number: 82196  Size: FS
Engine Controls Components Component Locations
Information Sensors
Automatic Transaxle (VIN K), TCC Switch
VSS, Cruise
Handling ESD Sensitive Parts Notice
Handling ESD Sensitive Parts Notice
OBD II Symbol Description Notice

--

Starter is disabled

64

--

--

--

--

--

--

65

Pnk

439

Ignition Feed

Go to

Power, Ground, MIL, DLC


Object Number: 82259  Size: FS
Engine Controls Components Component Locations
Information Sensors
Ignition System, Knock Sensors
OBD II Symbol Description Notice
Handling ESD Sensitive Parts Notice
Handling ESD Sensitive Parts Notice

--

No Start

66

Ppl

1986

EVAP Vacuum Switch Input (VIN 1 Only)

EVAP Canister Purge Vacuum Switch B

P1441

--

67

Ppl

420

TCC Brake Switch

TCC Brake Switch D

--

Refer to 4T60-E (VIN K) / 4T65-E (VIN 1) AutomaticTransaxle Diagnosis

68

Pnk

339

EGR Ignition Filter

Go to

Engine Data Sensors-MAF, EVAP Vent, EVAP Vacuum, EVAP Purge, EGR


Object Number: 82276  Size: FS
Engine Controls Components Component Locations
Information Sensors
Engine Data Sensors-HO2S #1, HO2S #2
Engine Data Sensors-A/C Refrig Press, TP, MAP, ECT, IAT
OBD II Symbol Description Notice
Handling ESD Sensitive Parts Notice

P0401, P1406, P0133, P0135, P0141

Fuse blown, EGR Pintle Position error on scan tool varies excessively

69

Blk/Wht

771

Transaxle Range Signal A

Trans Range / Park Neutral Position Switch D

P0705, P0706

Idle flare when clutch is disengaged

70

Brn

1174

Engine Oil Level Switch

Oil Level Switch A

--

Low Oil Lamp ON for 1 minute after startup

71

--

--

--

--

--

--

72

776

Wht

Transaxle Range Signal P

Trans Range / Park Neutral Position Switch A

P0705, P0706

PCM defaults to D4 Gear select Position

73

--

--

--

--

--

--

74

--

--

--

--

--

--

75

Wht

85

Cruise Status

SMCC II Cruise Control Module J

P1554

--

76

Tan/Blk

231

Engine Oil Pressure Indicator Switch Input

Engine Oil Pressure Switch A

--

--

77

--

--

--

--

--

--

78

--

--

--

--

--

--

79

--

--

--

--

--

--

80

--

--

--

--

--

--

PCM 80-Way Clear Connector C2 Details


Object Number: 15030  Size: CF

Connector Part Information

Clear PCM Connector C2

    • Body - 12160549
    • TPA - 1216056A
    • Terminals - 12084913
    • Shield - 12160921

Pin

Wire Color

Circuit No.

Function

Component Connector Cavity

DTC(s) Affected

Possible Symptoms From a Faulty Circuit

1

--

--

--

--

--

--

2

--

--

--

--

--

--

3

--

--

--

--

--

--

4

--

--

--

--

--

--

5

--

--

--

--

--

--

6

Wht

1310

EVAP Canister Vent Solenoid Valve Control (VIN K Only )

EVAP Canister Vent Solenoid Valve B

P0440, P0446, P1675

--

7

--

--

--

--

--

--

8

--

--

--

--

--

--

9

Wht

121

Tachometer Indicator Control

Go to

Indicator Lamps


Object Number: 82171  Size: FS
Engine Controls Components Component Locations
Information Sensors
Engine Data Sensors-A/C Refrig Press, TP, MAP, ECT, IAT
Fuel Injectors
OBD II Symbol Description Notice
Handling ESD Sensitive Parts Notice
Handling ESD Sensitive Parts Notice

--

Inoperative Tachometer

10

--

--

--

--

--

--

11

Lt Grn

1222

Shift Solenoid A Driver

Transmission Connector A

P0753

Refer to 4T60-E (VIN K) / 4T65-E (VIN 1) Automatic Transaxle Diagnosis

12

Lt Grn

432

Manifold Absolute Pressure Sensor

MAP Sensor B

P0107, P0108, P1106, P1107

Default Manifold Absolute Pressure and BARO

13

Dk Grn

83

Cruise Inhibit Driver

SMCC II Cruise Control Module H

P1662

Cruise Control inoperative

14

--

--

--

--

--

--

15

--

--

--

--

--

--

16

--

--

--

--

--

--

17

Yel/Blk

1223

Shift Solenoid B Driver

Transmission Connector B

P0758

Refer to 4T60-E (VIN K) / 4T65-E (VIN 1) Automatic Transaxle Diagnosis

18

--

--

--

--

--

--

19

--

--

--

--

--

--

20

--

--

--

--

--

--

21

Blk/Wht

451

PCM Ground

Go to

Power, Ground, MIL, DLC


Object Number: 82259  Size: FS
Engine Controls Components Component Locations
Information Sensors
Ignition System, Knock Sensors
OBD II Symbol Description Notice
Handling ESD Sensitive Parts Notice
Handling ESD Sensitive Parts Notice

None

Intermittent Symptoms

22

Pnk/Blk

1746

Injector Cylinder 3

Injector Connector B

P1200, P0300

Incorrect/Rough Idle, Missing, Flashing MIL

23

Yel

772

Transaxle Range Signal B

Trans Range / Park Neutral Position Switch B

P0705, P0706

--

24

Lt Grn/Blk

1745

Injector Cylinder 2

Injector ConnectorB

P1200, P0300

Incorrect/Rough Idle, Missing, Flashing MIL

25

Gry

773

Transaxle Range Signal C

Trans Range / Park Neutral Position Switch C

P0705, P0706

--

26

Blk

1744

Injector Cylinder 1

Injector Connector B

P1200, P0300

Incorrect/Rough Idle, Missing, Flashing MIL

27

Pnk

1224

Trans Fluid Pressure Switch A Input

Transmission Connector N

--

Refer to 4T65-E Automatic Transaxle Diagnosis

28

Yel/Blk

846

Injector Cylinder 6

Injector Connector B

P1200, P0300

Incorrect/Rough Idle, Missing, Flashing MIL

29

Dk Blu

1225

Trans Fluid Pressure Switch B Input

Transmission Connector R

--

Refer to 4T65-E Automatic Transaxle Diagnosis

30

Blk/Wht

845

Injector Cylinder 5

Injector Connector B

P1200, P0300

Incorrect/Rough Idle, Missing, Flashing MIL

31

Red

1226

Trans Fluid Pressure Switch C Input

Transmission Connector P

--

Refer to 4T65-E Automatic Transaxle Diagnosis

32

Lt Blu/Blk

844

Injector Cylinder 4

Injector Connector B

P1200, P0300

Incorrect/Rough Idle, Missing, Flashing MIL

33

--

--

--

--

--

--

34

--

--

--

--

--

--

35

Red

225

Generator Control

Generator L

P0560

Charging system inoperative, Generator lamp commanded ON

36

--

--

--

--

--

--

37

--

--

--

--

--

--

38

--

--

--

--

--

--

39

--

--

--

--

--

--

40

--

--

--

--

--

--

41

--

--

--

--

--

--

42

--

--

--

--

--

--

43

--

--

--

--

--

--

44

--

--

--

--

--

--

45

Ppl

412

HO2S 1 Signal

HO2S 1 B

P0131, P0132, P0133, P0134

Open loop fuel control, incorrect/rough idle

46

Tan

413

HO2S 1 Low

HO2S 1 A

P0134

Open loop fuel control, incorrect/rough idle

47

Ppl/Wht

1668

HO2S 2 Signal

HO2S 2 B

P0137, P0138, P0140

--

48

Tan/Wht

1669

HO2S 2 Low

HO2S 2 A

P0140

--

49

--

--

--

--

--

--

50

--

--

--

--

--

--

51

Tan

472

Intake Air Temperature Sensor

IAT Sensor B

P0112, P0113, P1111, P1112

--

52

Yel

410

Engine Coolant Temperature Sensor

ECT Sensor B

P0117, P0118, P1114, P1115

Hard Start, Incorrect/Rough Idle, Cooling Fans Commanded On

53

Dk Blu

417

Throttle Position Sensor

TP Sensor B

P0122, P0123, P1121, P1122

Late/Harsh Shifting, TPS Default

54

--

--

--

--

--

--

55

--

--

--

--

--

--

56

--

--

--

--

--

--

57

--

--

--

--

--

--

58

--

--

--

--

--

--

59

--

--

--

--

--

--

60

Blk/Wht

451

PCM Ground

Go to

Power, Ground, MIL, DLC


Object Number: 82259  Size: FS
Engine Controls Components Component Locations
Information Sensors
Ignition System, Knock Sensors
OBD II Symbol Description Notice
Handling ESD Sensitive Parts Notice
Handling ESD Sensitive Parts Notice

--

Intermittent symptoms

61

Red/Blk

1228

Pressure Control Solenoid Valve

Transmission Connector C

P0748

Refer to 4T65-E Automatic Transaxle Diagnosis

62

Gry

23

Generator F Terminal

Generator F

--

Volts Lamp ON

63

Dk Blu

496

Bank 1 Knock Sensor

Bank 1 Knock Sensor

P0327

Default Knock Retard commanded

64

Lt Blu

1876

Bank 2 Knock Sensor

Bank 2 Knock Sensor

P0327

Default Knock Retard commanded

65

Brn

1456

EGR Pintle Position

EGR Valve C

P1406

Incorrect/Rough Idle, Cuts-out/Misses, Chuggles

66

--

--

--

--

--

--

67

Dk Grn

890

Fuel Tank Pressure Sensor

Go to

Fuel Control (VIN K)


Object Number: 82269  Size: FS
Engine Controls Components Component Locations
Information Sensors
Fuel Control (VIN 1)
Ignition System, Knock Sensors
OBD II Symbol Description Notice
Handling ESD Sensitive Parts Notice
Handling ESD Sensitive Parts Notice

P0440

--

68

--

--

--

--

--

--

69

--

--

--

--

--

--

70

--

--

--

--

--

--

71

Yel/Blk

1227

Transaxle Fluid Temperature Sensor

Transaxle ConnectorF (VIN K), L (VIN 1)

P0712, P0713

Refer to 4T60-E (VIN K) / 4T65-E (VIN 1) Automatic Transaxle Diagnosis

72

--

--

--

--

--

--

73

Red/Blk

380

A/C Refrigerant Pressure Sensor

A/C Refrigerant Pressure Sensor C

P0530

A/C Compressor Inoperative

74

Ppl

30

Fuel Tank Level Input

Go to

Fuel Control (VIN K)


Object Number: 82269  Size: FS
Engine Controls Components Component Locations
Information Sensors
Fuel Control (VIN 1)
Ignition System, Knock Sensors
OBD II Symbol Description Notice
Handling ESD Sensitive Parts Notice
Handling ESD Sensitive Parts Notice

--

Fuel Gauge Inoperative

75

Yel

657

TCC Release Switch Input

Transmission Connector U

P1887

Refer to 4T65-E Automatic Transaxle Diagnosis

76

--

--

--

--

--

--

77

--

--

--

--

--

--

78

--

--

--

--

--

--

79

--

--

--

--

--

--

80

--

--

--

--

--

--