GM Service Manual Online
For 1990-2009 cars only
Table 1: Electric Cooling Fan Functional Check
Table 2: Electric Cooling Fan Table #1
Table 3: Electric Cooling Fan Table #2
Table 4: Electric Cooling Fan Table #3

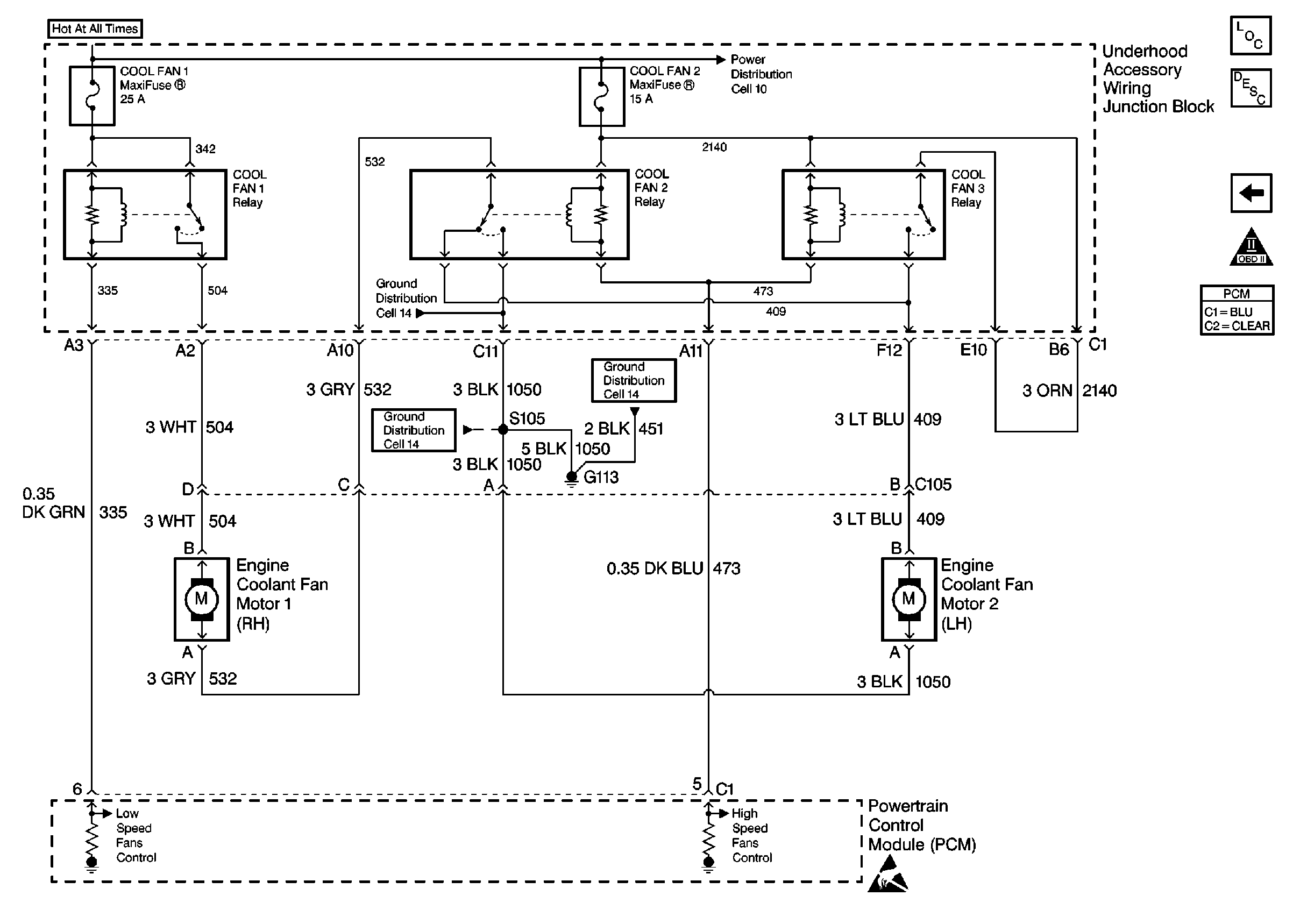
Refer to Engine Controls Schematics

Cell 21: Coolant Fans


Object Number: 349424  Size: FS
OBDII Symbol Description Notice
Cell 21: A/C Compressor Controls
Cell 10: Underhood Accessory Wiring Junction Block
Cell 14: G113, and G117
Cell 14: G100, G111, G113, and G117
Handling Electrostatic Discharge Sensitive Parts Notice
.

Circuit Description:

The Engine Coolant Fan Motor #1 receives power from a 40 amp maxifuse. The Engine Coolant Fan Motor #2 receives power from a 30 amp maxifuse. Both maxifuses are located in the Underhood Electrical Center.

During low speed operation, the PCM supplies a ground path for the Cool Fan 1 relay through the Low Speed Fans Control circuit. This energizes the relay coil, closes the Fan 1 relay contacts, and supplies current to engine cooling fans. The ground path for engine cooling fan #1 motor is through the series/parallel cooling fan relay (Cool Fan 2 relay) and engine cooling fan #2 motor. The result is a series circuit with both fans running at low speed.

To command high speed cooling fan operation the PCM first supplies a ground path for the Cool Fan 1 relay through the Low Speed Fans control circuit. After a 3 second delay, the PCM supplies a ground path for the Cool Fan 2 (series/parallel) and Cool Fan 3 relays through the High Speed Fans Control circuit. During high speed operation, both engine cooling fan Motors are supplied current through their respective maxifuse and each fan has its own ground path.

Important: When certain Diagnostic Trouble Codes (DTCs) are present, the PCM may command the cooling fans to run all the time. It is important to perform the Powertrain On-Board Diagnostic System check prior to diagnosing the engine cooling fans.

The PCM commands low speed fans operation under the following conditions:

VIN K

    • When engine coolant temperature exceeds 106°C (223°F).
    • When A/C is requested and ambient temperature is greater than 50°C (122°F)
    • When A/C refrigerant pressure is greater than 190 psi (2 volts).
    • When the ignition switch is turned off and engine coolant temperature is greater than 140°C (284°F).

VIN 1

    • When engine coolant temperature exceeds 100°C (223°F).
    • When A/C is requested and ambient temperature is greater than 40°C (104°F)
    • When A/C refrigerant pressure is greater than 190 psi (2 volts).
    • When the ignition switch is turned off and engine coolant temperature is greater than 140°C (284°F).

The PCM commands high speed fans operation under the following conditions:

VIN K

    • When engine coolant temperature exceeds 110°C (230°F).
    • When A/C refrigerant pressure is greater than 240 psi (2.5 volts).

VIN 1

    • When engine coolant temperature exceeds 108°C (226°F).
    • When A/C refrigerant pressure is greater than 240 psi (2.5 volts).

Diagnostic Aids

Check for the following conditions:

    • Poor connection at the PCM, cooling fan relays, or cooling fan motors. Inspect harness connectors for backed out terminals, improper mating, broken locks, improperly formed or damaged terminals, and poor terminal to wire connection.
    • Damaged harness. Inspect the wiring harness for damage.

Test Description

The numbers below refer to numbers on the diagnostic table.

  1. The PCM will enable the engine cooling fans when certain Diagnostic Trouble Codes are set. Go to applicable DTC Table first before proceeding with this table.

  2. Allow engine coolant temperature to cool below 100°C (212°F) before proceeding with diagnosis.

Electric Cooling Fan Functional Check

Step

Action

Value(s)

Yes

No

1

Did you perform the Powertrain On-Board Diagnostic (OBD) System Check?

--

Go to Step 2

Go to Powertrain On Board Diagnostic (OBD) System Check

2

Are any DTCs set?

--

Go to Applicable DTC

Go to Step 3

3

  1. Install a scan tool.
  2. Engine coolant temperature must be below the specified value for all the fan diagnoses.
  3. Turn ON the Ignition, with the engine and A/C OFF.

Are the cooling fans OFF?

100°C (212°F)

Go to Step 4

Go to Cooling Fan table #1

4

With a scan tool, command the low speed cooling fan relay ON.

Are both cooling fans ON?

--

Go to Step 5

Go to Cooling Fan table #2

5

With a scan tool, command the high speed cooling fan relay ON.

Do both cooling fans switch to high speed?

--

Go to Step 6

Go to Cooling Fan table #3

6

  1. Wth a scan tool, exit outputs.
  2. Idle the engine leaving the A/C OFF.

Are the cooling fans ON?

--

Go to Step 8

Go to Step 7

7

Turn ON the A/C.

Are the cooling fans ON?

--

System OK

Go to Step 9

8

Does the scan tool display A/C request as YES?

--

Go to Diagnostic System Check for further diagnosis of the A/C system.

Go to Step 10

9

Does the scan tool display A/C request as YES?

--

Go to HVAC Compressor Controls System Check for further diagnosis of the A/C Refrigerant Pressure Sensor

Go to Diagnostic System Check for further diagnosis of the A/C system.

10

Important: Program the replacement PCM. Refer to Powertrain Control Module Replacement/Programming .

Replace the PCM.

Is the action complete?

--

System OK

--

Electric Cooling Fan Table #1

Step

Action

Value(s)

Yes

No

1

Did you perform the Cooling Fan Functional Check?

--

Go to Step 2

Go to Cooling Fan Functional Check

2

Disconnect the low speed fan relay.

Are both fans OFF?

--

Go to Step 8

Go to Step 3

3

Disconnect series/parallel fan relay.

Are both fans OFF?

--

Go to Step 4

Go to Step 10

4

  1. Disconnect the left fan.
  2. Probe the fan feed terminal of the left fan connector using a J 35616-200 test lamp that is connected to a good ground.

Does the test lamp illuminate?

--

Go to Step 11

Go to Step 5

5

Probe the series/parallel relay switch feed terminal at the left fan connector using a test lamp that is connected to a good ground.

Does the test lamp illuminate?

--

Go to Step 12

Go to Step 6

6

Probe the series/parallel cooling fan relay control circuit at the series/parallel cooling fan relay connector using a test lamp that is connected to B+.

Does the test lamp illuminate?

--

Go to Step 7

Go to Step 13

7

  1. Turn OFF the ignition.
  2. Leave the test lamp installed.
  3. Disconnect the PCM.
  4. Turn ON the ignition, with the engine OFF.

Is the test lamp still illuminated?

--

Go to Step 14

Go to Step 16

8

Probe the low speed cooling fan relay control circuit at the low speed cooling fan relay connector using the test lamp that is connected to B+.

Does the test lamp illuminate?

--

Go to Step 9

Go to Step 13

9

  1. Turn OFF the ignition.
  2. Leave the test lamp installed.
  3. Disconnect the PCM.
  4. Turn ON the ignition, with the engine OFF.

Is the test lamp still illuminated?

--

Go to Step 14

Go to Step 16

10

Repair the RH fan feed circuit for a short to voltage. Refer to Wiring Repairs .

Did you find and correct the condition?

--

Go to Cooling Fan Functional Check

Go to Step 15

11

Repair the LH fan feed circuit for a short to voltage. Refer to Wiring Repairs .

Is the action complete?

--

Go to Cooling Fan Functional Check

--

12

Repair the short to voltage in the series/parallel relay switch feed circuit. Refer to Wiring Repairs .

Is the action complete?

--

Go to Cooling Fan Functional Check

--

13

Replace the low speed cooling fan relay.

Is the action complete?

--

Go to Cooling Fan Functional Check

--

14

Repair the high speed cooling fan relay control circuit or the low speed cooling fan relay control circuit for a short to ground. Refer to Wiring Repairs .

Is the action complete?

--

Go to Cooling Fan Functional Check

--

15

Replace the high speed cooling fan relay.

Is the action complete?

--

Go to Cooling Fan Functional Check

--

16

Important:: Program the replacement PCM. Refer to Powertrain Control Module Replacement/Programming .

Replace the PCM.

Is the action complete?

--

Go to Cooling Fan Functional Check

--

Electric Cooling Fan Table #2

Step

Action

Value(s)

Yes

No

1

Did you perform the Cooling Fan Functional Check?

--

Go to Step 2

Go to Cooling Fan Functional Check

2

Did either fan turn ON when the low speed cooling fan relay was commanded ON?

--

Go to Step 3

Go to Step 5

3

  1. Install a scan tool.
  2. With a scan tool, command the low speed cooling fan relay ON.

Did the other fan turn OFF?

--

Go to Step 19

Go to Step 4

4

Disconnect the high speed cooling fan relay.

Did the fan turn OFF?

--

Go to Step 20

Go to Step 21

5

  1. With a scan tool, command the low speed cooling fan relay ON.
  2. Disconnect the low speed cooling fan relay.
  3. Probe the low speed cooling relay control circuit at the e low speed cooling fan relay connector using a J 35616-200 test lamp that is connected to B+.

Does the test lamp illuminate?

--

Go to Step 6

Go to Step 13

6

Probe both feed circuits at the low speed cooling fan relay connector using a test lamp that is connected to ground.

Does test lamp illuminate for both circuits?

--

Go to Step 7

Go to Step 22

7

Important: Leave jumper in place for remainder of this table.

Connect a fused jumper wire between the switch feed circuit and the LH fan feed circuit at the low speed cooling fan relay connector.

Do both fans turn ON?

--

Go to Step 23

Go to Step 8

8

  1. Disconnect the left fan.
  2. Probe left fan feed circuit at the fan harness connector terminal with a test lamp that is connected to a good ground,

Does the test lamp illuminate?

--

Go to Step 9

Go to Step 24

9

Connect a second fused jumper wire between the left fan harness connector terminals.

Is the right fan ON?

--

Go to Step 16

Go to Step 10

10

  1. Reconnect the left fan.
  2. Disconnect the C fan relay.
  3. Probe the switch feed circuit at the series/parallel fan relay connector using a test lamp that is connected to a good ground.

Does the test lamp illuminate?

--

Go to Step 11

Go to Step 25

11

Using the second jumper wire, jumper the switch ignition feed circuit and the RH fan feed circuit together at the series/parallel relay connector.

Do the fans come ON?

--

Go to Step 26

Go to Step 12

12

  1. Reconnect the series/parallel fan relay.
  2. Disconnect the right fan.
  3. Probe the fan feed circuit at the fan harness connector terminal with a test lamp that is connected to a good ground.

Is the left fan ON?

--

Go to Step 16

Go to Step 18

13

  1. Test lamp still connected.
  2. Turn OFF the ignition.
  3. Disconnect the PCM.
  4. Probe the low speed cooling fan relay control circuit at the PCM connector, with a fused jumper wire that is connected to a good ground.

Is the test lamp ON?

--

Go to Step 20

Go to Step 21

14

Inspect the PCM connections. Repair faulty connections as necessary. Refer to Intermittents and Poor Connections Diagnosis and Repairing Connector Terminals .

Did you find a problem and correct it?

--

Go to Cooling Fan Functional Check

Go to Step 27

15

Repair the low speed fan relay control circuit for an open or short to B+. Refer to Wiring Repairs .

Is the action complete?

--

Go to Cooling Fan Functional Check

--

16

Inspect the fan motor ground circuit for an open or the fan motor connections and repair as necessary. Refer to Intermittents and Poor Connections Diagnosis and Repairing Connector Terminals or Wiring Repairs .

Did you find and correct the condition?

--

Go to Cooling Fan Functional Check

Go to Step 17

17

Replace the fan motor.

Is the action complete?

--

Go to Cooling Fan Functional Check

--

18

Repair the RH fan feed circuit for an open. Refer to Wiring Repairs .

Is the action complete?

--

Go to Cooling Fan Functional Check

--

19

Replace the fan which was not operating.

Is the action complete?

--

Go to Cooling Fan Functional Check

--

20

Replace the high speed fan relay.

Is the action complete?

--

Go to Cooling Fan Functional Check

--

21

Repair the series/parallel fan relay switch feed circuit for a short to ground. Refer to Wiring Repairs .

Did you find and correct the condition?

--

Go to Cooling Fan Functional Check

Go to Step 26

22

Repair the open or the grounded circuit for the circuit that did not light. Refer to Wiring Repairs .

Is the action complete?

--

Go to Cooling Fan Functional Check

--

23

Replace the low speed fan relay.

Is the action complete?

--

Go to Cooling Fan Functional Check

--

24

Repair the LH fan feed circuit for an open. Refer to Wiring Repairs .

Is the action complete?

--

Go to Cooling Fan Functional Check

--

25

Repair the series/parallel relay switch feed circuit for an open. Refer to Wiring Repairs .

Is the action complete?

--

Go to Cooling Fan Functional Check

--

26

Replace the series/parallel fan relay.

Is the action complete?

--

Go to Cooling Fan Functional Check

--

27

Important: Program the replacement PCM. Refer to Powertrain Control Module Replacement/Programming .

Replace the PCM.

Is the action complete?

--

Go to Cooling Fan Functional Check

--

Electric Cooling Fan Table #3

Step

Action

Value(s)

Yes

No

1

Did you perform the Cooling Fan Functional Check?

--

Go to Step 2

Go to Cooling Fan Functional Check

2

  1. With a scan tool, command the low speed cooling fan relay ON.
  2. Command the high speed cooling fan relay ON while observing the fans.

Did both fans operate with no change?

--

Go to Step 8

Go to Step 3

3

Did the left fan stop operating?

--

Go to Step 9

Go to Step 4

4

  1. Disconnect the high speed fan relay.
  2. Probe the high speed fan relay control circuit at the high speed fan relay connector using a J 35616-200 test lamp that is connected to B+.
  3. Command high speed cooling fan relay ON using a scan tool.

Does the test lamp illuminate after several seconds?

--

Go to Step 5

Go to Step 12

5

Probe the coil feed circuit at the high speed fan relay connector location using a test lamp that is connected to a good ground.

Does the test lamp illuminate?

--

Go to Step 6

Go to Step 13

6

Probe the switch feed circuit at the high speed fan relay connector using a test lamp that is connected to a good ground.

Does the test lamp illuminate?

--

Go to Step 7

Go to Step 14

7

Jumper the switch ignition feed circuit and the RH fan feed circuit together at the high speed fan relay connector.

Is the right fan ON?

--

Go to Step 15

Go to Step 16

8

  1. Turn OFF the ignition.
  2. Disconnect the PCM.
  3. Disconnect low speed fan relay.
  4. Jumper the switch feed circuit and the LH fan feed circuit together at the low speed fan relay connector.
  5. Turn the ignition ON.
  6. Probe the PCM harness connector for the high speed cooling fan relay control circuit with a fused jumper that is connected to a good ground.

Do the fans switch from low to high speed?

--

Go to Step 22

Go to Step 17

9

  1. Disconnect the series/parallel fan relay.
  2. Probe the high speed fan relay control circuit at the series/parallel fan relay connector using a test lamp that is connected to B+.
  3. Command the high speed cooling fan relay ON using a scan tool.

Does the test lamp illuminate?

--

Go to Step 10

Go to Step 18

10

Probe the ground circuit at the series/parallel fan relay connector using a test lamp that is connected to B+.

Does the test lamp illuminate?

--

Go to Step 11

Go to Step 19

11

Probe the coil feed circuit at the series /parallel relay connector using a test lamp that is connected to a good ground.

Does the test lamp illuminate?

--

Go to Step 20

Go to Step 21

12

Repair the high speed fan relay control circuit for an open between the high speed fan relay and the splice. Refer to Wiring Repairs .

Is the action complete?

--

Go to Cooling Fan Functional Check

--

13

Repair the open in the high speed fan relay coil feed circuit . Refer to Wiring Repairs .

Is the action complete?

--

Go to Cooling Fan Functional Check

--

14

Repair the open in the high speed fan relay switch feed circuit . Refer to Wiring Repairs .

Is the action complete?

--

Go to Cooling Fan Functional Check

--

15

Replace the high speed fan relay.

Is the action complete?

--

Go to Cooling Fan Functional Check

--

16

Repair the open in the RH fan feed circuit between the high speed fan relay and the splice. Refer to Wiring Repairs .

Is the action complete?

--

Go to Cooling Fan Functional Check

--

17

Repair the high speed fan relay control circuit for an open or for a short to B+. Refer to Wiring Repairs .

Is the action complete?

--

Go to Cooling Fan Functional Check

--

18

Repair the open in the high speed fan relay control circuit between the series/parallel fan relay and the splice. Refer to Wiring Repairs .

Is the action complete?

--

Go to Cooling Fan Functional Check

--

19

Repair the open in the ground circuit. Refer to Wiring Repairs .

Is the action complete?

--

Go to Cooling Fan Functional Check

--

20

Replace the series/parallel fan relay.

Is the action complete?

--

Go to Cooling Fan Functional Check

--

21

Repair the open in series/parallel fan relay coil feed circuit . Refer to Wiring Repairs .

Is the action complete?

--

Go to Cooling Fan Functional Check

--

22

  1. Inspect the PCM connections. Refer to Intermittents and Poor Connections Diagnosis .
  2. Repair faulty connections as necessary. Refer to Repairing Connector Terminals .

Did you find and correct the condition?

--

Go to Cooling Fan Functional Check

Go to Step 23

23

Important:: Program the replacement PCM. Refer to Powertrain Control Module Replacement/Programming .

Replace the PCM.

Is the action complete?

--

Go to Cooling Fan Functional Check

--