GM Service Manual Online
For 1990-2009 cars only

Refer to Engine Controls Schematics

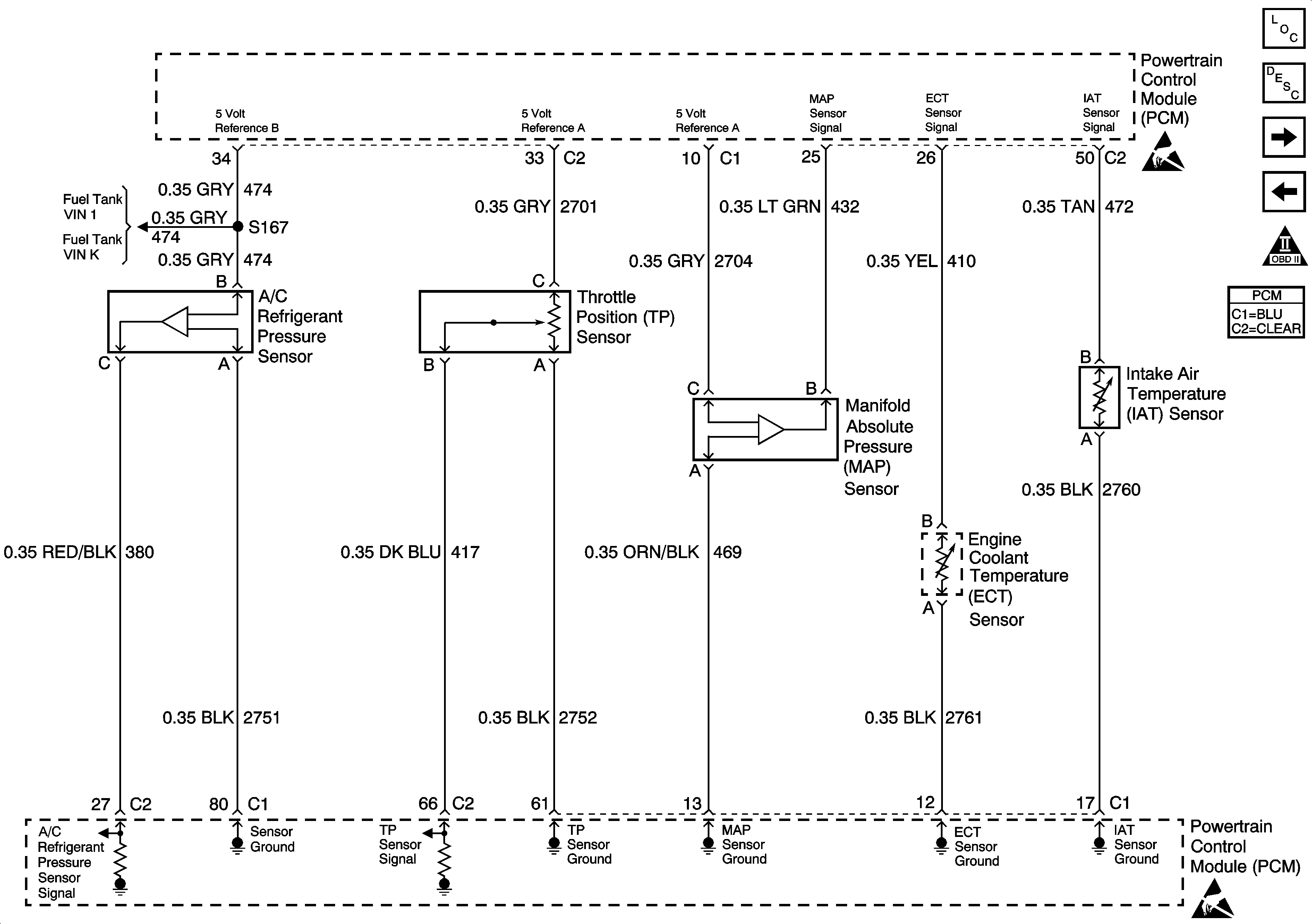
Cell 21: Engine Data Sensors-A/C Refrig Press, ECT, IAT, MAP and TP


Object Number: 349367  Size: FS
Cell 21: Engine Data Sensors-HO2S 1 and HO2S 2
OBDII Symbol Description Notice
Cell 21: Fuel Injectors
Cell 21: Fuel Controls - VIN 1 (1 of 2)
Cell 21: Fuel Controls - VIN K
Handling Electrostatic Discharge Sensitive Parts Notice
Handling Electrostatic Discharge Sensitive Parts Notice
.

Circuit Description

The PCM uses the 5 Volt Reference A circuit as a sensor feed to the following sensors:

    • The TP sensor.
    • The MAP sensor.
    • The EGR Valve Pintle Position sensor.

The PCM monitors the voltage on the 5 Volt Reference A circuit. If the voltage is out of tolerance, the PCM will set DTC P1635.

Conditions for Setting the DTC

    • The PCM detects a voltage out of tolerance condition on the 5 Volt Reference A circuit.
    • The above condition is present for longer than 10 seconds.

Action Taken When the DTC Sets

    • The PCM will illuminate the MIL during the second consecutive trip in which the diagnostic test has been run and failed.
    • The PCM will store conditions which were present when the DTC set as Freeze Frame and Fail Records data.

Conditions for Clearing the MIL/DTC

    • The PCM will turn the MIL OFF during the third consecutive trip in which the diagnostic has been run and passed.
    • The history DTC will clear after 40 consecutive warm-up cycles have occurred without a malfunction.
    • The DTC can be cleared by using the scan tool Clear Info function or by disconnecting the PCM battery feed.

Diagnostic Aids

Important:: Be sure to inspect PCM and engine grounds for being secure and clean.

Check for the following conditions:

    • Poor connection at the PCM.
        Inspect harness connectors for backed out terminals, improper mating, broken locks, improperly formed or damaged terminals, and poor terminal to wire connection.
    • Damaged harness.
        Inspect the wiring harness for damage. If the harness appears to be OK, observe the MAP display on the scan tool with the ignition ON, engine not running while moving connectors and wiring harnesses related to the following sensors. A change in the MAP display will indicate the location of the malfunction.
       - The TP sensor.
       - The MAP sensor.
       - The EGR valve.

Reviewing the Fail Records vehicle mileage since the diagnostic test last failed may help determine how often the condition that caused the DTC to be set occurs. This may assist in diagnosing the condition.

Test Description

Number(s) below refer to the step number(s) on the Diagnostic Table.

  1. A malfunctioning EGR valve can leak a small amount of current from the ignition feed circuit to the 5 volt reference A circuit. If the problem does not exist with the EGR valve disconnected, replace the EGR valve.

  2. This vehicle is equipped with a PCM which utilizes an Electrically Erasable Programmable Read Only Memory (EEPROM). When the PCM is being replaced, the new PCM must be programmed.

DTC P1635 - 5 Volt Reference A Circuit

Step

Action

Value(s)

Yes

No

1

Was the Powertrain On-Board Diagnostic (OBD) System Check performed?

--

Go to Step 2

Go to Powertrain On Board Diagnostic (OBD) System Check

2

  1. Visually/physically check the PCM and engine grounds. Ensure that the grounds are clean and secure.
  2. If a problem is found, repair as necessary. Refer to Wiring Repairs .

Was a problem found?

--

Go to Step 14

Go to Step 3

3

Select Diagnostic Trouble Code (DTC) and record any other DTCs set.

Are any other DTCs set?

--

Go to applicable DTCs

Go to Step 4

4

  1. Turn OFF the ignition switch.
  2. Disconnect the PCM.
  3. Turn ON the ignition switch.
  4. Using a DMM measure voltage between the 5 volt reference A circuit and the PCM ground circuit at the PCM harness connector.

Is voltage greater than the specified value indicated?

5.5V

Go to Step 5

Go to Step 9

5

Monitor the DMM connected between the 5 volt reference A circuit and the PCM ground circuit while disconnecting the EGR valve.

Is voltage greater than the specified value still indicated with the EGR valve disconnected?

5.5V

Go to Step 6

Go to Step 8

6

  1. Monitor the DMM connected between the 5 volt reference A circuit and the PCM ground circuit while disconnecting the following sensors (one at a time):
  2. • TP sensor
    • MAP sensor
  3. If voltage changes when one of the above components is disconnected, locate and repair short to voltage in the affected sensor signal circuit. Refer to Wiring Repairs .

Was a problem found?

--

Go to Step 14

Go to Step 7

7

  1. Turn OFF the ignition switch.
  2. Disconnect the PCM.
  3. Turn ON the ignition switch.
  4. Check the 5 volt reference A circuit for a short to voltage.
  5. If a problem is found, repair as necessary. Refer to Wiring Repairs .

Was a problem found?

--

Go to Step 14

Go to Step 13

8

  1. Check the EGR Pintle Position signal circuit for a short to voltage.
  2. If a problem is found, repair as necessary. Refer to Wiring Repairs .

Was a problem found?

--

Go to Step 14

Go to Step 13

9

  1. Turn OFF the ignition switch.
  2. Reconnect the PCM.
  3. Disconnect the following components:
  4. • The TP sensor.
    • The MAP sensor.
    • The EGR valve.
  5. Turn ON the ignition switch.
  6. Connect the DMM to measure voltage between the 5 volt reference A circuit and the sensor ground circuit at the TP sensor harness connector.

Is voltage less than the specified value indicated?

4.5 V

Go to Step 12

Go to Step 10

10

  1. Monitor the DMM connected between the 5 volt reference A circuit and the sensor ground circuit while reconnecting the following sensors (one at a time):
  2. • The MAP sensor.
    • The EGR valve.
  3. If the voltage changes when one of the above components is reconnected, replace the affected sensor.

Was a problem found?

--

Go to Step 14

Go to Step 11

11

  1. Disconnect the EGR valve.
  2. Connect the DMM to measure voltage between the 5 volt reference A circuit and the sensor ground circuit at the EGR valve harness connector
  3. Monitor the voltage while reconnecting the TP sensor.
  4. If the voltage changes when the TP sensor is reconnected, replace the TP sensor. Refer to Throttle Position Sensor Replacement .

Was a problem found?

--

Go to Step 14

Go to Step 13

12

  1. Turn OFF the ignition switch.
  2. Disconnect the PCM.
  3. Check the 5 volt reference A circuit for a short to ground.
  4. If a problem is found, repair as necessary. Refer to Wiring Repairs .

Was a problem found?

--

Go to Step 14

Go to Step 13

13

Important:: The replacement PCM must be programmed.

Replace PCM.

Refer to Powertrain Control Module Replacement/Programming .

Is action complete?

--

Go to Step 14

--

14

  1. Review and record scan tool Fail Records data.
  2. Clear DTCs.
  3. Operate the vehicle within Fail Records conditions.
  4. Using a scan tool, monitor Specific DTC info for DTC P1635 until the DTC P1635 test runs.

Does the scan tool indicate DTC P1635 failed this ignition?

--

Go to Step 2

System OK